GM Service Manual Online
For 1990-2009 cars only
Makes
🢒
Pontiac
🢒
2006
🢒
Grand Prix
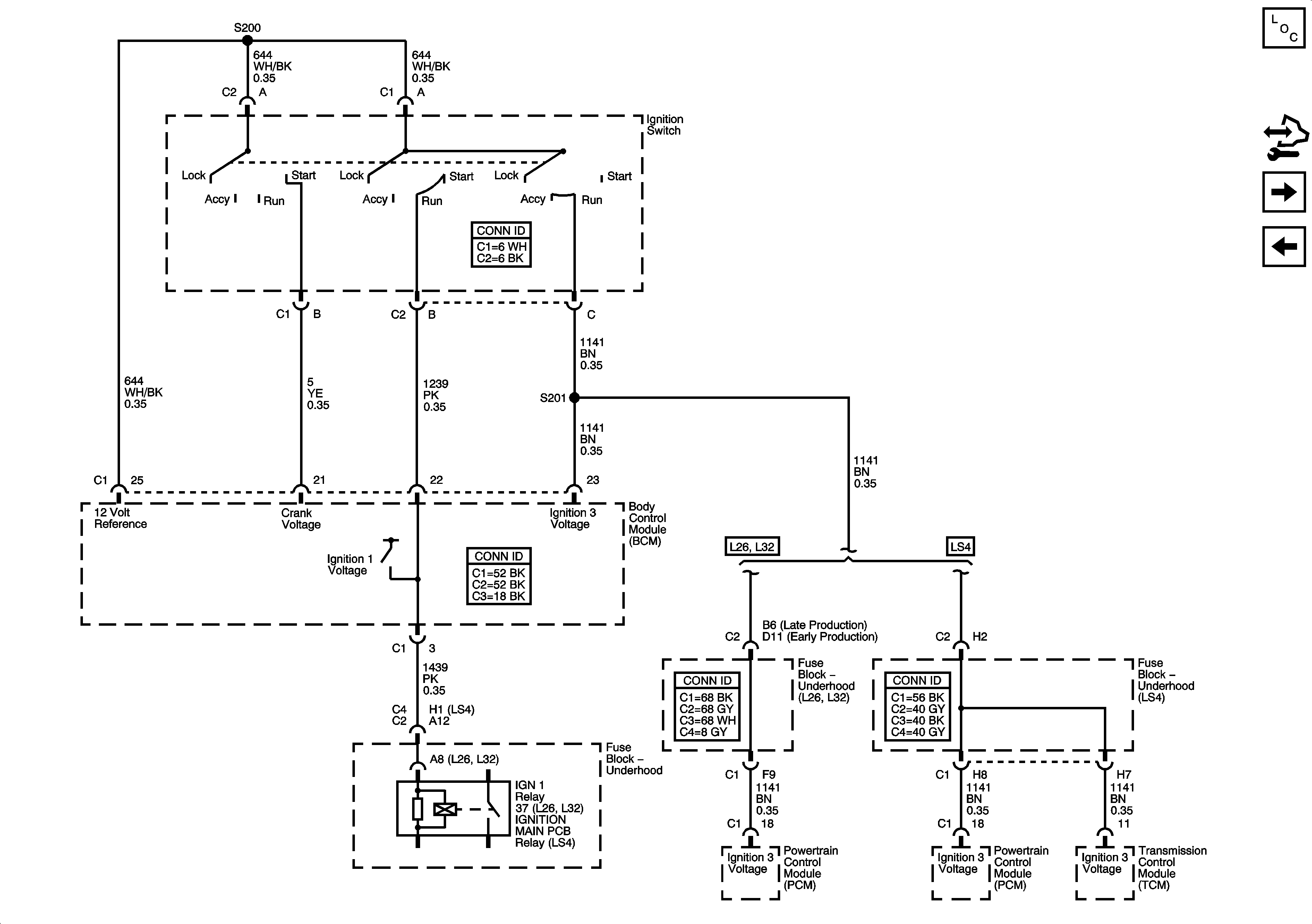
🢒 Ignition Switch
Ignition Switch
Ignition Switch
Master Electrical Component List
Control Module References
BATT MAIN 1, PK LAMPS, DISPLAS, CHMSL/BKUP, INT LIGHT, RFA MOD, RADIO/AMP, ONSTAR/ALDL, HVAC, CANISTER Fuses AND PKLP RELAY
Fuse Block - Underhood Bussing