GM Service Manual Online
For 1990-2009 cars only
Makes
🢒
Pontiac
🢒
2006
🢒
Grand Prix
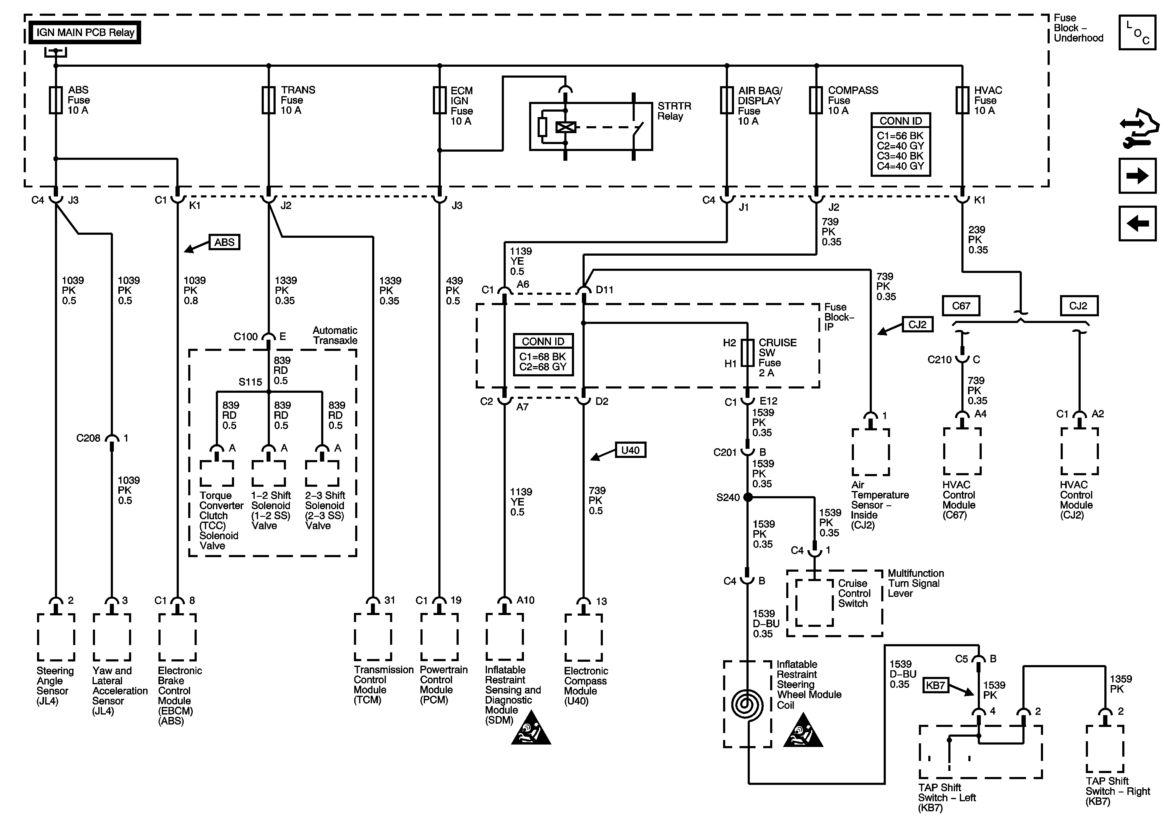
🢒 ABS, TRANS, ECM IGN, AIRBAG/DISPLAY, COMPASS, HVACFuses and STRTR Relay
ABS, TRANS, ECM IGN, AIRBAG/DISPLAY, COMPASS, HVACFuses and STRTR Relay
ABS, TRANS, ECM IGM, AIR BAG/DISPLAY, COMPASS, HVAC Fuses, and STRTR Relay (LS4)
Master Electrical Component List
Control Module References
ETC, ELEC IGN, FUEL INJ, O2 SSR, and EMISSION Fuses
ABS, TRANS SOL, PCM, SIR, DISPLAY, CRUISE SW Fuses, and CRANK Relay
Fuse Block - Underhood Bussing
Power and Grounding Schematic Icons
Power and Grounding Schematic Icons