GM Service Manual Online
For 1990-2009 cars only
Makes
🢒
Pontiac
🢒
2006
🢒
Grand Prix
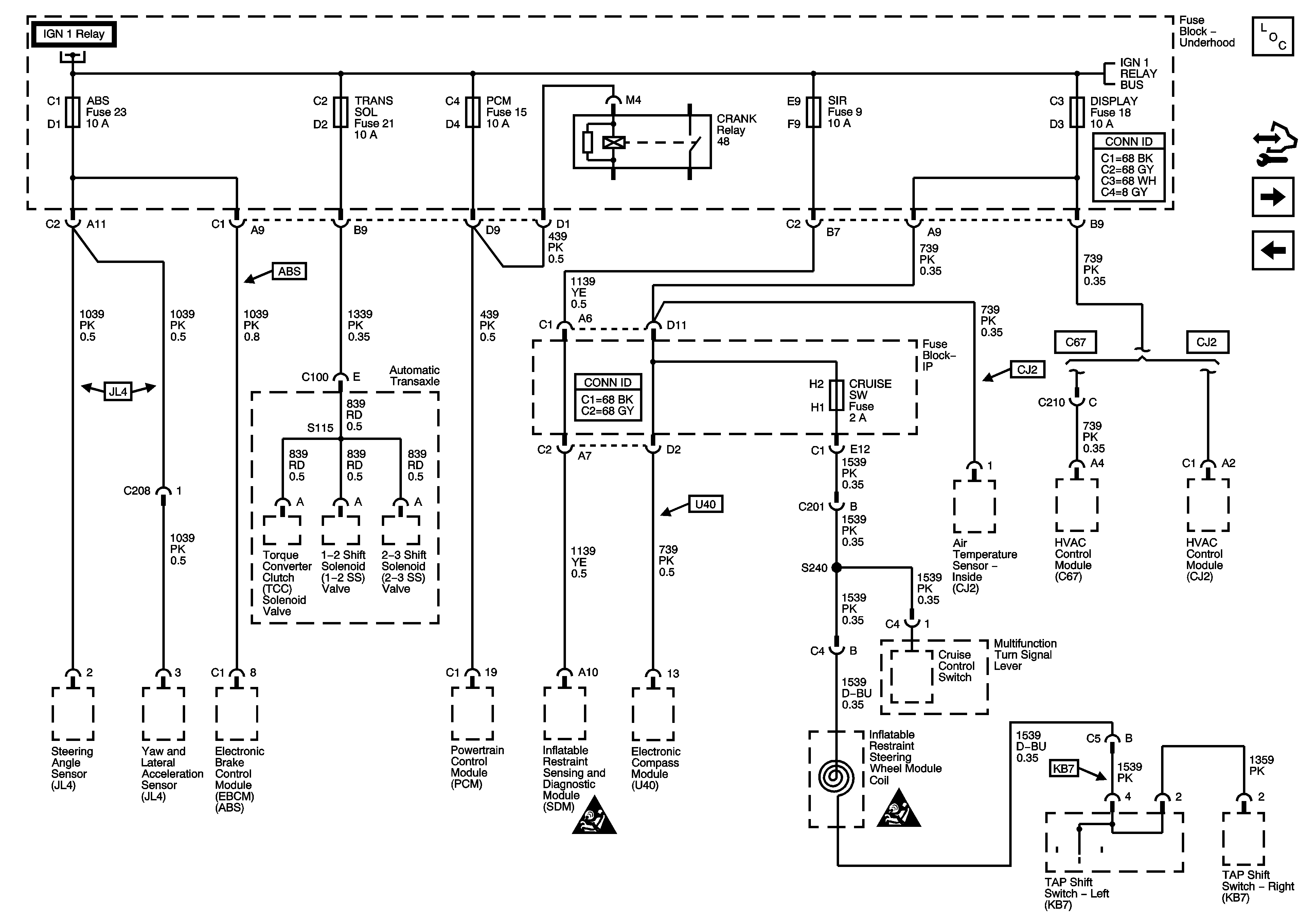
🢒 ABS, TRANS SOL, PCM, SIR, DISPLAY, CRUISE SW Fuses, and CRANK Relay
ABS, TRANS SOL, PCM, SIR, DISPLAY, CRUISE SW Fuses, and CRANK Relay
ABS, TRANS SOL, PCM, SIR, DISPLAY, CRUISE SW Fuses, and CRANK Relay (L26, L32)
Master Electrical Component List
Control Module References
ABS, TRANS, ECM IGN, AIRBAG/DISPLAY, COMPASS, HVAC Fuses and STRTR Relay
BATT 3, BATT 4, ABS MTR, ABS SOL, ECM/TCM/WSW/RVC, and AUX PWR Fuses
Fuse Block Underhood Bussing
Fuse Block Underhood Bussing
Power and Grounding Schematic Icons
Power and Grounding Schematic Icons