GM Service Manual Online
For 1990-2009 cars only
Makes
🢒
Pontiac
🢒
2006
🢒
Grand Prix
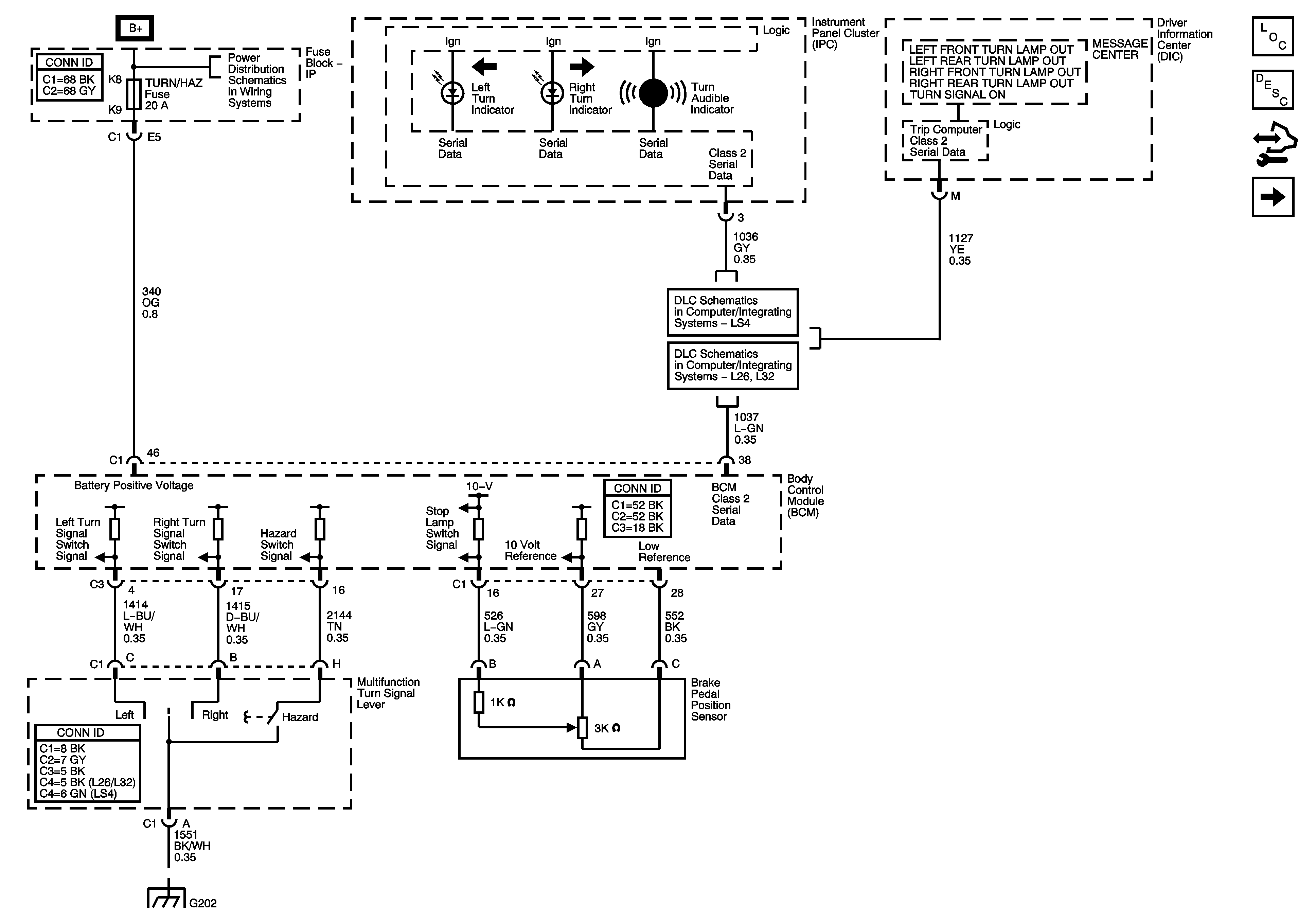
🢒 Turn Signal, Hazard, and Stop Lamps Inputs
Turn Signal, Hazard, and Stop Lamps Inputs
Turn Signal, Hazard, and Stop Lamps Inputs
Master Electrical Component List
Exterior Lighting Systems Description and Operation
Control Module References
Turn Signal, Hazard and Stop Lamp Outputs
BATT MAIN 2, HDT SEAT, PWR MIRS, TURN/HAZ, DR LK/TRUN, SUNROOF Fuses, PWR SEAT, PWR WDO Circuit Breakers, and RAP Relay
LS4
L26/L32
G202