GM Service Manual Online
For 1990-2009 cars only
Makes
🢒
Pontiac
🢒
2006
🢒
Grand Prix
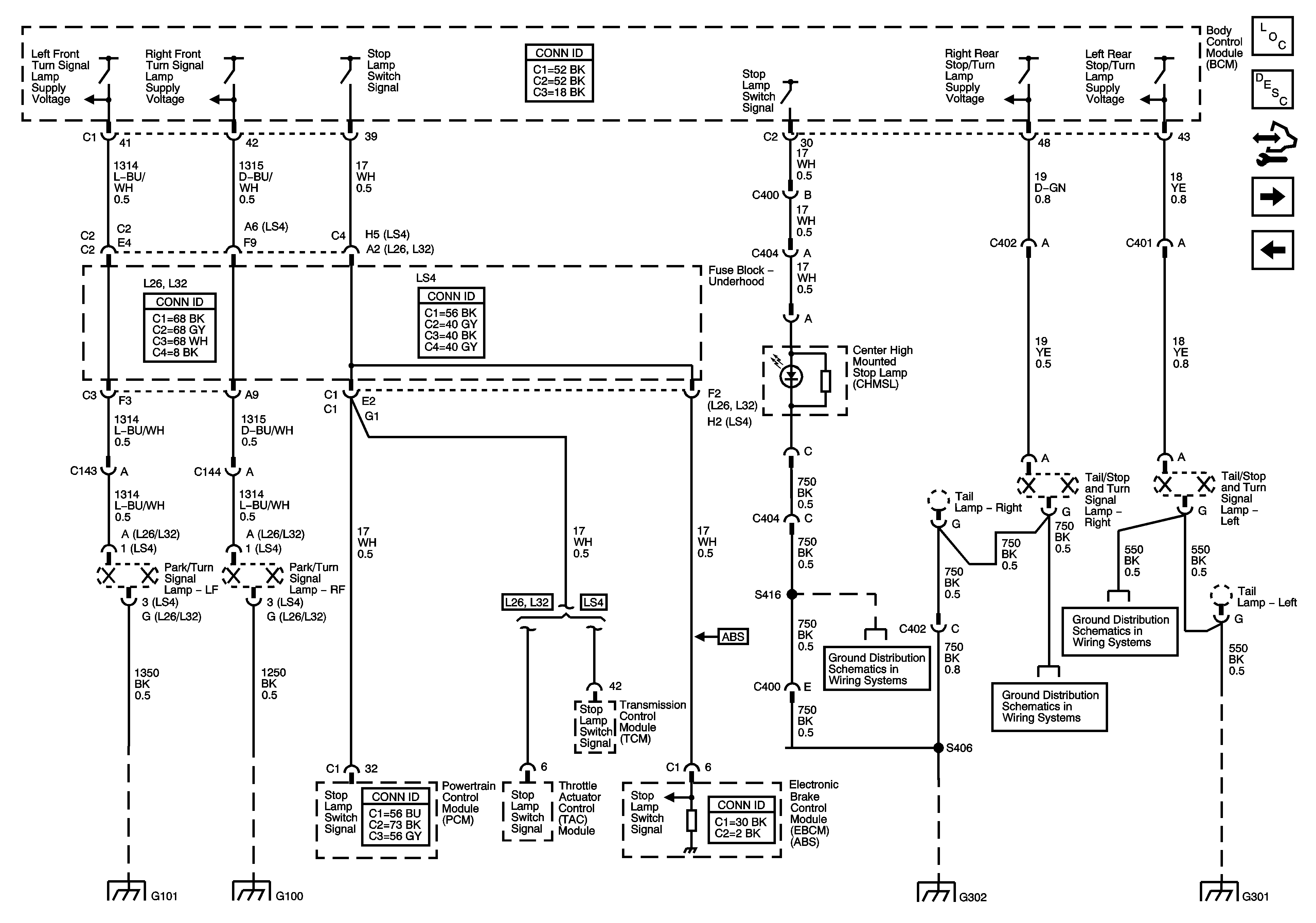
🢒 Turn Signal, Hazard and Stop Lamp Outputs
Turn Signal, Hazard and Stop Lamp Outputs
Turn Signal, Hazard, and Stop Lamps Outputs
Master Electrical Component List
Exterior Lighting Systems Description and Operation
Control Module References
Park Lamps
Turn Signal, Hazard, and Stop Lamps Inputs
G302
G302
G301
G101, G112 (L26/L32), and G113 (L26/L32)
G100
G302
G301