GM Service Manual Online
For 1990-2009 cars only

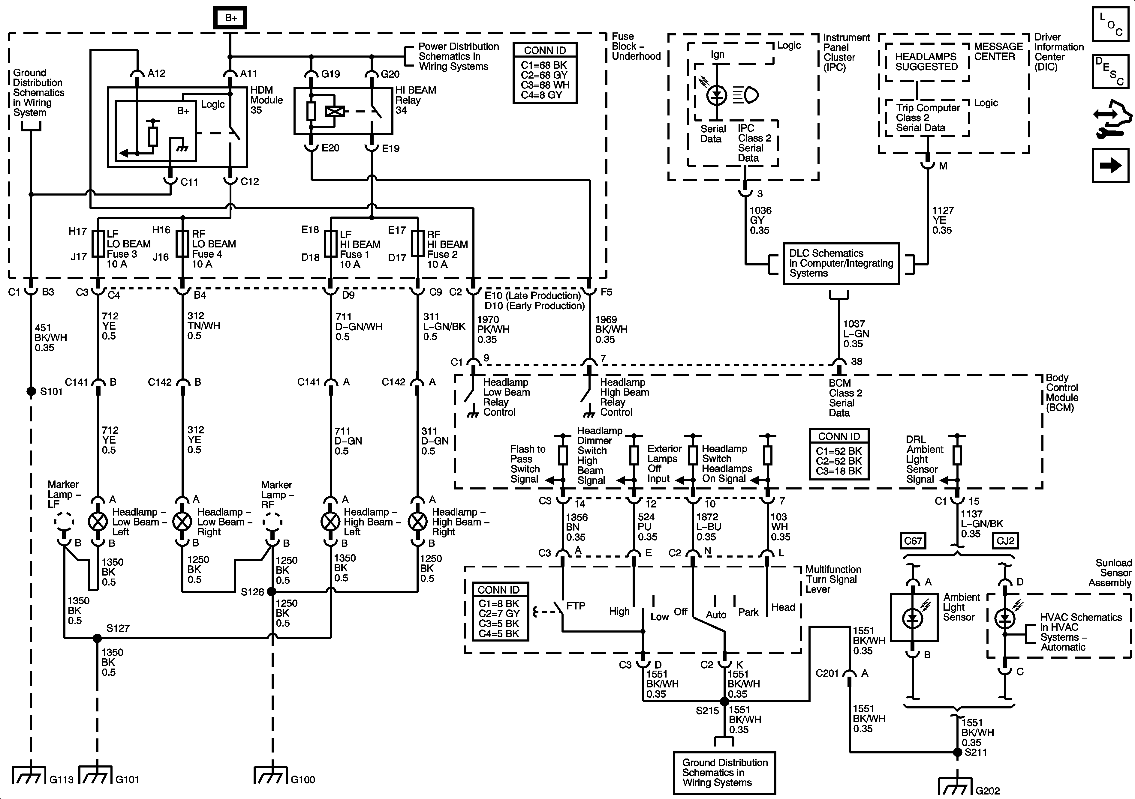
Headlights/Automatic Head Lamps Schematics

L26 and L32


Object Number: 1647660  Size: FS
Master Electrical Component List
Exterior Lighting Systems Description and Operation
Control Module References
Lumbar Controls
Fuse Block Underhood Bussing
L26/L32
G101, G112 (L26/L32), and G113 (L26/L32)
G100
G202
G202