GM Service Manual Online
For 1990-2009 cars only
Makes
🢒
Pontiac
🢒
2006
🢒
Grand Prix
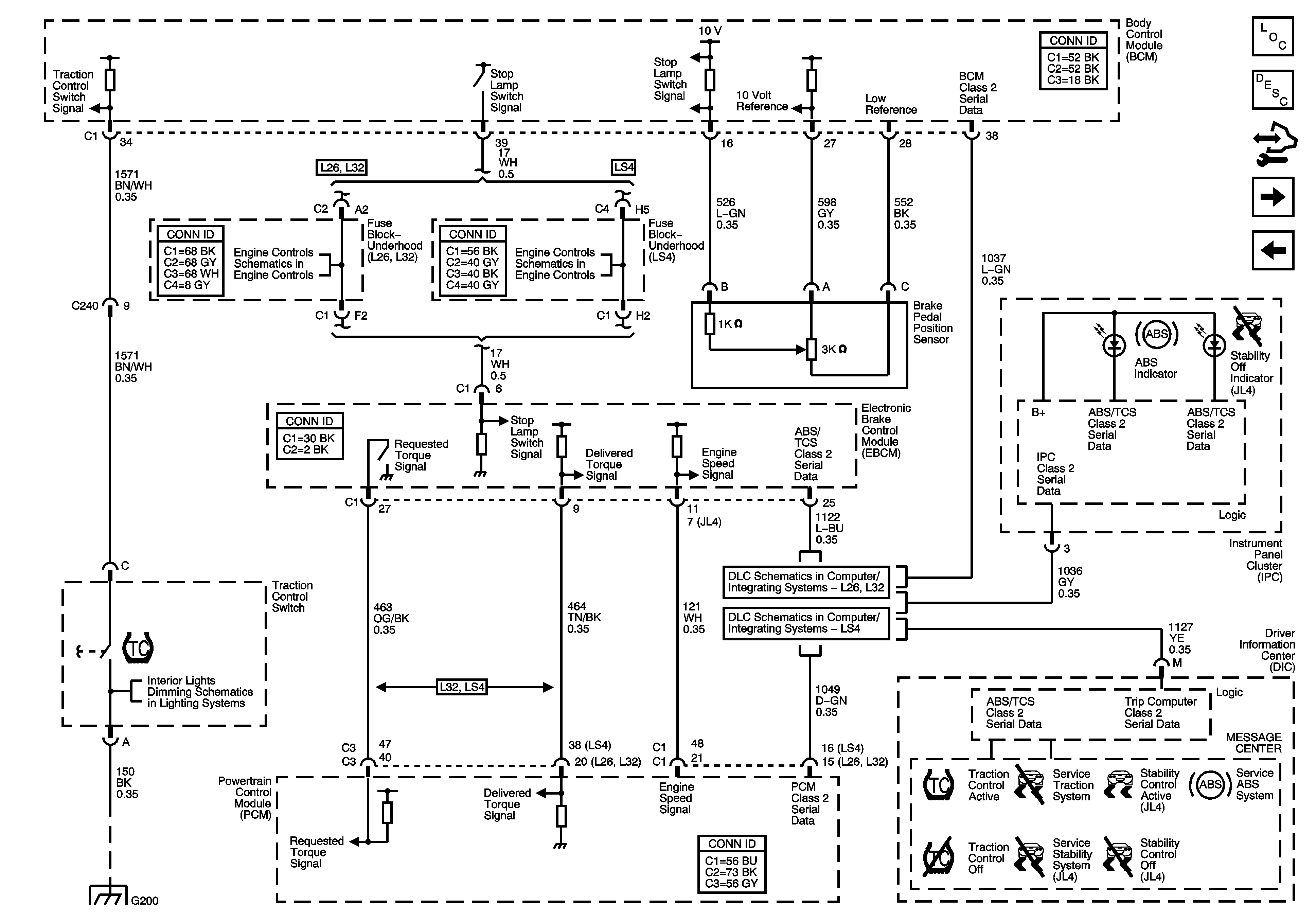
🢒 Indicator, ABS, Stability, and Traction Controls
Indicator, ABS, Stability, and Traction Controls
Indicators, ABS, Stability and Traction Controls
Master Electrical Component List
ABS Description and Operation
Control Module References
Stability Controls Sensors (JL4)
Power, Ground and Brake Pressure Modulator
Electronic Throttle Controls
MAF/IAT Sensor, Stop Lamp Switch Signal and VSS
L26/L32
LS4
Interior Lamp Switch, I/P and Driver Door Lighting
G200