GM Service Manual Online
For 1990-2009 cars only
Makes
🢒
Pontiac
🢒
2006
🢒
Grand Prix
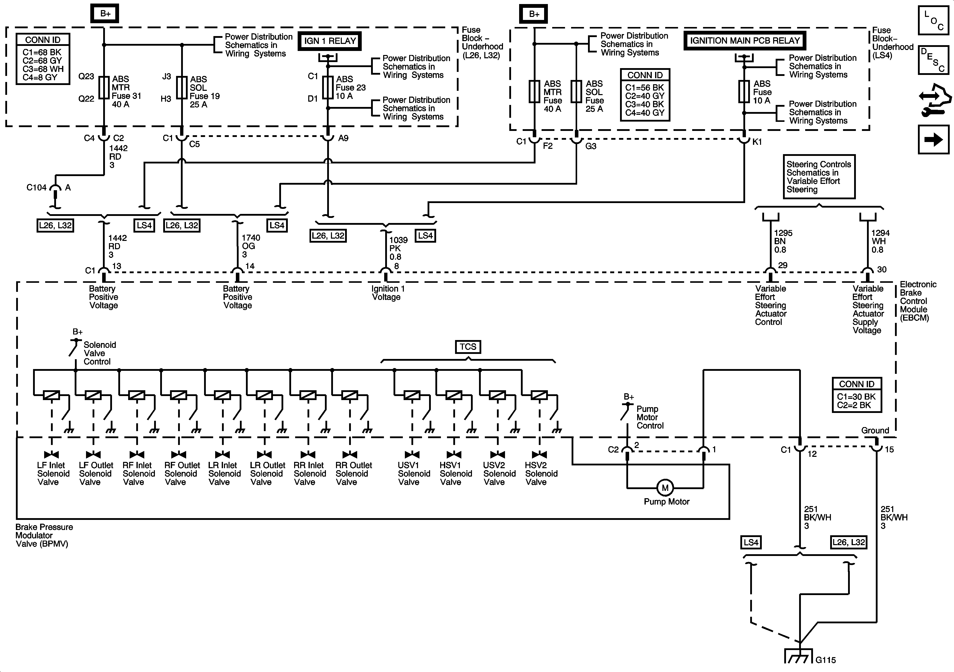
🢒 Power, Ground and Brake Pressure Modulator
Power, Ground and Brake Pressure Modulator
Power, Ground and Brake Pressure Modulator Valves
Master Electrical Component List
ABS Description and Operation
Control Module References
Indicator, ABS, Stability, and Traction Controls
Fuse Block Underhood Bussing
ABS, TRANS SOL, PCM, SIR, DISPLAY, CRUISE SW Fuses, and CRANK Relay
Fuse Block - Underhood Bussing
ABS, TRANS, ECM IGN, AIRBAG/DISPLAY, COMPASS, HVAC Fuses and STRTR Relay
Steering Controls Schematics
G102, G112 and G201