GM Service Manual Online
For 1990-2009 cars only
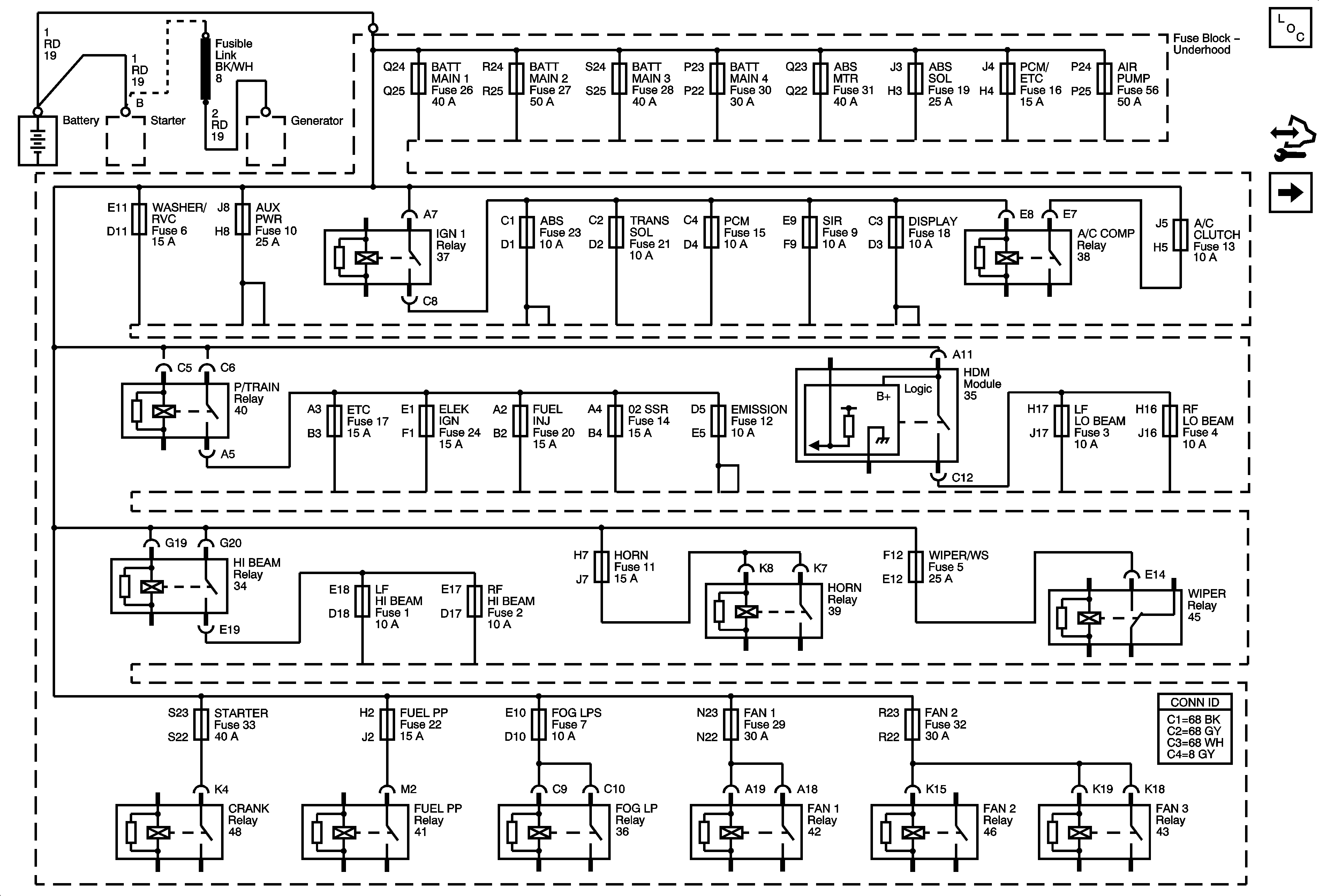
Figure 1:

Fuse Block - Underhood Bussing (L26, L32)


Object Number: 1798545  Size: FS
Master Electrical Component List
Control Module References
Figure 2:

Fuse Block - Underhood Bussing (LS4)


Object Number: 1799698  Size: FS
Master Electrical Component List
Control Module References
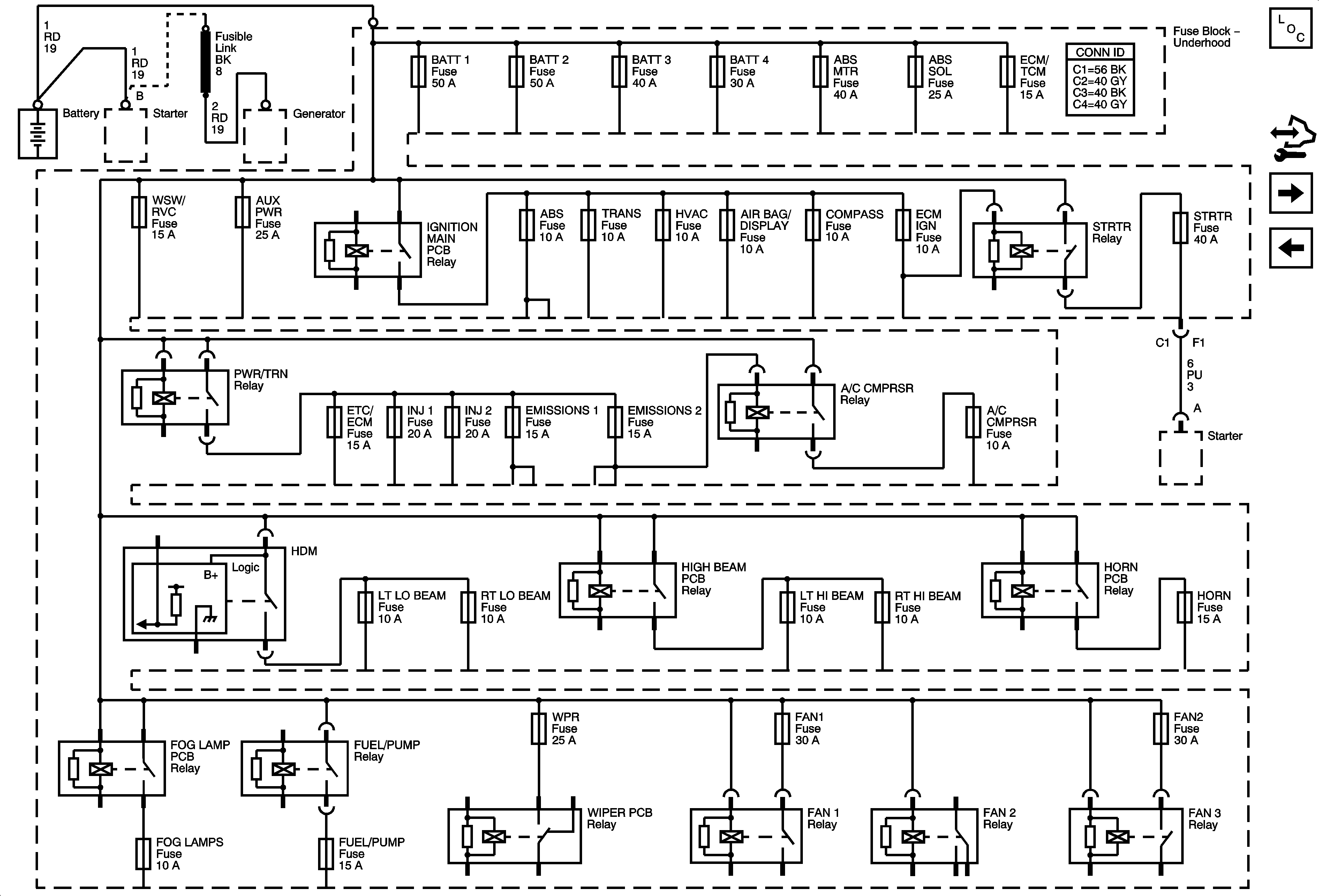
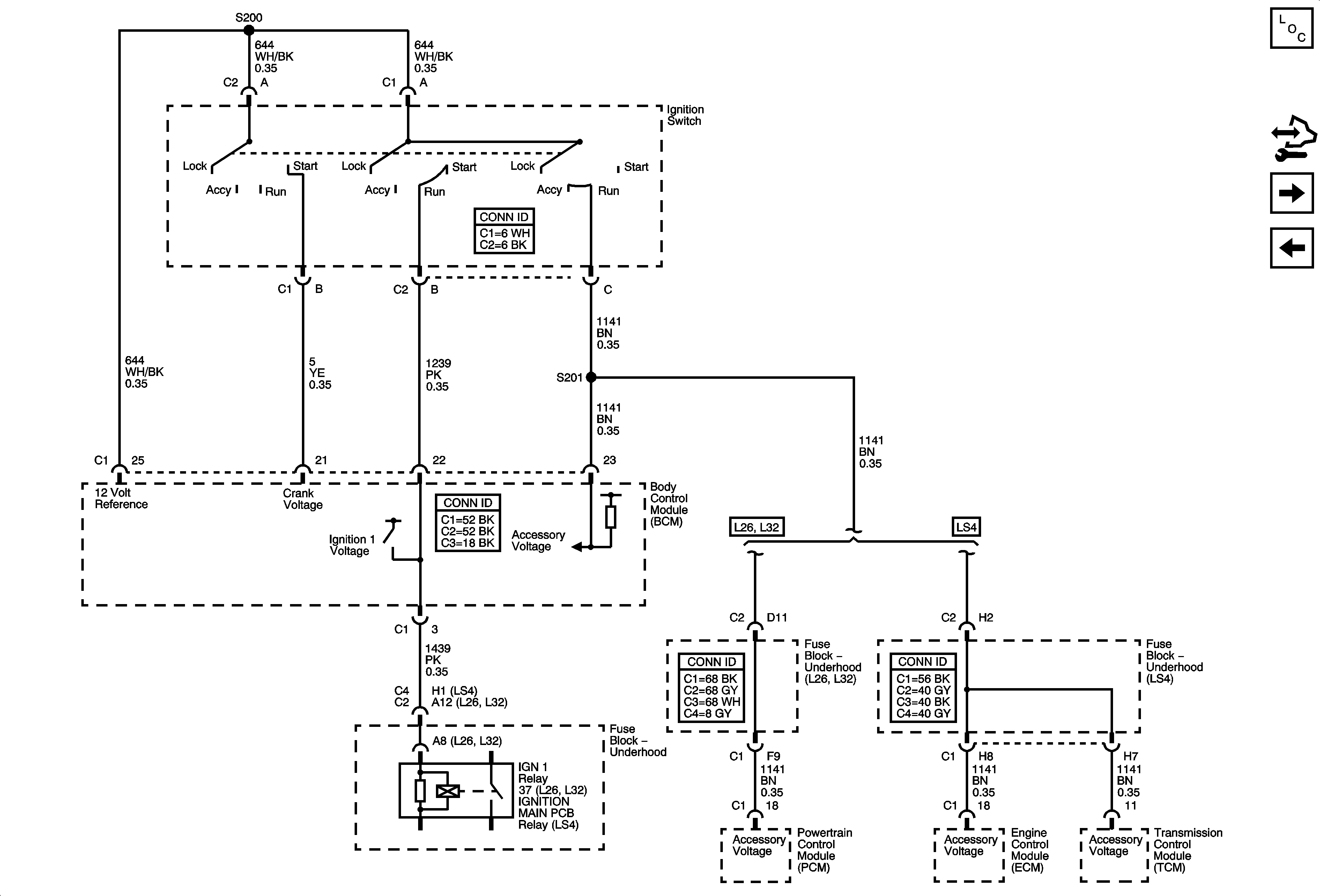
Figure 3:

Ignition Switch


Object Number: 1798546  Size: FS
Master Electrical Component List
Control Module References
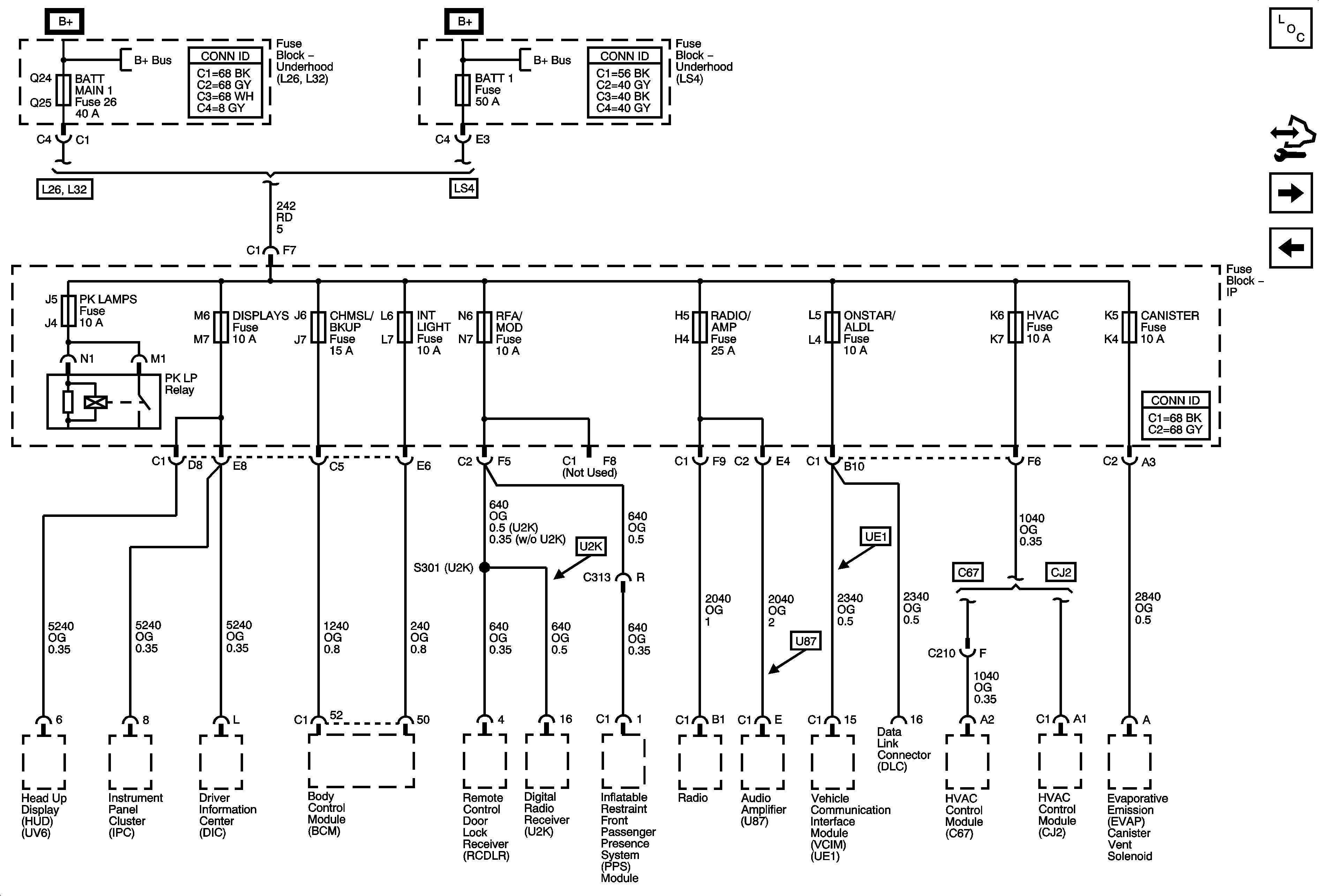
Figure 4:

BATT MAIN 1, BATT 1, PK LAMPS, DISPLAYS, CHMSL/BKUP, INT LIGHT, RFA/MOD, RADIO/AMP, ONSTAR/ALDL, HVAC, CANISTER Fuses, and PK LP Relay


Object Number: 1799580  Size: FS
Master Electrical Component List
Control Module References
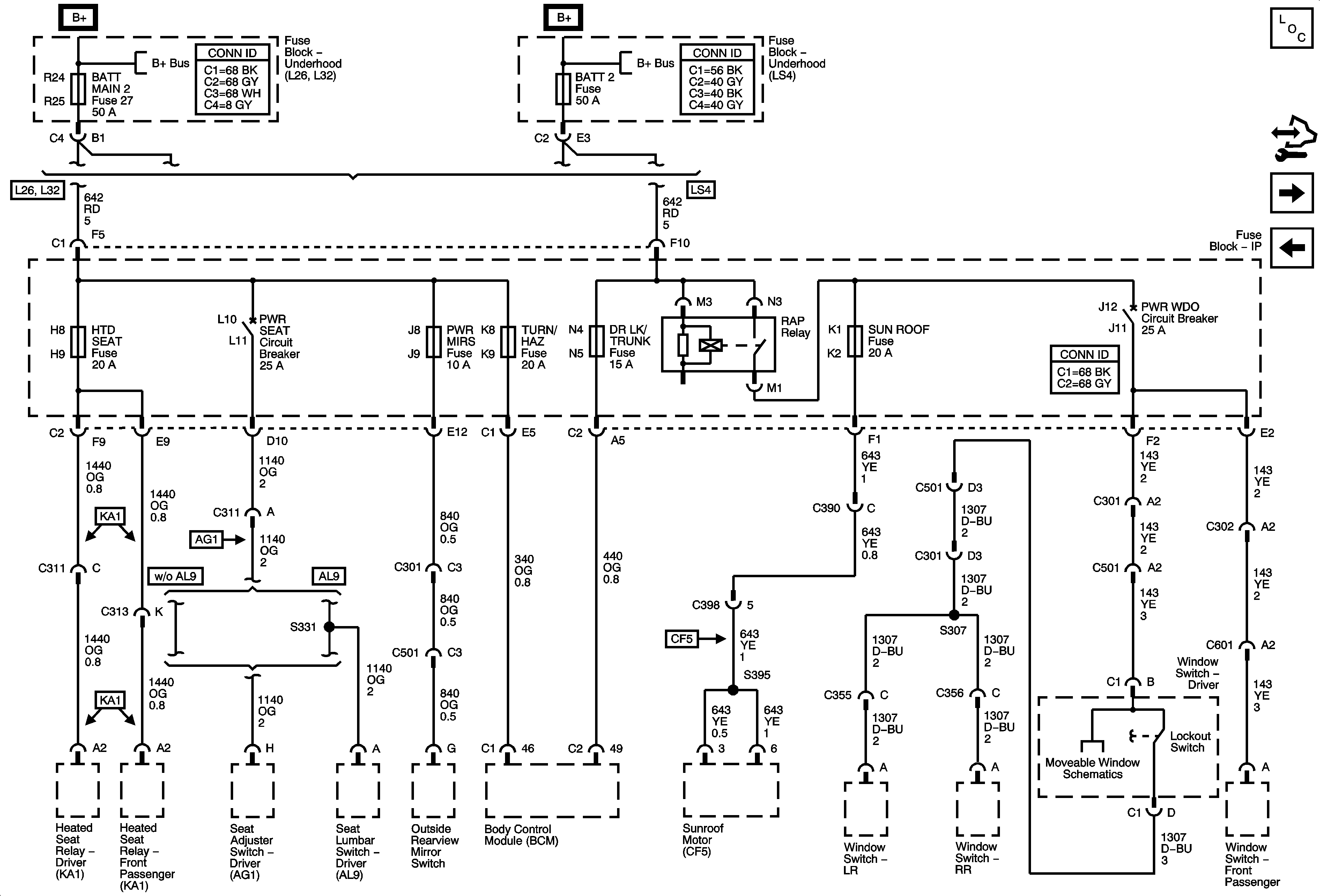
Figure 5:

BATT MAIN 2, BATT 2, HTD SEAT, PWR MIRS, TURN/HAZ, DR LK/TRUNK, SUNROOF Fuses, PWR SEAT, PWR WDO Circuit Breakers, and RAP Relay


Object Number: 1799586  Size: FS
Master Electrical Component List
Control Module References
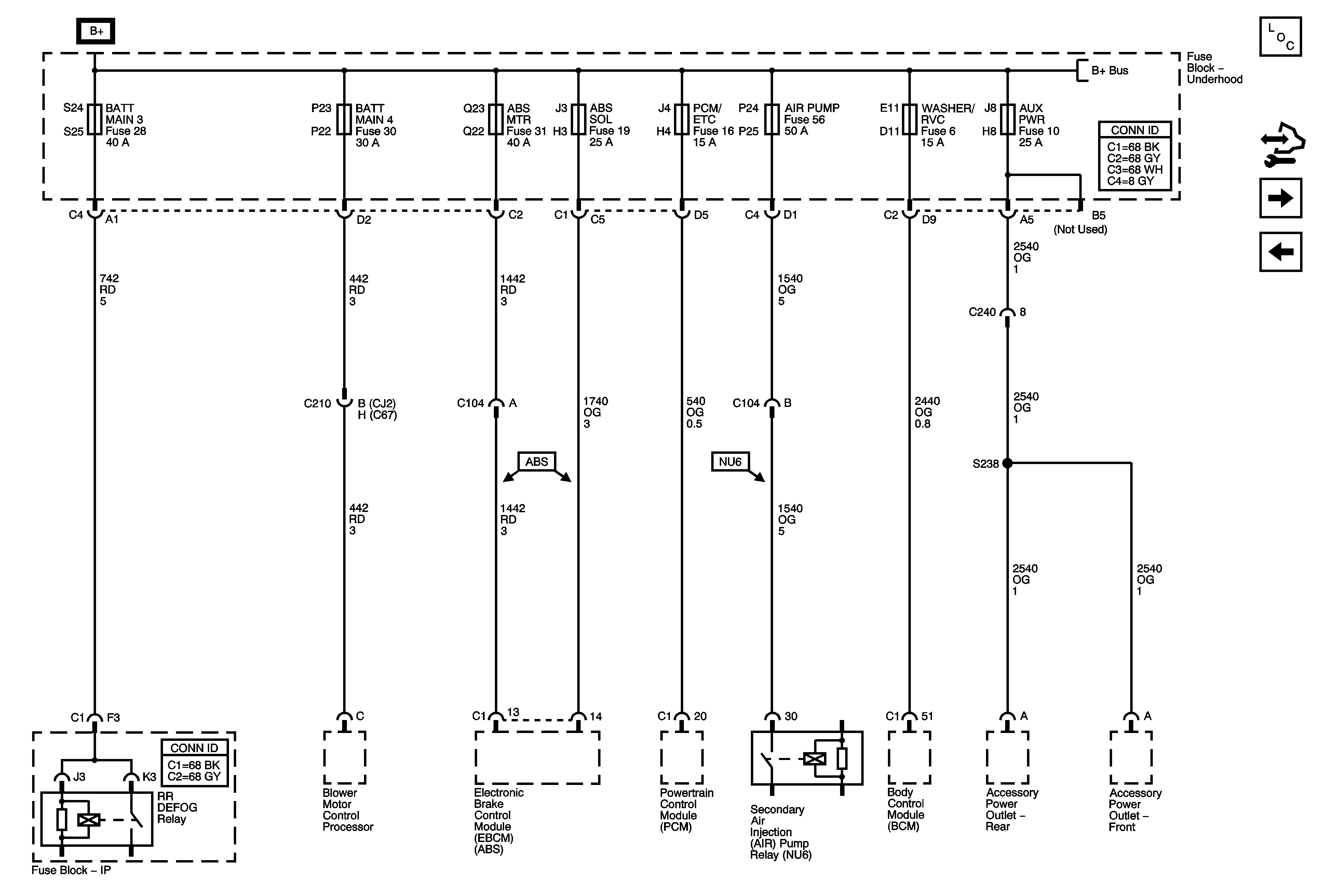
Figure 6:

BATT MAIN 3, BATT MAIN 4, ABS MTR, ABS SOL, PCM/ETC, AIR PUMP, WASHER/RVC, and AUX PWR Fuses (L26, L32)


Object Number: 1799588  Size: FS
Master Electrical Component List
Control Module References
Figure 7:

BATT 3, BATT 4, ABS MTR, ABS SOL, ECM/TCM, WSW/RVC, and AUX PWR Fuses (LS4)


Object Number: 1799704  Size: FS
Master Electrical Component List
Control Module References
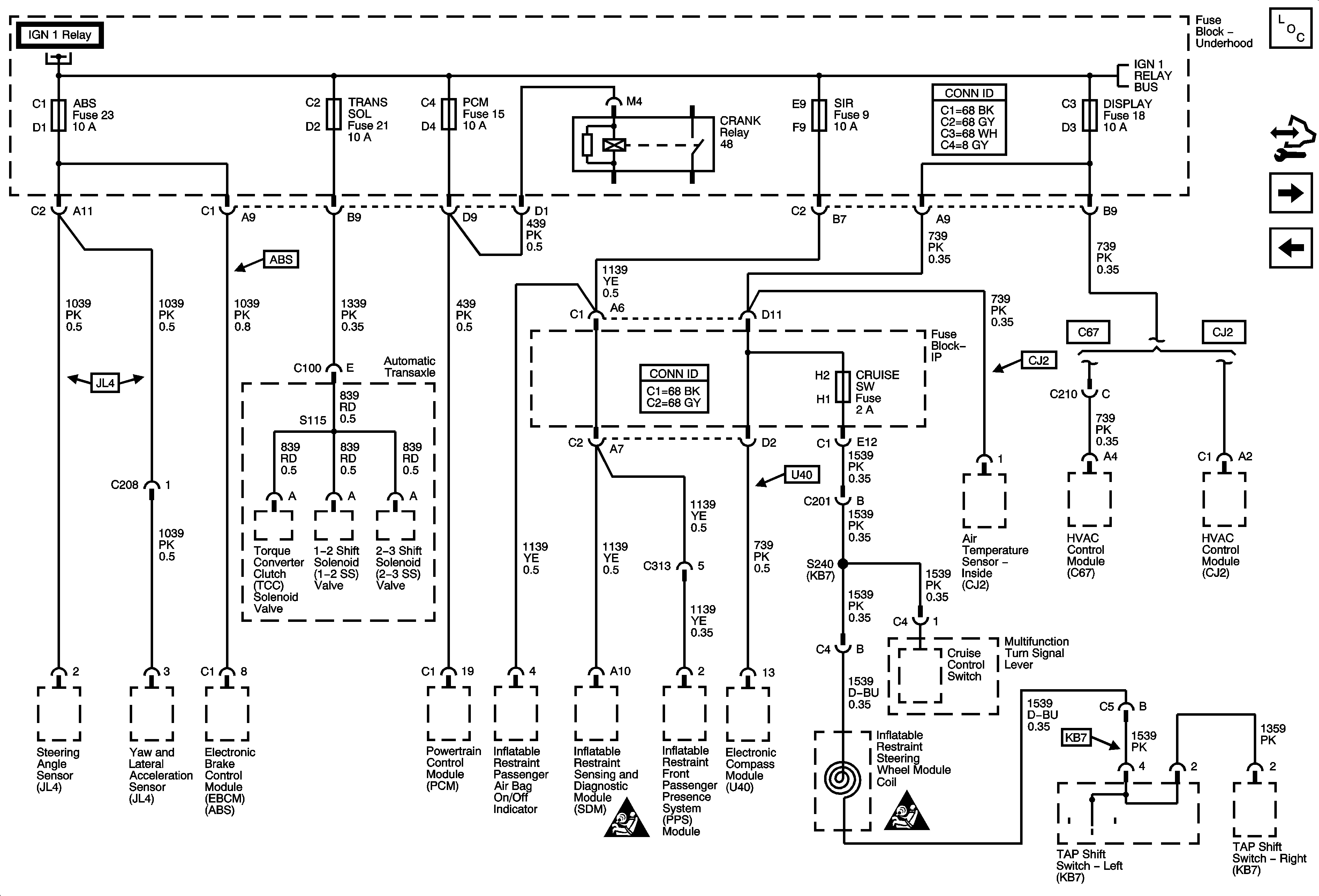
Figure 8:

ABS, TRANS SOL, PCM, SIR, DISPLAY, CRUISE SW Fuses, and CRANK Relay (L26, L32)


Object Number: 1799663  Size: FS
Master Electrical Component List
Control Module References
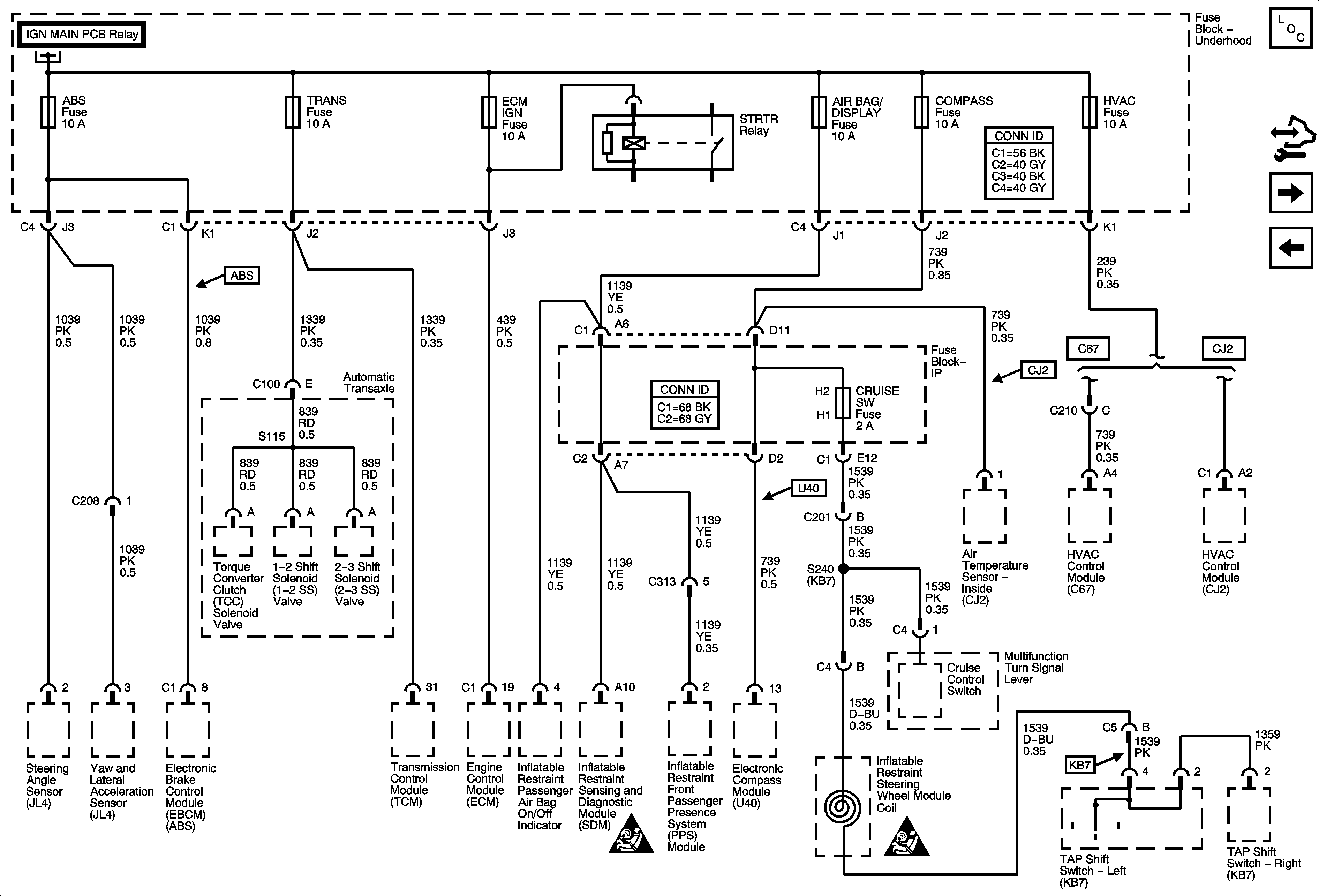
Figure 9:

ABS, TRANS, ECM IGN, AIR BAG/DISPLAY, COMPASS, HVAC Fuses, and STRTR Relay (LS4)


Object Number: 1799734  Size: FS
Master Electrical Component List
Control Module References
Figure 10:

ETC, ELEK IGN, FUEL INJ, 02 SSR, and EMISSION Fuses (L26, L32)


Object Number: 1799675  Size: FS
Master Electrical Component List
Control Module References
Figure 11:

ETC/ECM, INJ 1 and INJ 2 Fuses (LS4)


Object Number: 1799756  Size: FS
Master Electrical Component List
Control Module References
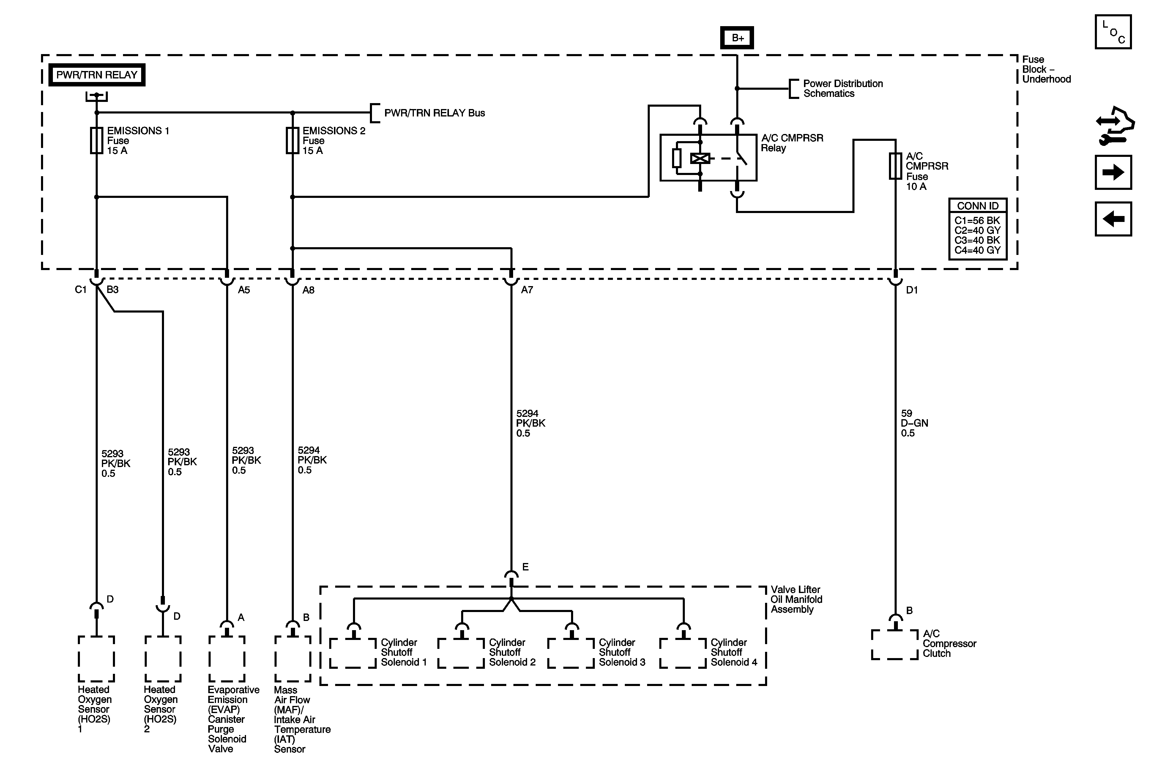
Figure 12:

EMISSIONS1, EMISSIONS2, A/C CMPRSR Fuses and A/C CMPRSR Relay (LS4)


Object Number: 1799769  Size: FS
Master Electrical Component List
Control Module References
Figure 13:

LF LO BEAM, RF LO BEAM, LF HI BEAM, RF HI BEAM, LT LO BEAM, RT LO BEAM, LT HI BEAM, RT HI BEAM and SPRING COIL 2 Fuses


Object Number: 1799691  Size: FS
Master Electrical Component List
Control Module References
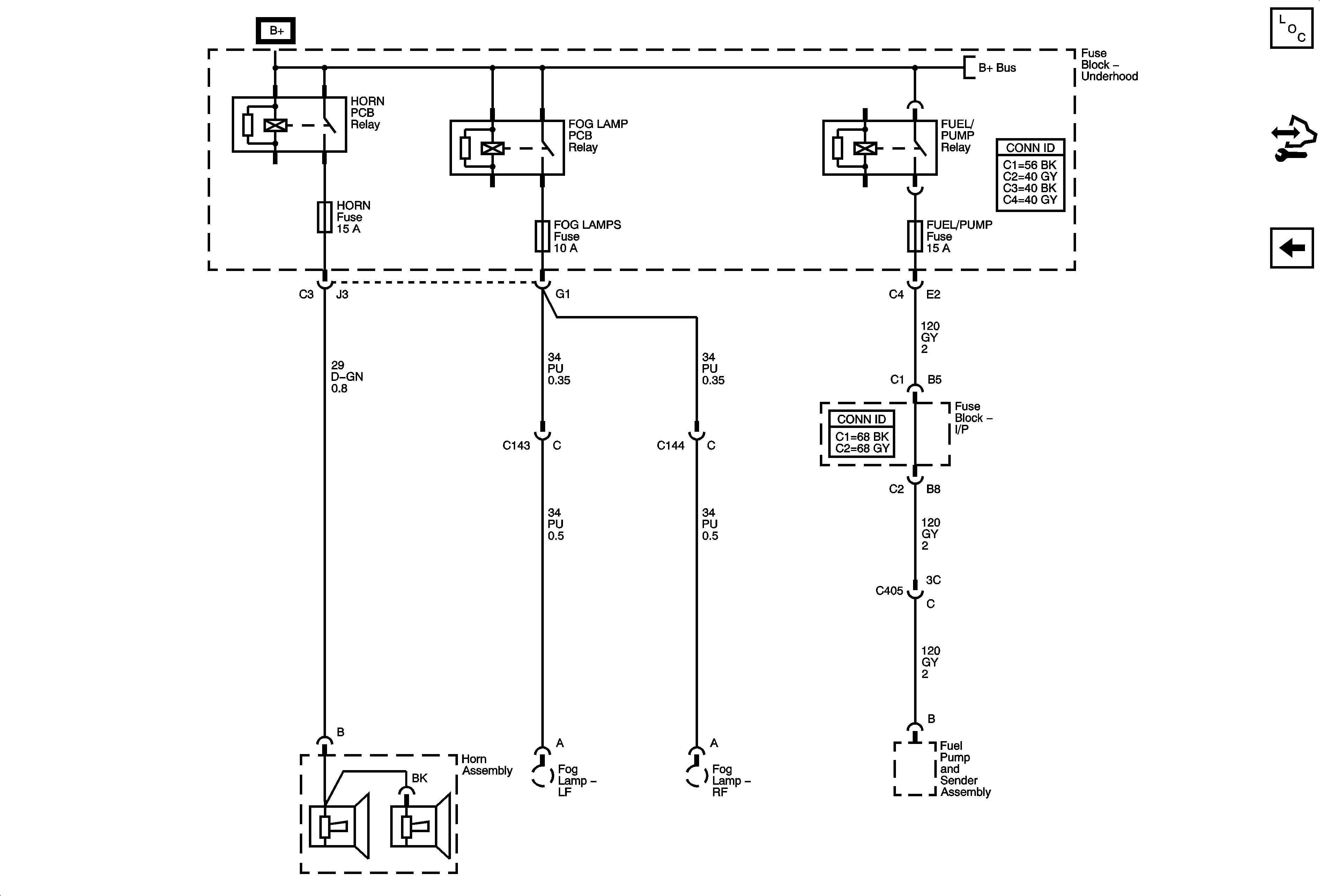
Figure 14:

HORN, FOG LAMPS, FUEL PUMP Fuses, HORN PCB, FOG LAMP PCB and FUEL PUMP Relays (LS4)


Object Number: 1799771  Size: FS
Master Electrical Component List
Control Module References
LF LOW BEAM RF LOW BEAM, LF HIGH BEAM, RF HIGH BEAM, and SPRING COIL 2 Fuses
Fuse Block - Underhood Bussing
Fuse Block - Underhood Bussing