GM Service Manual Online
For 1990-2009 cars only
Makes
🢒
Pontiac
🢒
2004
🢒
Matiz
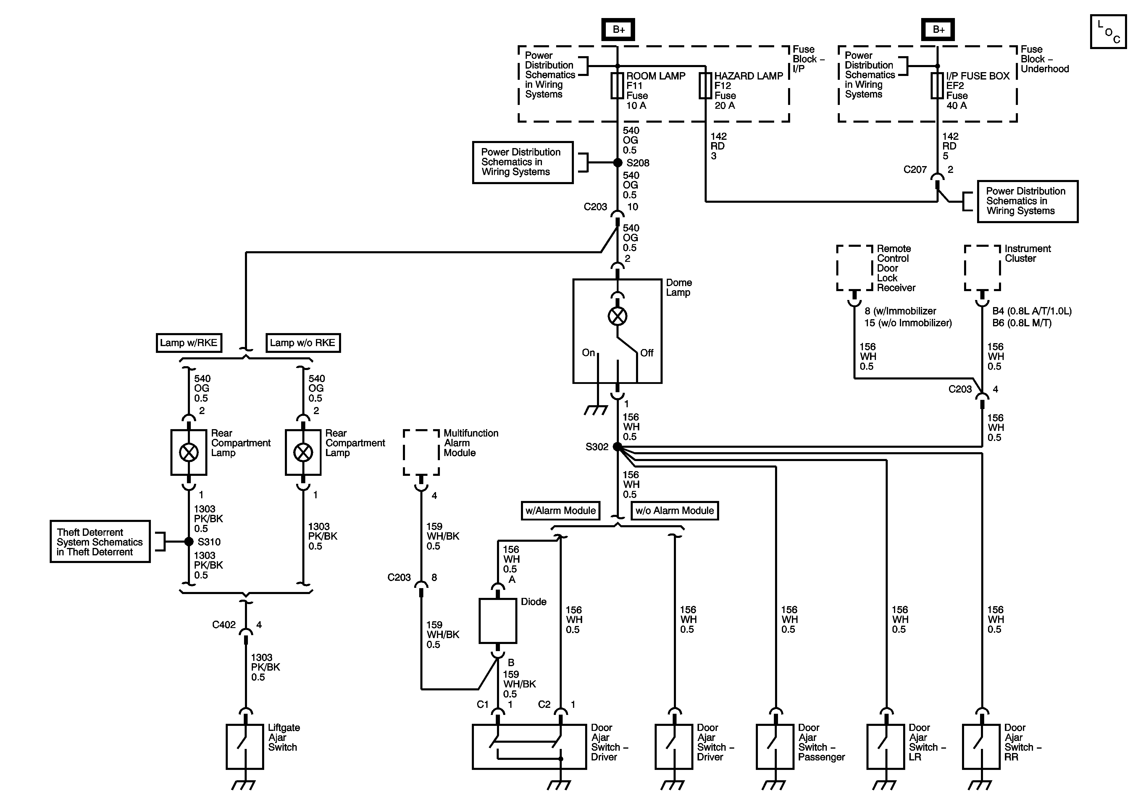
🢒 Courtesy Lamps
Courtesy Lamps
Courtesy Lamps
Master Electrical Component List
Underhood Fuse Block (1.0L) - IP FUSEBOX Fuse, IGNITION SWITCH, IP FUSE Block (1.0L) - STOP LAMPS, ROOM LAMP, HAZARD LAMP, and CENTRAL DOOR LOCK Fuses
Underhood Fuse Block (1.0L) - IP FUSEBOX Fuse, IGNITION SWITCH, IP FUSE Block (1.0L) - STOP LAMPS, ROOM LAMP, HAZARD LAMP, and CENTRAL DOOR LOCK Fuses
Underhood Fuse Block (1.0L) - IP FUSEBOX Fuse, IGNITION SWITCH, IP FUSE Block (1.0L) - STOP LAMPS, ROOM LAMP, HAZARD LAMP, and CENTRAL DOOR LOCK Fuses
Underhood Fuse Block (1.0L) - IP FUSEBOX Fuse, IGNITION SWITCH, IP FUSE Block (1.0L) - STOP LAMPS, ROOM LAMP, HAZARD LAMP, and CENTRAL DOOR LOCK Fuses
Content Theft Deterrent (w/ Immbolizer)