GM Service Manual Online
For 1990-2009 cars only
Makes
🢒
Pontiac
🢒
2004
🢒
Matiz
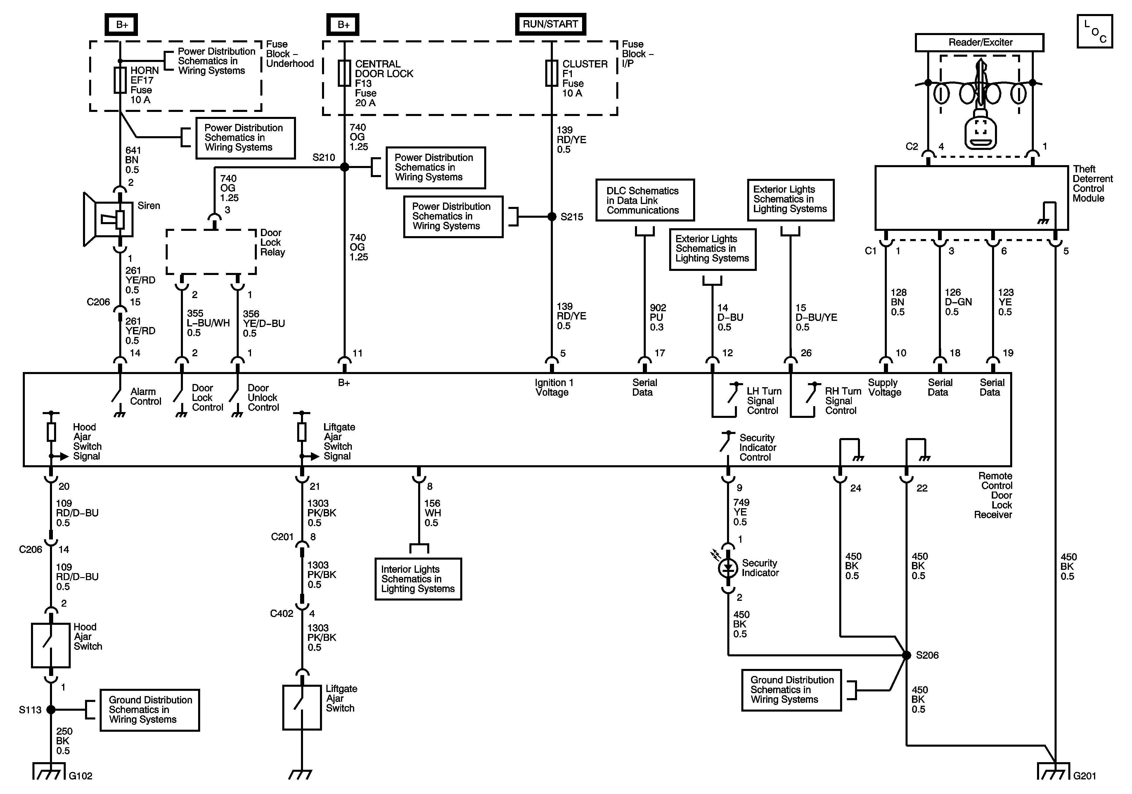
🢒 Content Theft Deterrent (w/ Immbolizer)
Content Theft Deterrent (w/ Immbolizer)
Content Theft Deterrent (w/ Immbolizer)
Master Electrical Component List
Underhood Fuse Block - ABS - RH TAIL LAMP, LH TAIL LAMP and HORN Fuses
Underhood Fuse Block - ABS - RH TAIL LAMP, LH TAIL LAMP and HORN Fuses
Underhood Fuse Block (0.8L) - IP FUSEBOX Fuse, IGNITION SWITCH, IP FUSE BLOCK (0.8L) - STOP LAMPS, ROOM LAMP, HAZARD LAMP and CENTRAL DOOR LOCK Fuses
Data Link Connector (DLC) (Sirius-D3)
Hazard and Turn Signal Lamps
Instrument Panel Fuse Block - ECM and TCM Fuses, Underhood Fuse Block - AUDIO, CIGAR LIGHTER, CLUSTER, AIRBAG, POWER WINDOW and TURN SIGNAL Fuses
Hazard and Turn Signal Lamps
Digital Clock
G102
Courtesy Lamps
G201 (0.8L)