GM Service Manual Online
For 1990-2009 cars only
Makes
🢒
Pontiac
🢒
2006
🢒
Solstice
🢒
Vehicle Control Systems
🢒
Vehicle DTC Information
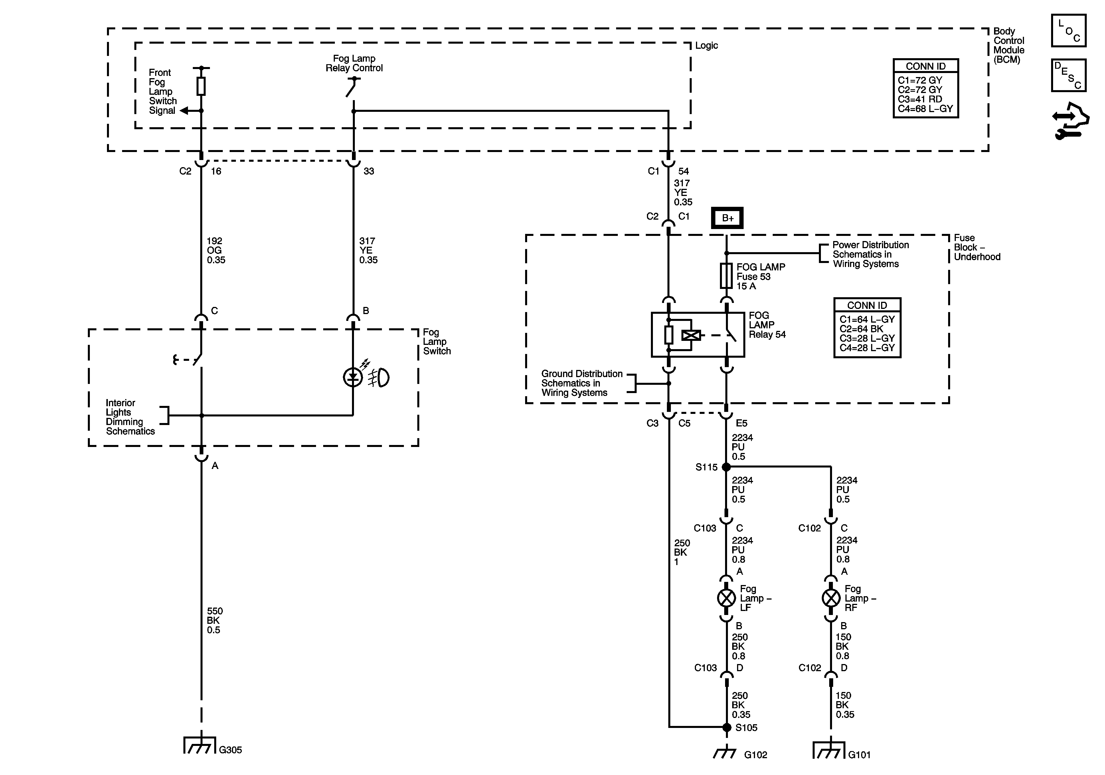
🢒 Fog Lights Schematics
Master Electrical Component List
Exterior Lighting Systems Description and Operation
Control Module References
Lights
G101 and G102
B+ Bus Bar - 2 of 2
G305 (2 of 2)
G101 and G102
G101 and G102