GM Service Manual Online
For 1990-2009 cars only
Makes
🢒
Pontiac
🢒
2006
🢒
Solstice
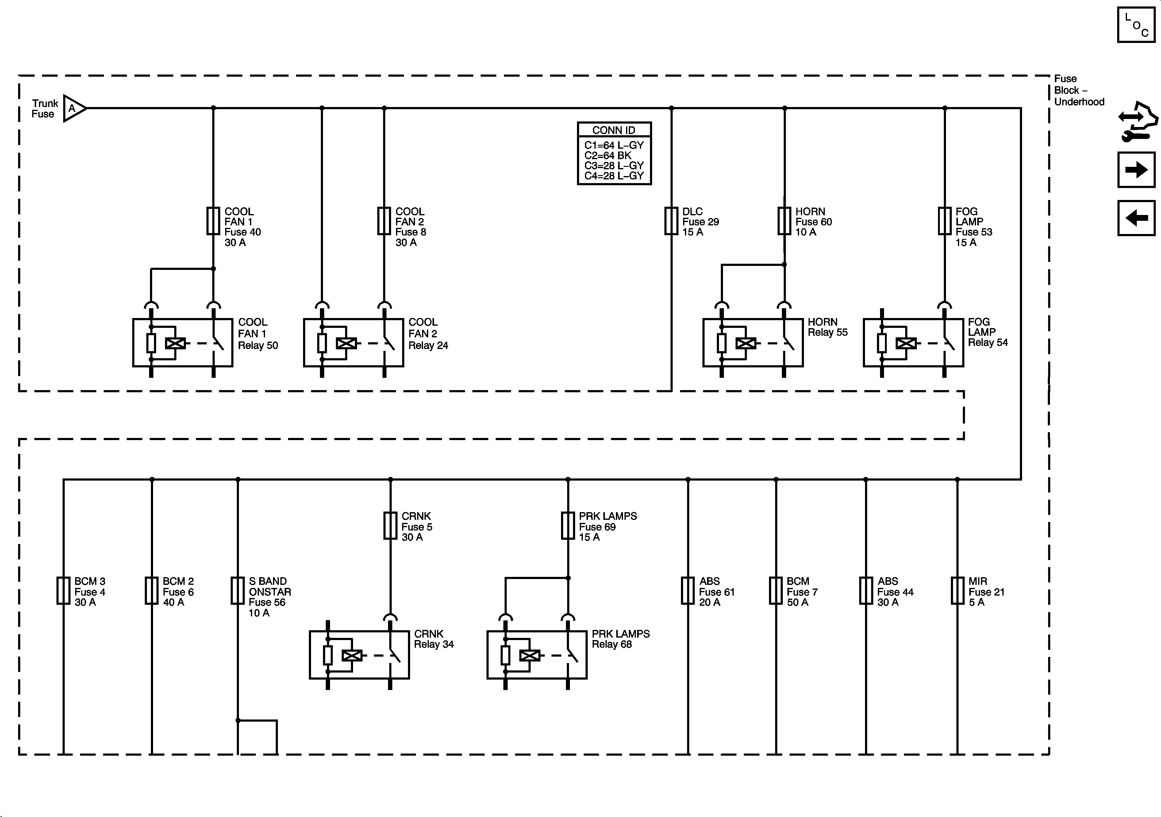
🢒 B+ Bus Bar - 2 of 2
B+ Bus Bar - 2 of 2
B+ Bus Bar - 2 of 2
Master Electrical Component List
Control Module References
LT LO BEAM, RT LO BEAM, LT HI BEAM, and RT HI BEAM Fuses
B+ Bus Bar - 1 of 2