GM Service Manual Online
For 1990-2009 cars only
Makes
🢒
Pontiac
🢒
2006
🢒
Solstice
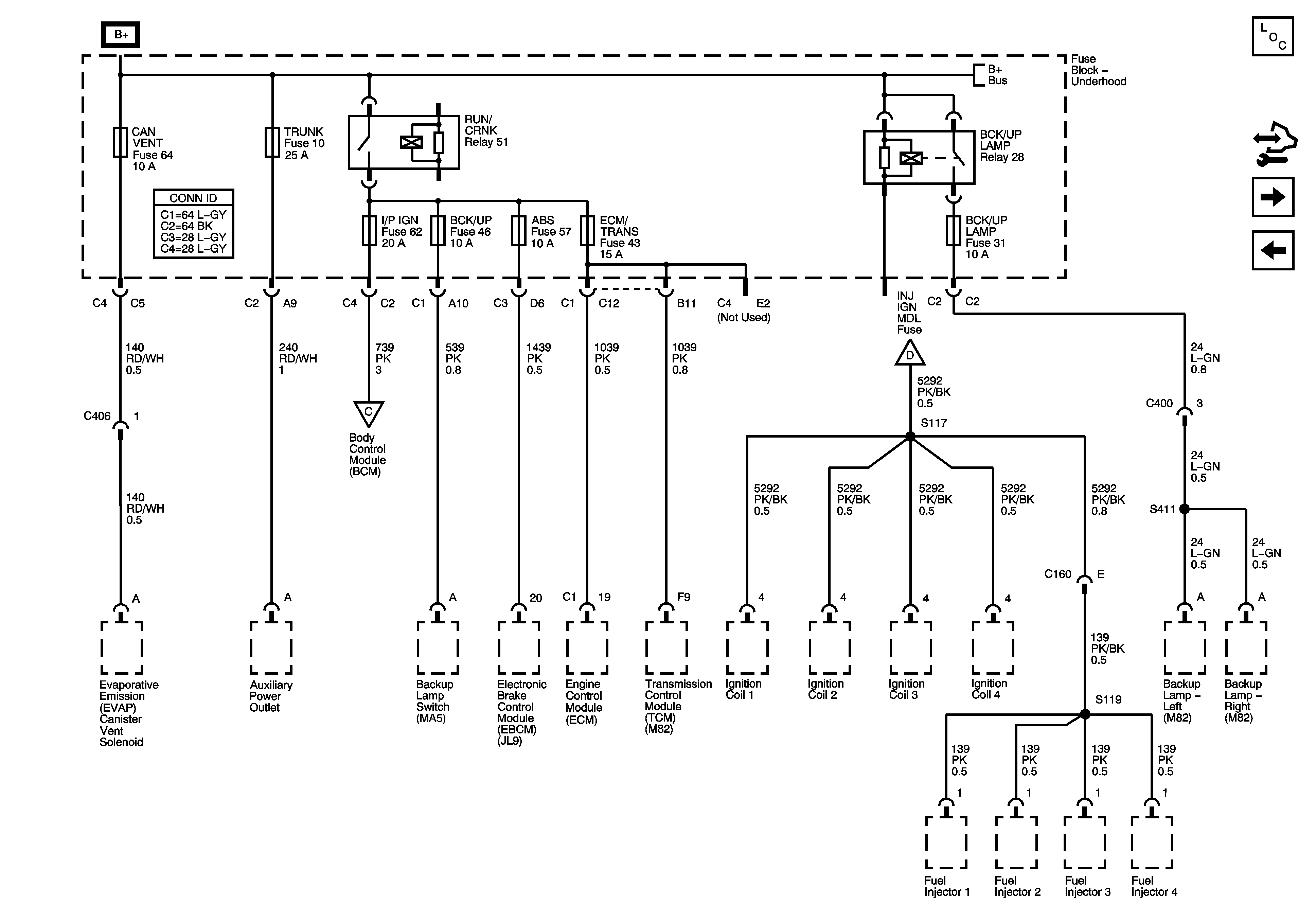
🢒 ABS 10A, BCK/UP, BCK/UP LAMP, CAN VENT, ECM/TRANS, I/P IGN, and TRUNK Fuses
ABS 10A, BCK/UP, BCK/UP LAMP, CAN VENT, ECM/TRANS, I/P IGN, and TRUNK Fuses
ABS 10A, BCK/UP, BCK/UP LAMP, CAN VENT, ECM/TRANS, I/P IGN, and TRUNK Fuses
Master Electrical Component List
Control Module References
DLC, ECM, EMISSIONS, INJ IGN MDL, and LIGHTER Fuses
LT LO BEAM, RT LO BEAM, LT HI BEAM, and RT HI BEAM Fuses
B+ Bus Bar - 1 of 2
DLC, ECM, EMISSIONS, INJ IGN MDL, and LIGHTER Fuses