GM Service Manual Online
For 1990-2009 cars only
Makes
🢒
Pontiac
🢒
2006
🢒
Solstice
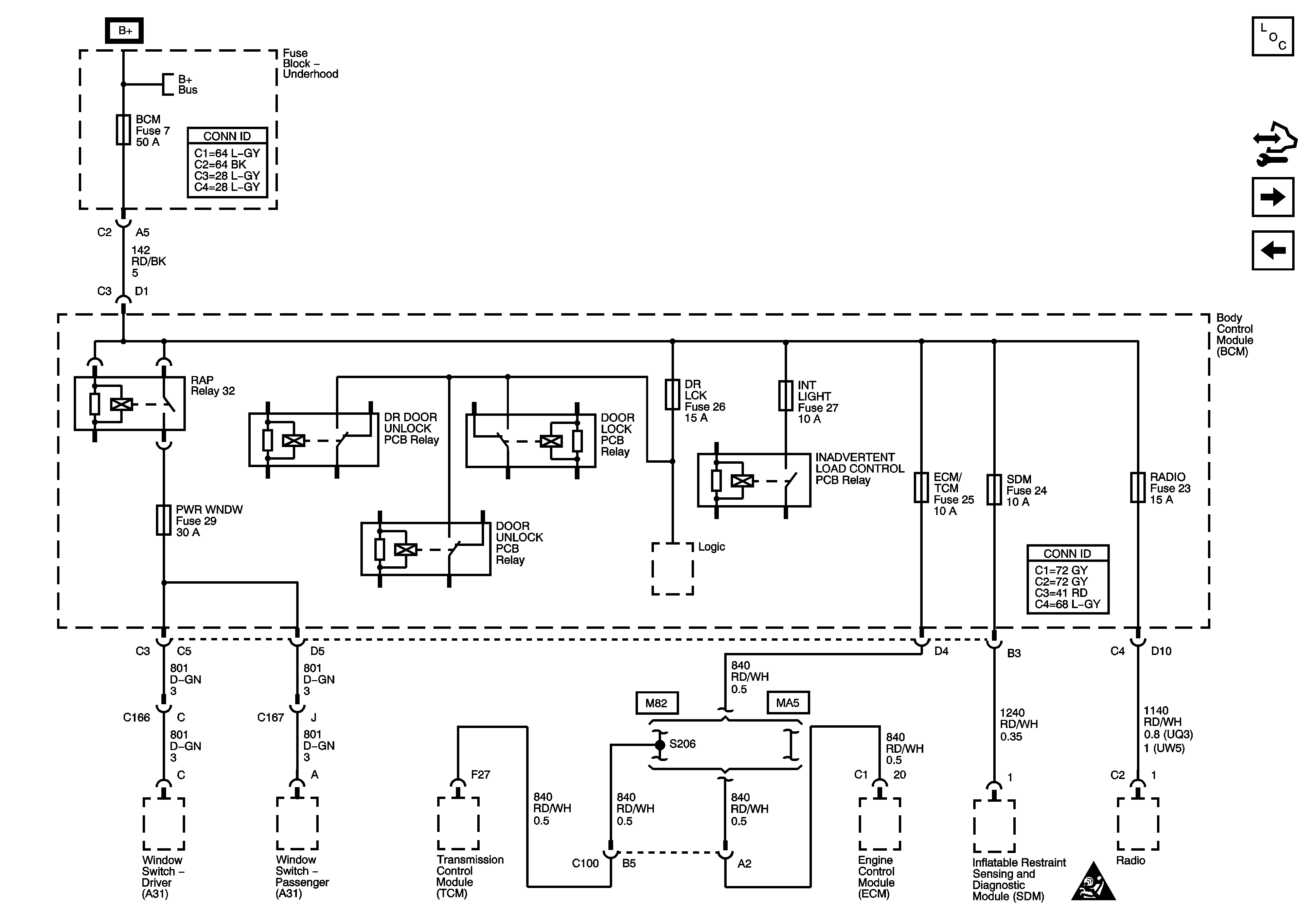
🢒 BCM, DR LCK, ECM/TCM, INT LIGHT, PWR WNDW, RADIO, and SDM Fuses
BCM, DR LCK, ECM/TCM, INT LIGHT, PWR WNDW, RADIO, and SDM Fuses
BCM, DR LCK, ECM/TCM, INT LIGHT, PWR WNDW, RADIO, and SDM Fuses
Master Electrical Component List
Control Module References
AIR BAG, AMP, BCM 2, BCM 3, CLSTR, EPS/STR WHL CNTRL, HVAC/IP IGN, HVAC/PK3+, and WPR Fuses
ABS 20A, ABS 30A, MIR, and S BAND ONSTAR Fuses
B+ Bus Bar - 2 of 2