GM Service Manual Online
For 1990-2009 cars only
Makes
🢒
Pontiac
🢒
2006
🢒
Solstice
🢒 Air Delivery and Temperature Controls
Air Delivery and Temperature Controls
Air Delivery and Temperature Controls
Master Electrical Component List
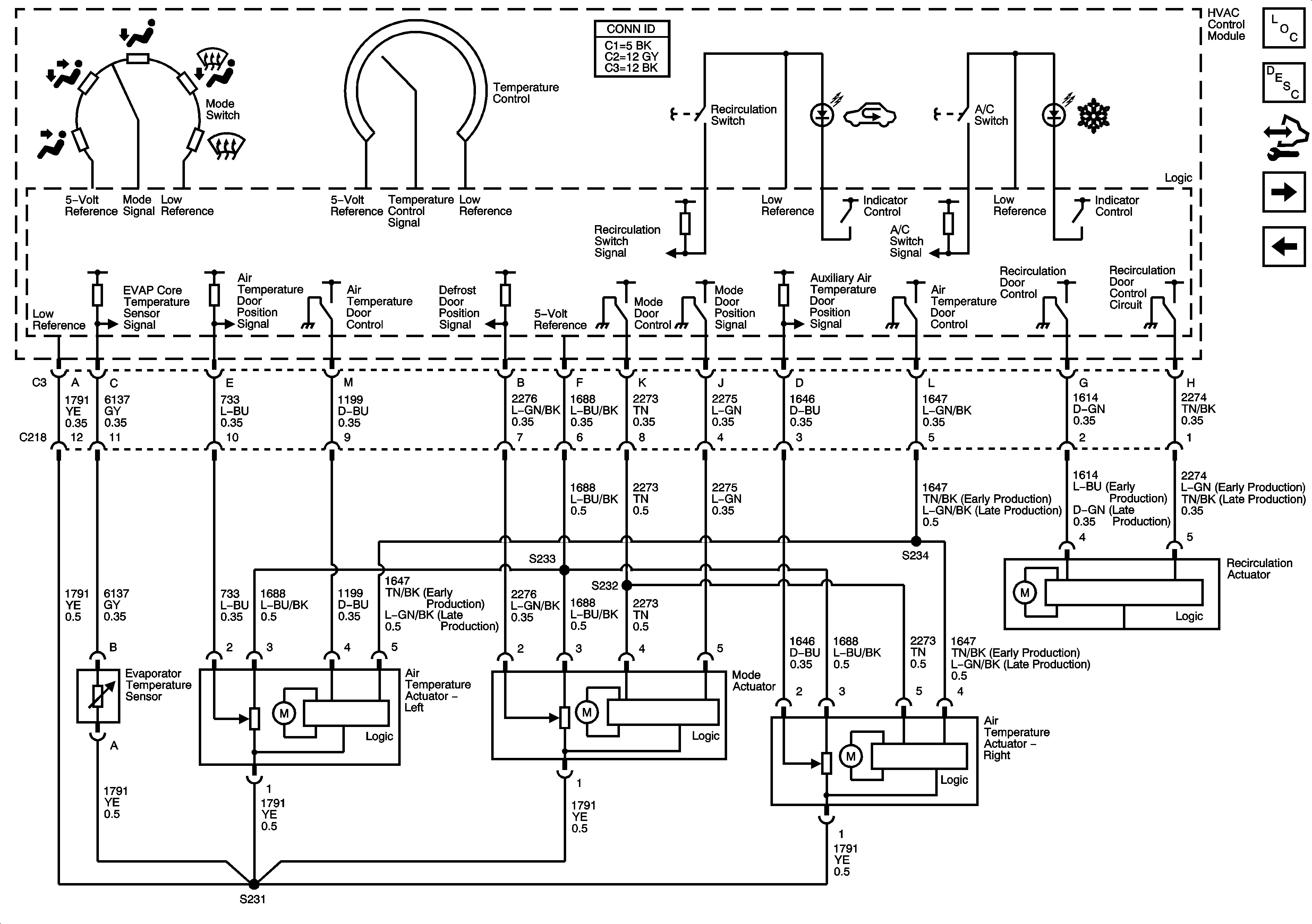
Air Temperature Description and Operation
Control Module References
A/C Compressor Controls
HVAC Control Module Power and Blower Controls