GM Service Manual Online
For 1990-2009 cars only
Makes
🢒
Pontiac
🢒
2006
🢒
Solstice
🢒 HVAC Control Module Power and Blower Controls
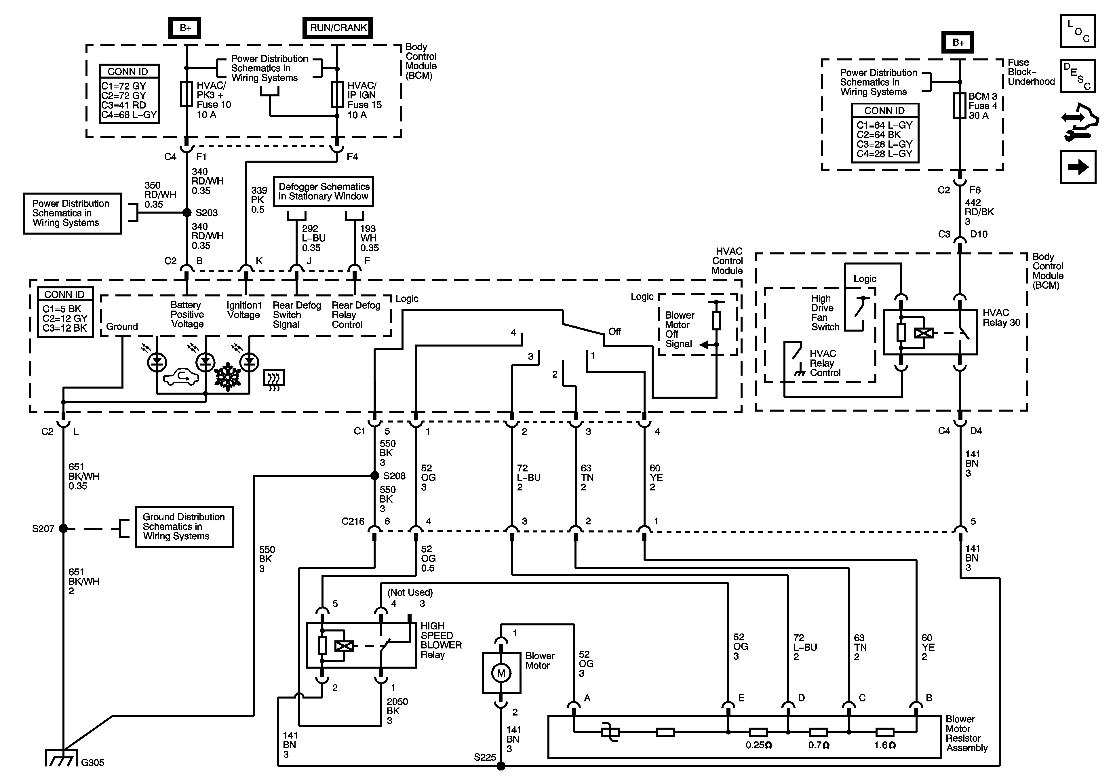
HVAC Control Module Power and Blower Controls
HVAC Control Module and Blower Controls
Master Electrical Component List
Air Delivery Description and Operation
Control Module References
Air Delivery and Temperature Controls
AIR BAG, AMP, BCM 2, BCM 3, CLSTR, EPS/STR WHL CNTRL, HVAC/IP IGN, HVAC/PK3+, and WPR Fuses
AIR BAG, AMP, BCM 2, BCM 3, CLSTR, EPS/STR WHL CNTRL, HVAC/IP IGN, HVAC/PK3+, and WPR Fuses
Defogger Schematics
B+ Bus Bar - 2 of 2
G305 (1 of 2)
G305 (1 of 2)