GM Service Manual Online
For 1990-2009 cars only
Makes
🢒
Pontiac
🢒
2006
🢒
Solstice
🢒 Fuel Controls - Fuel Pump Controls and Fuel Injectors
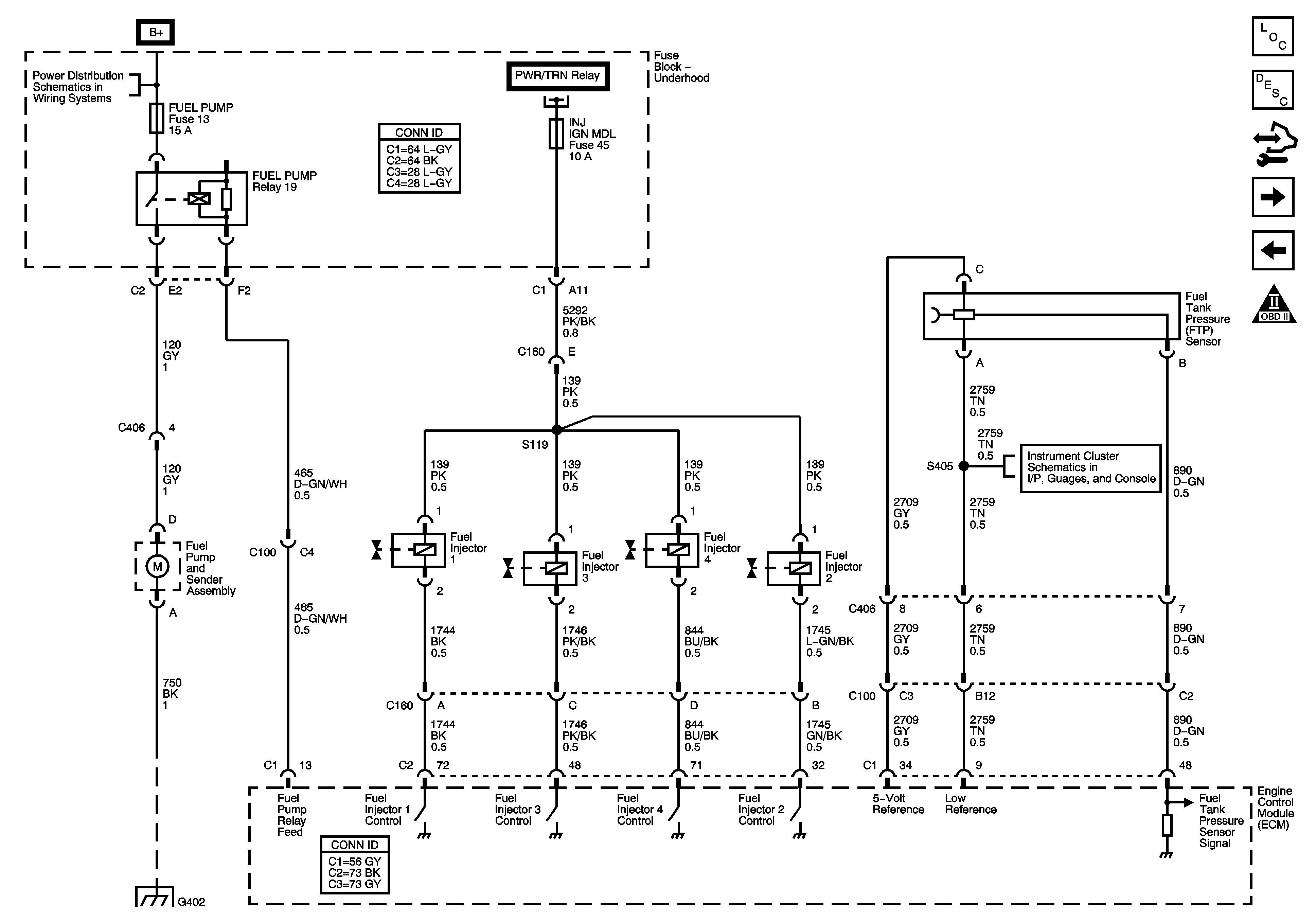
Fuel Controls - Fuel Pump Controls and Fuel Injectors
Fuel Controls - Fuel Pump Controls and Fuel Injectors
Master Electrical Component List
Fuel System Description
Control Module References
Ignition Controls - Ignition System
Ignition Controls - Semsors
Engine Controls Schematic Icons
B+ Bus Bar - 1 of 2
Instrument Cluster Schematics
G301, G102, G303, and G402