GM Service Manual Online
For 1990-2009 cars only
Makes
🢒
Pontiac
🢒
2006
🢒
Solstice
🢒 Instrument Cluster Schematics
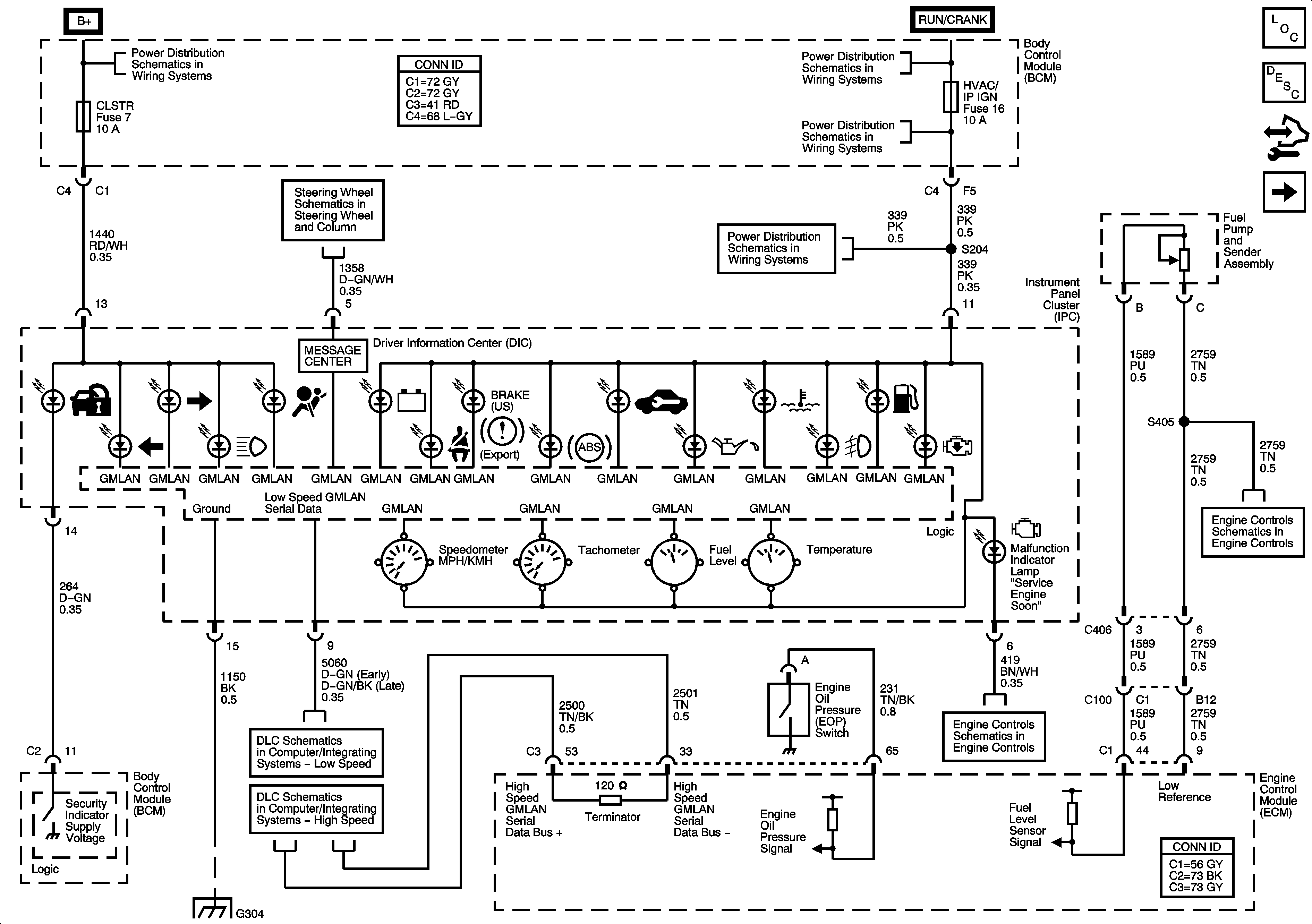
Instrument Cluster Schematics
Master Electrical Component List
Instrument Cluster Description and Operation
Control Module References
Electronic PRNDL
AIR BAG, AMP, BCM 2, BCM 3, CLSTR, EPS/STR WHL CNTRL, HVAC/IP IGN, HVAC/PK3+, and WPR Fuses
Redundant Steering Wheel Controls Schematics
AIR BAG, AMP, BCM 2, BCM 3, CLSTR, EPS/STR WHL CNTRL, HVAC/IP IGN, HVAC/PK3+, and WPR Fuses
AIR BAG, AMP, BCM 2, BCM 3, CLSTR, EPS/STR WHL CNTRL, HVAC/IP IGN, HVAC/PK3+, and WPR Fuses
AIR BAG, AMP, BCM 2, BCM 3, CLSTR, EPS/STR WHL CNTRL, HVAC/IP IGN, HVAC/PK3+, and WPR Fuses
DLC Power, Ground, and Low Speed LAN
High Speed GMLAN
G103, G204, G105, G104, and G106
Module Power, Ground, Serial Data, and MIL
Fuel Controls - Fuel Pump Controls and Fuel Injectors