GM Service Manual Online
For 1990-2009 cars only
Makes
🢒
Pontiac
🢒
2006
🢒
Solstice
🢒 Engine Cooling Schematics
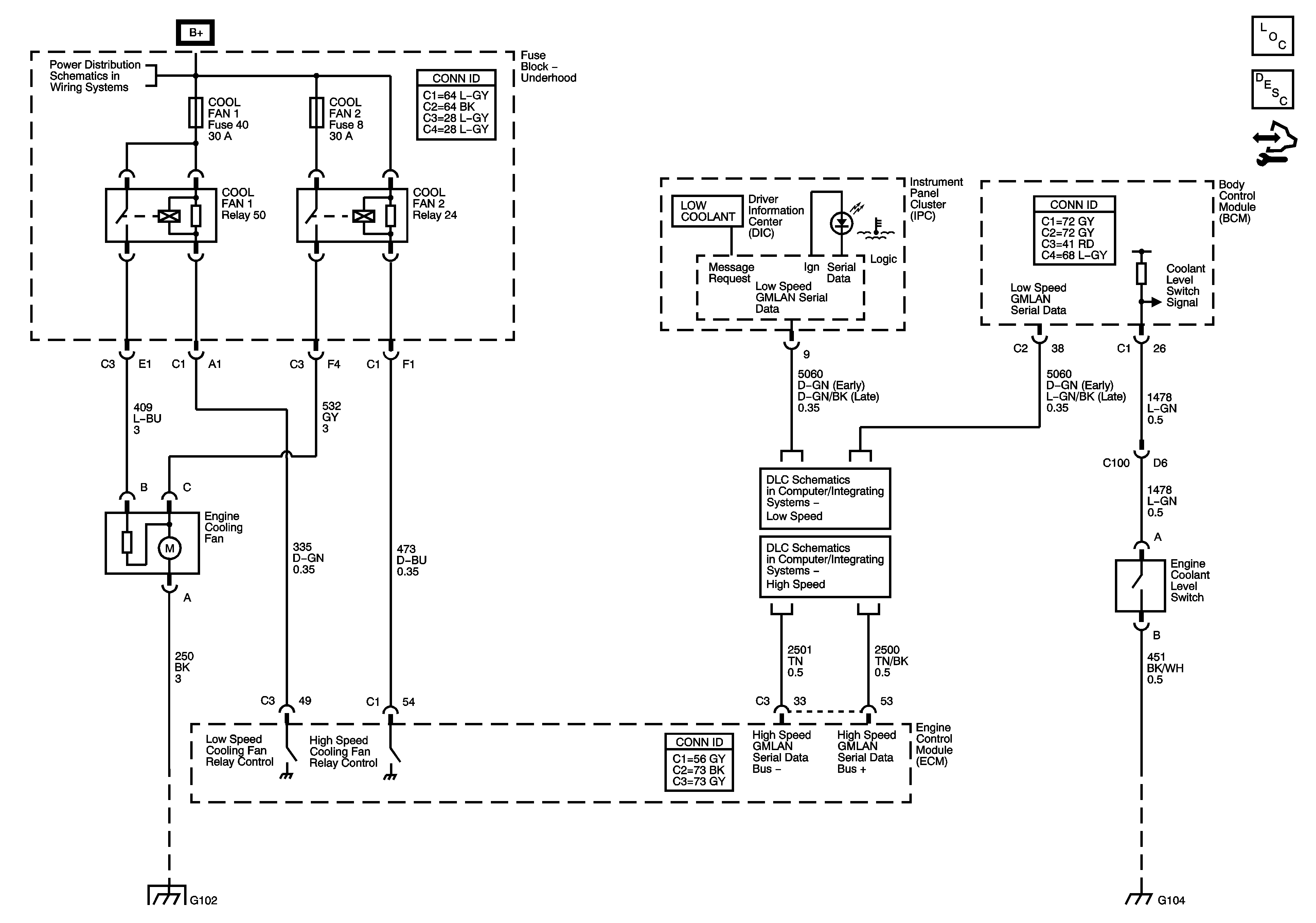
Engine Cooling Schematics
Master Electrical Component List
Cooling System Description and Operation
Control Module References
B+ Bus Bar - 2 of 2
DLC Power, Ground, and Low Speed LAN
High Speed GMLAN
G101 and G102
G103, G204, G105, G104, and G106