GM Service Manual Online
For 1990-2009 cars only
Makes
🢒
Pontiac
🢒
2006
🢒
Solstice
🢒 Horns Schematics
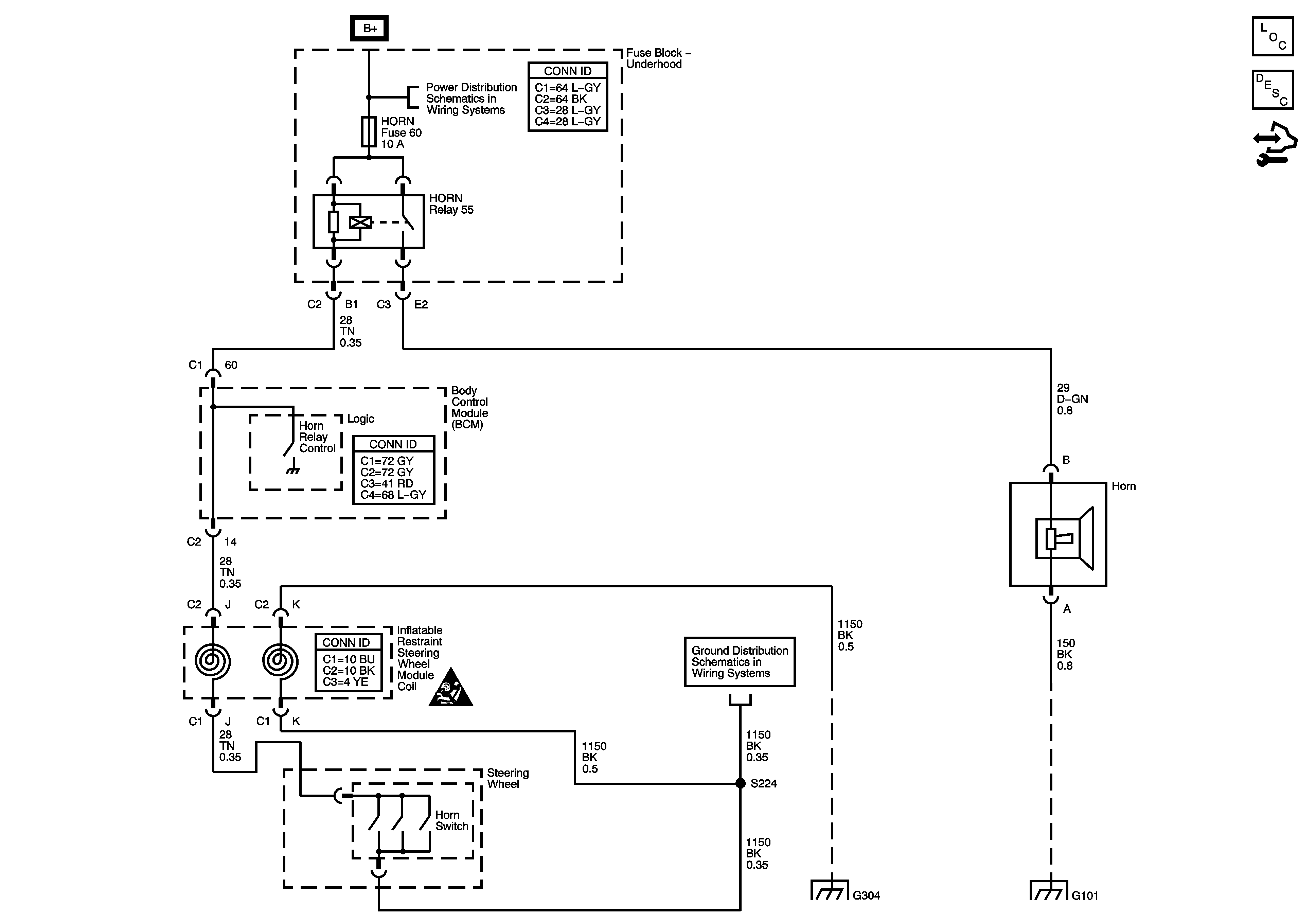
Horns Schematics
Master Electrical Component List
Horns System Description and Operation
Control Module References
B+ Bus Bar - 2 of 2
G103, G204, G105, G104, and G106
G101 and G102