GM Service Manual Online
For 1990-2009 cars only
Makes
🢒
Pontiac
🢒
2006
🢒
Solstice
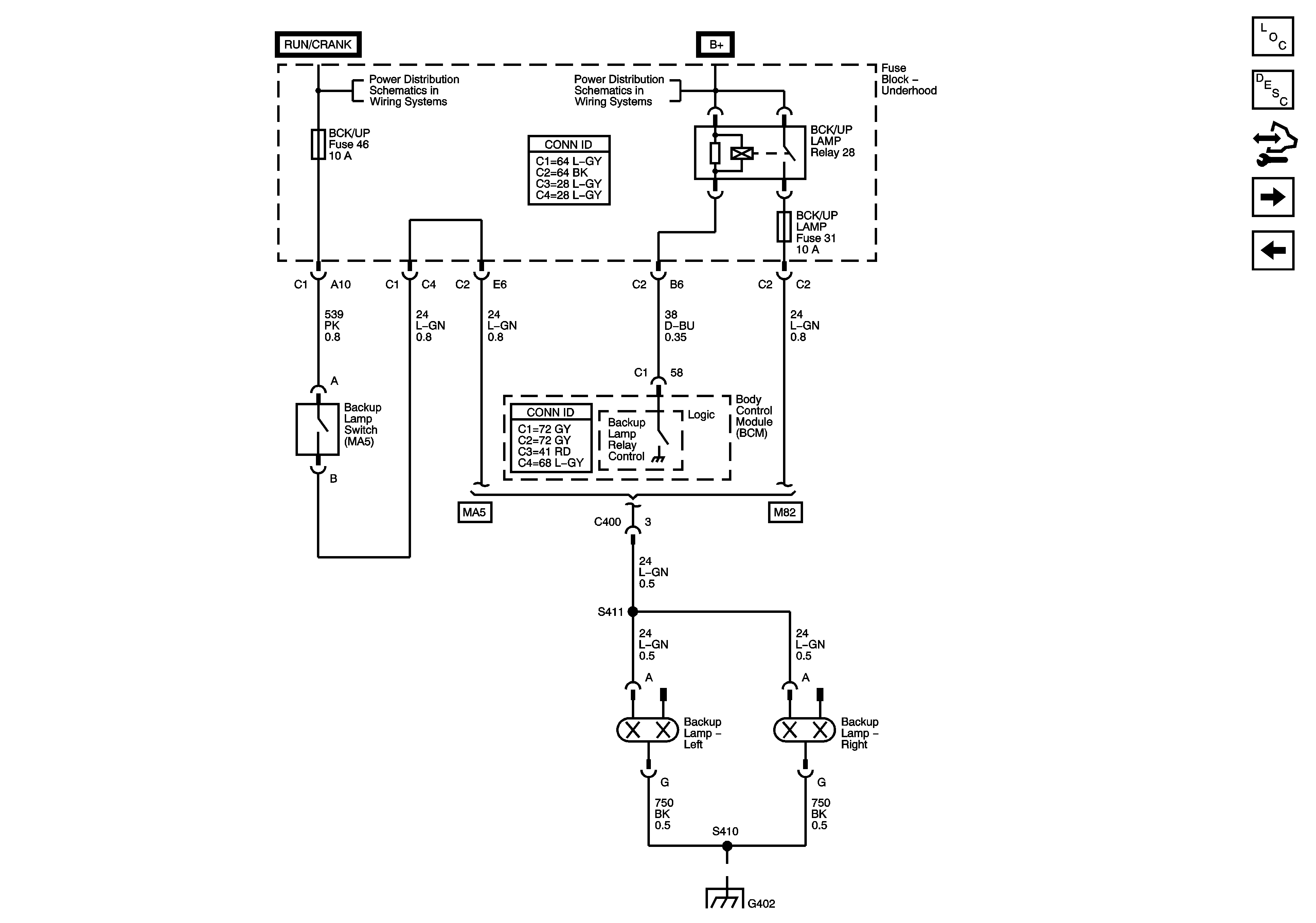
🢒 Backup Lamps
Backup Lamps
Backup Lamps
Master Electrical Component List
Exterior Lighting Systems Description and Operation
Control Module References
Stop and Turn Signal Lamps
Hazards and Park Lamps
B+ Bus Bar - 1 of 2
ABS 10A, BCK/UP, BCK/UP LAMP, CAN VENT, ECM/TRANS, I/P IGN, and TRUNK Fuses
G301, G102, G303, and G402