GM Service Manual Online
For 1990-2009 cars only
Makes
🢒
Pontiac
🢒
2006
🢒
Solstice
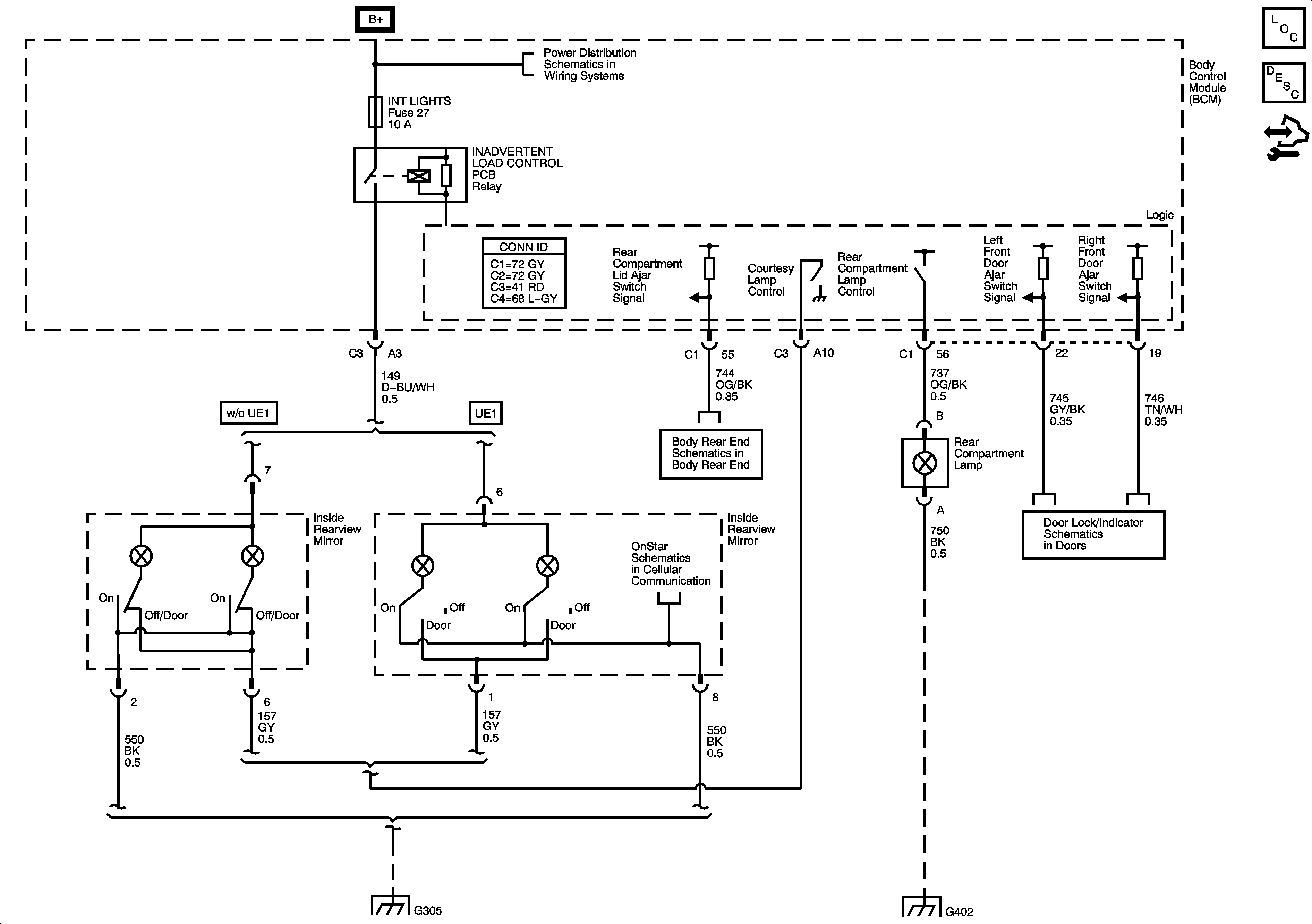
🢒 Interior Lights Schematics
Interior Lights Schematics
Master Electrical Component List
Interior Lighting Systems Description and Operation
Control Module References
Body Rear End Schematics
G305 (2 of 2)
G301, G102, G303, and G402