- If replacing the balance shaft timing chain, perform the following steps, if not proceed to step 10.
- Install the balance shaft drive sprocket.
Important: If the balance shafts are not properly timed to the engine, the engine may vibrate or make noise.
- Install the balance shaft drive chain (1) with the colored link lined up with the marks on the balance shaft sprockets and the balance shaft drive sprocket. There are three colored links on the chain. Two are chrome and one is copper. Use the following
steps in order to line up the links with the sprockets.
| • | Place the copper link (5) so that it lines up with the timing mark (2) on the intake side balance shaft sprocket. |
| • | Working clockwise around the chain, place the chrome link (4) in line with the timing mark (3) on the balance shaft drive sprocket. (approximately 6 o'clock position on the sprocket). |
| • | Place the chain (7) on the water pump drive sprocket. The alignment is not critical. |
| • | Align the last chrome link (6) with the timing mark (1) on the exhaust side balance shaft drive sprocket. |
Notice: Refer to Fastener Notice in the Preface section.
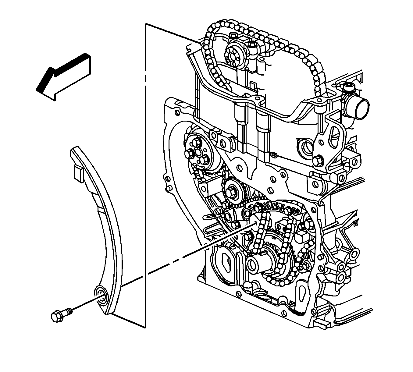
- Install the upper balance shaft drive chain guide and bolts.
Tighten
Tighten the bolts to 15 N·m (11 lb ft).
- Install the small balance shaft drive chain guide and bolts.
Tighten
Tighten the bolts to 15 N·m (11 lb ft).
- Install the adjustable balance shaft chain guide and bolt.
Tighten
Tighten the bolt to 10 N·m (89 lb in).
- Reset the timing chain tensioner by performing the following steps:
| 7.1. | Rotate the tensioner plunger 90 degrees in its bore and compress the plunger. |
| 7.2. | Rotate the tensioner back to the original 12 o'clock position and insert a paper clip through the hole in the plunger body and into the hose in the tensioner plunger. |
- Install the balance shaft drive chain tensioner and bolts.
Tighten
Tighten the bolts to 10 N·m (89 lb in).
- Remove the paper clip from the balance shaft drive chain tensioner.
- Ensure the intake camshaft notch is
in the 5 o'clock position (2) and the exhaust camshaft notch is in the 7 o'clock position (1). The number 1 piston should be at top dead center (TDC), crankshaft key at 12 o'clock.
- Install the timing chain drive sprocket to the crankshaft with the timing mark in the 5 o'clock position
and the front of the sprocket facing out.
Important:
| • | There are 3 colored links on the timing chain. 2 links are of matching color, and 1 link is of a unique color. Use the following procedure to line up the links with the actuators. Orient the chain so that the colored links are
visible. |
| • | Always use new actuator bolts. |
- Assemble the intake camshaft actuator into the timing chain with the timing mark lined up with the uniquely colored link (1).
- Lower the timing chain through the opening in the cylinder
head. Use care to ensure that the chain goes around both sides of the cylinder block bosses (1, 2).
- Install the intake camshaft actuator onto the intake camshaft while aligning the dowel pin into the camshaft slot.
- Hand tighten the new intake camshaft actuator bolt.
- Route the timing chain around the crankshaft sprocket and line up the first matching colored link with the
timing mark on the crankshaft sprocket, in approximately the 5 o'clock position.
- Rotate the crankshaft clockwise to remove all chain slack. Do not rotate the intake camshaft.
- Install the adjustable timing chain guide down through the opening in the cylinder head and install the adjustable timing chain bolt.
Tighten
Tighten the adjustable timing chain guide bolt to 10 N·m (89 lb in).
Important: Always install NEW actuator bolts.
- Install the exhaust camshaft actuator into the timing chain with the timing mark lined up with the second matching colored link.
- Install the exhaust camshaft actuator onto the exhaust camshaft, aligning the dowel pin into the camshaft
slot.
- Using a 23 mm open end wrench, rotate the exhaust camshaft approximately 45 degrees until the dowel pin in the camshaft actuator goes into the camshaft slot.
- When the actuator seats on the cam, tighten the new exhaust camshaft actuator bolt hand tight.
- Verify that all of the colored links and the appropriate timing marks are still
aligned. If they are not aligned, repeat the portion of the procedure necessary to align the timing marks.
- Install the fixed timing chain guide and bolts.
Tighten
Tighten the fixed timing chain guide bolts to 12 N·m (106 lb in).
- Install the upper timing chain guide and bolts.
Tighten
Tighten the upper timing chain guide bolts to 10 N·m (89 lb in).
- Reset the timing chain tensioner by
performing the following steps:
| 26.1. | Remove the snap ring. |
| 26.2. | Remove the piston assembly from the body of the timing chain tensioner. |
| 26.3. | Install the J 45027-2 (2) into a vise. |
| 26.4. | Install the notch end of the piston assembly into the J 45027-2 (2). |
| 26.5. | Using the J 45027-1 (1), turn the ratchet cylinder into the piston. |
| 26.6. | Reinstall the piston assembly into the body of the tensioner. |
| 26.7. | Install the snap ring. |
- Inspect the timing chain tensioner seal for damage. If damaged, replace the seal.
- Inspect to ensure all dirt and debris is removed from the timing chain tensioner threaded hole in the cylinder head.
Important: Ensure the timing chain tensioner seal is centered throughout the torque procedure to eliminate the possibility of an oil leak.
- Install the timing chain tensioner assembly.
Tighten
Tighten the timing chain tensioner to 75 N·m (55 lb ft).
- The timing chain tensioner is released by compressing it 2 mm (0.079 in), which will release the locking mechanism in the ratchet. To release the timing chain tensioner, use a suitable tool with a rubber tip on the end. Feed the tool
down through the cam drive chest to rest on the cam chain. Then give a sharp jolt diagonally downwards to release the tensioner.
- Using a 23 mm wrench, engage the hex on the intake camshaft, and using a torque wrench, tighten the
camshaft actuator bolt.
Tighten
Tighten the intake camshaft position actuator bolt to 30 N·m (22 lb ft), plus 100 degrees using the
J 45059
.
- Using a 23 mm wrench, engage the hex on the exhaust camshaft, and using a torque wrench, tighten the camshaft actuator bolt.
Tighten
Tighten the exhaust camshaft position actuator bolt to 30 N·m (22 lb ft), plus 100 degrees using the
J 45059
.
- Install the timing chain oiling nozzle.
Tighten
Tighten the timing chain oiling nozzle bolt to 10 N·m (89 lb in).
- Apply sealant compound GM P/N 12345382 (Canadian P/N 10953489) to the thread of
the timing chain guide bolt access hole plug.
- Install the timing chain guide bolt access hole plug.
Tighten
Tighten the access hole plug to 90 N·m (66 lb ft).
- Install the engine front cover. Refer to
Engine Front Cover Replacement
.
- Install the camshaft cover. Refer to
Camshaft Cover Replacement
.
- Install the #1 cylinder spark plug. Refer to
Spark Plug Replacement
.
- Install the hood. Refer to
Hood Replacement
.