GM Service Manual Online
For 1990-2009 cars only
Makes
🢒
Pontiac
🢒
2007
🢒
Solstice
🢒
Body Systems
🢒
Lighting
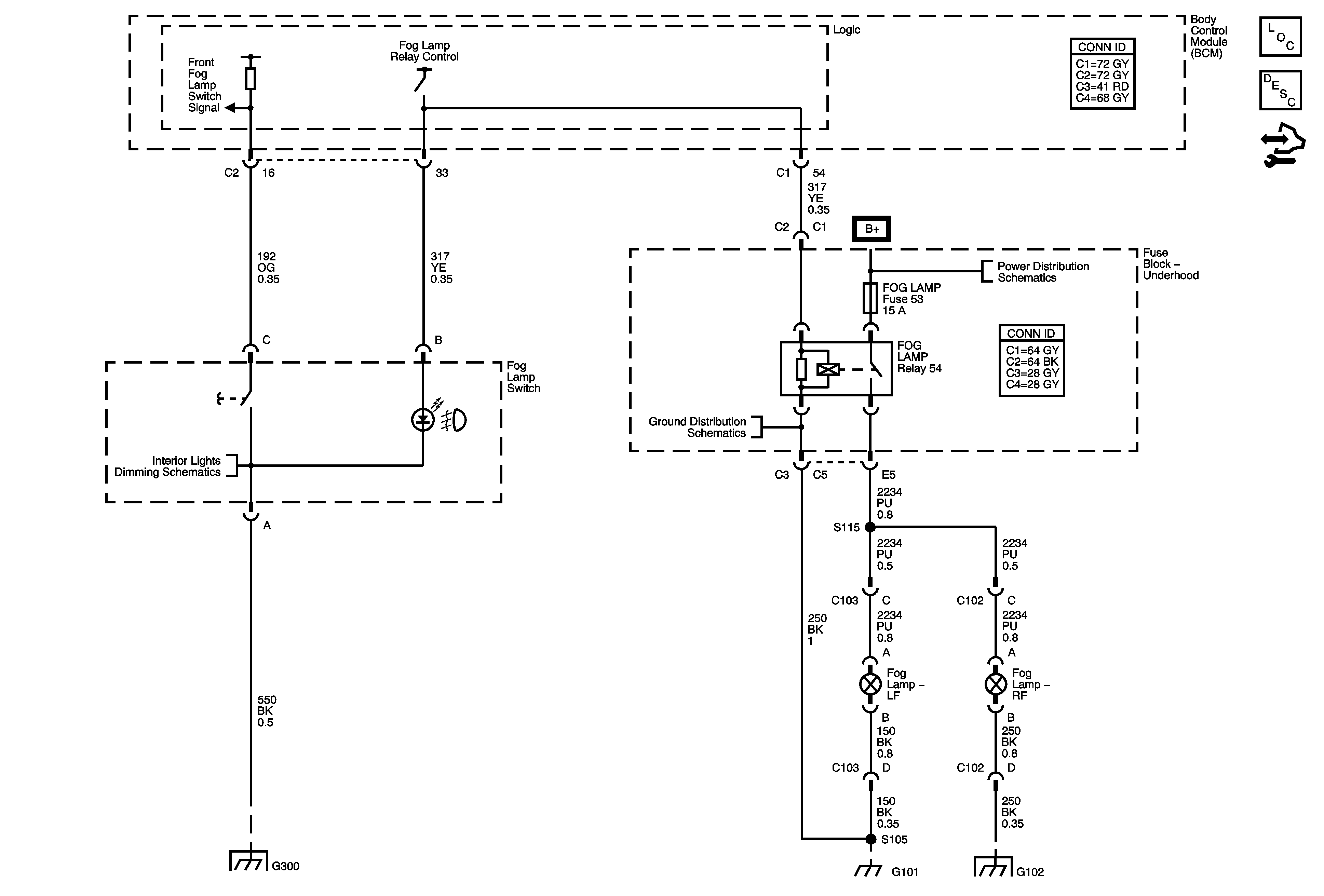
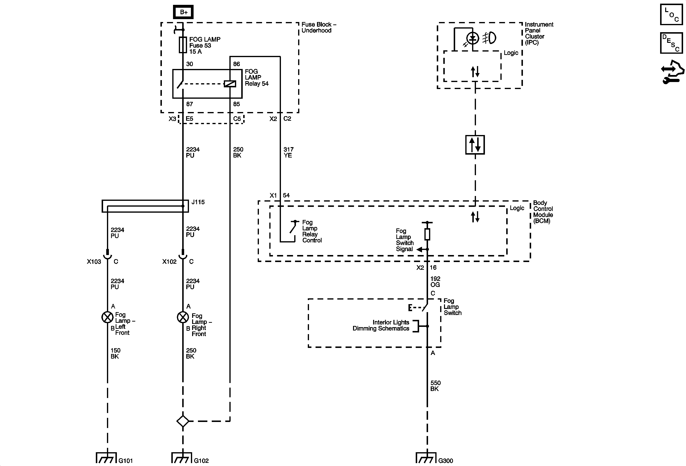
🢒 Fog Lights Schematics
Master Electrical Component List
Exterior Lighting Systems Description and Operation
Control Module References
Lights
G101 and G102
B+ Bus Bar - 2 of 2
G300 - 2 of 2
G101 and G102
G101 and G102
Master Electrical Component List
Exterior Lighting Systems Description and Operation
Control Module References
B+ Bus Bar - 2 of 2
B+ Bus Bar - 2 of 2
B+ Bus Bar - 1 of 2
G300 - 2 of 2
G101 and G102
G101 and G102
G301, G102, G303, and G402
G300 - 2 of 2