GM Service Manual Online
For 1990-2009 cars only
Makes
🢒
Pontiac
🢒
2007
🢒
Solstice
🢒
Brakes
🢒
Hydraulic Brakes
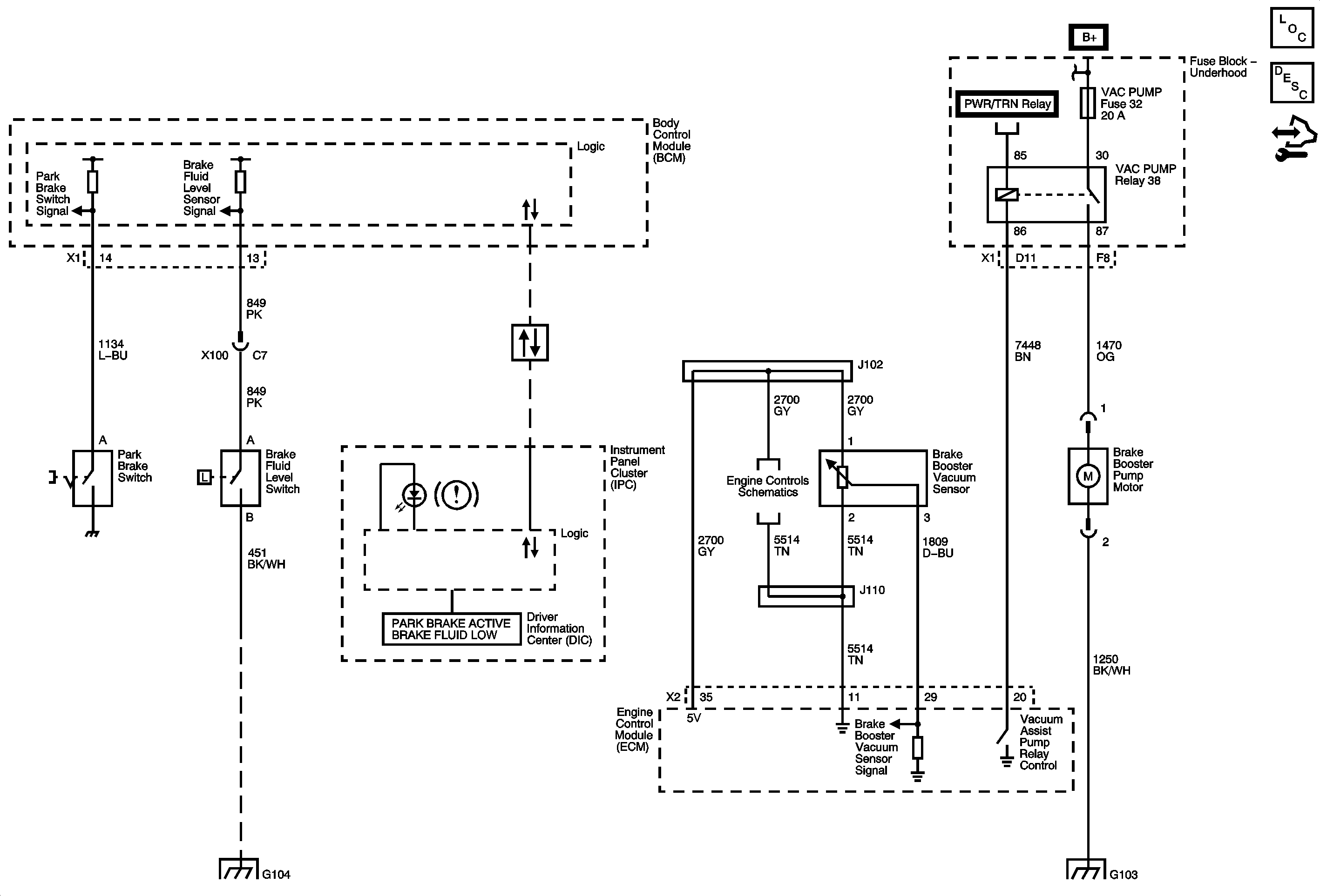
🢒 Hydraulic Brake Schematics
Master Electrical Component List
Brake Booster Vacuum Assist Description and Operation
Control Module References
B+ Bus Bar - 2 of 2
High Speed LAN
G103, G304, G105, G104, and G106
G103, G304, G105, G104, and G106
Master Electrical Component List
Brake Assist System Description and Operation
Control Module References
G103, G304, G105, G104, and G106
Data Communication Schematics
B+ Bus Bar - 2 of 2
B+ Bus Bar - 1 of 2
G103, G304, G105, G104, and G106