GM Service Manual Online
For 1990-2009 cars only
Makes
🢒
Pontiac
🢒
2007
🢒
Solstice
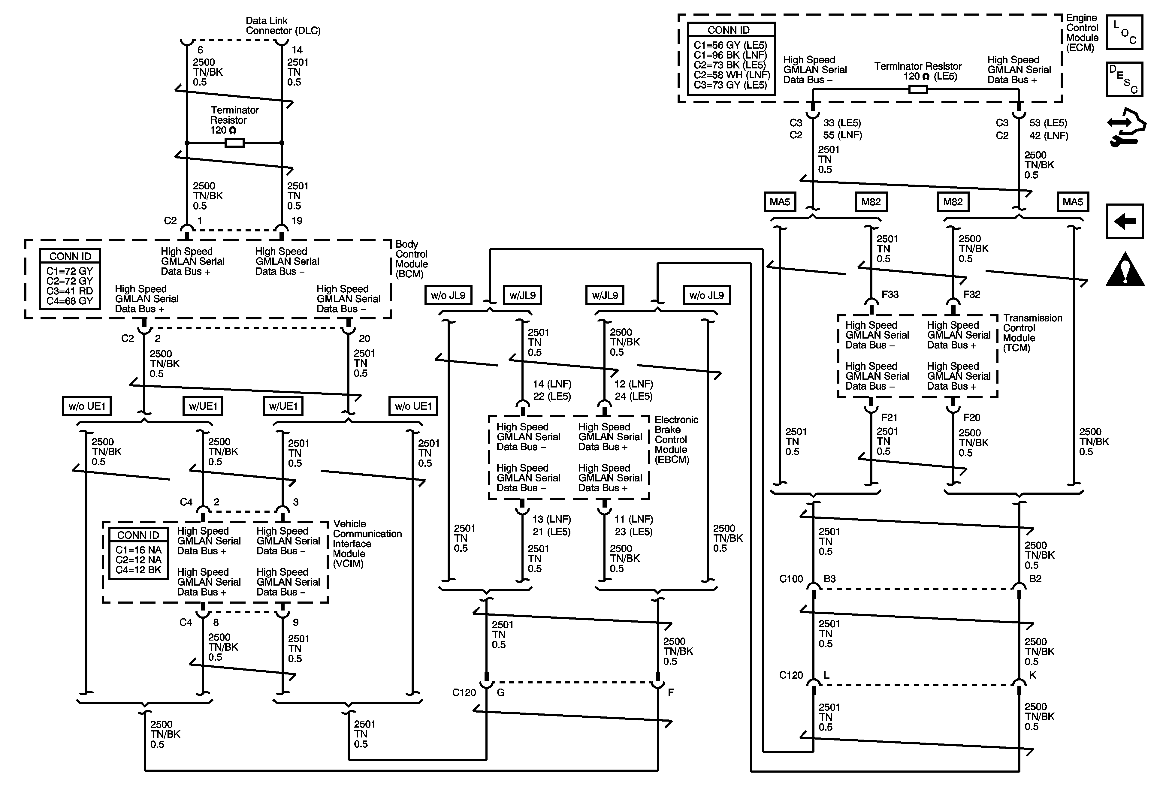
🢒 High Speed LAN
High Speed LAN
High Speed LAN
Master Electrical Component List
Data Link Communications Description and Operation
Control Module References
Low Speed LAN
Data Communication Schematic Icons