GM Service Manual Online
For 1990-2009 cars only
Makes
🢒
Pontiac
🢒
2007
🢒
Solstice
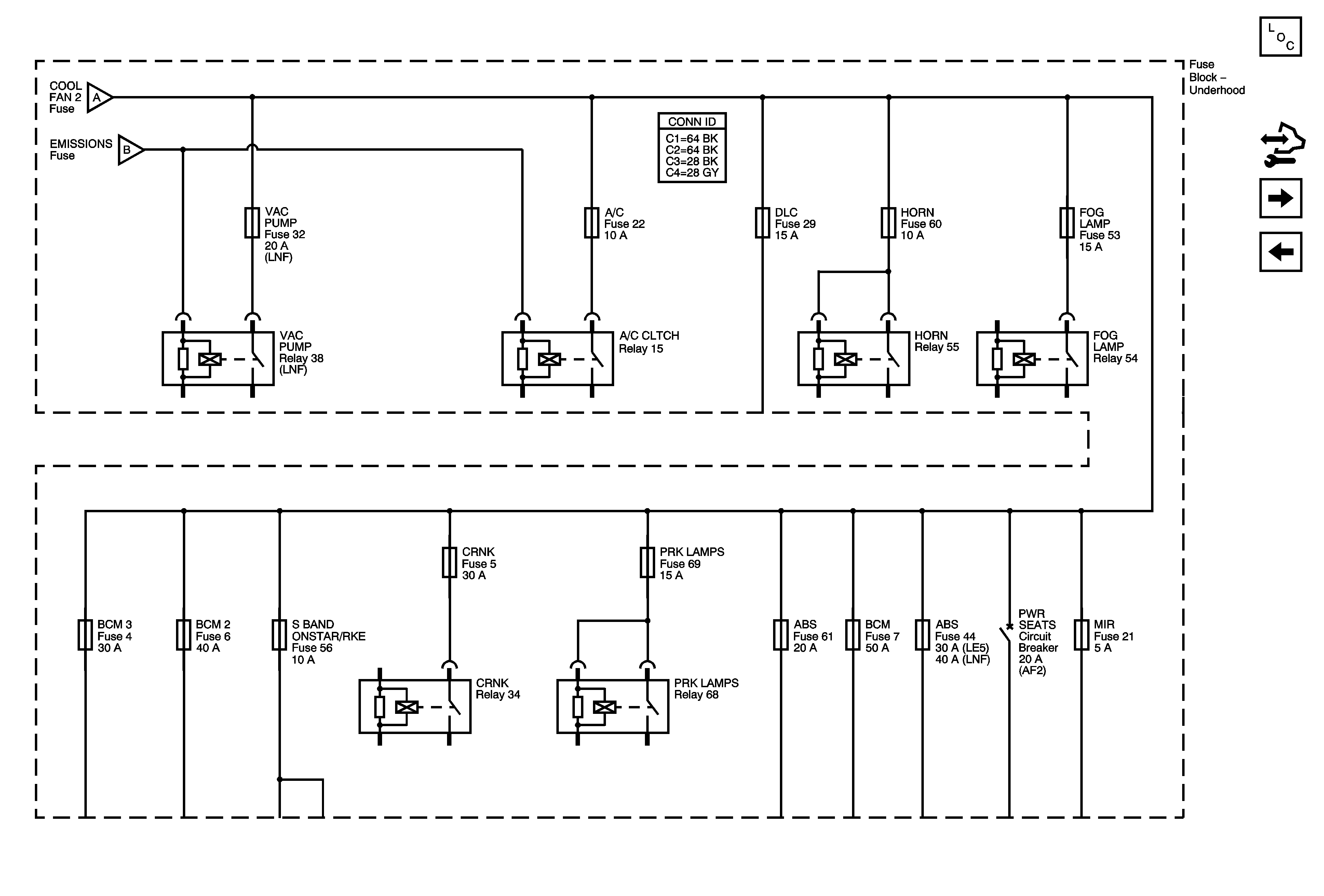
🢒 B+ Bus - 2 of 2
B+ Bus - 2 of 2
B+ Bus - 2 of 2
Master Electrical Component List
Control Module References
Fuse Block-Underhood DRL, LT HI BEAM, LT LO BEAM, RT HI BEAM, RT LO BEAM Fuses, and DRL, HI BEAM, LO BEAM Relays
B+ Bus - 1 of 2
B+ Bus - 1 of 2
B+ Bus - 1 of 2