GM Service Manual Online
For 1990-2009 cars only
Makes
🢒
Pontiac
🢒
2007
🢒
Solstice
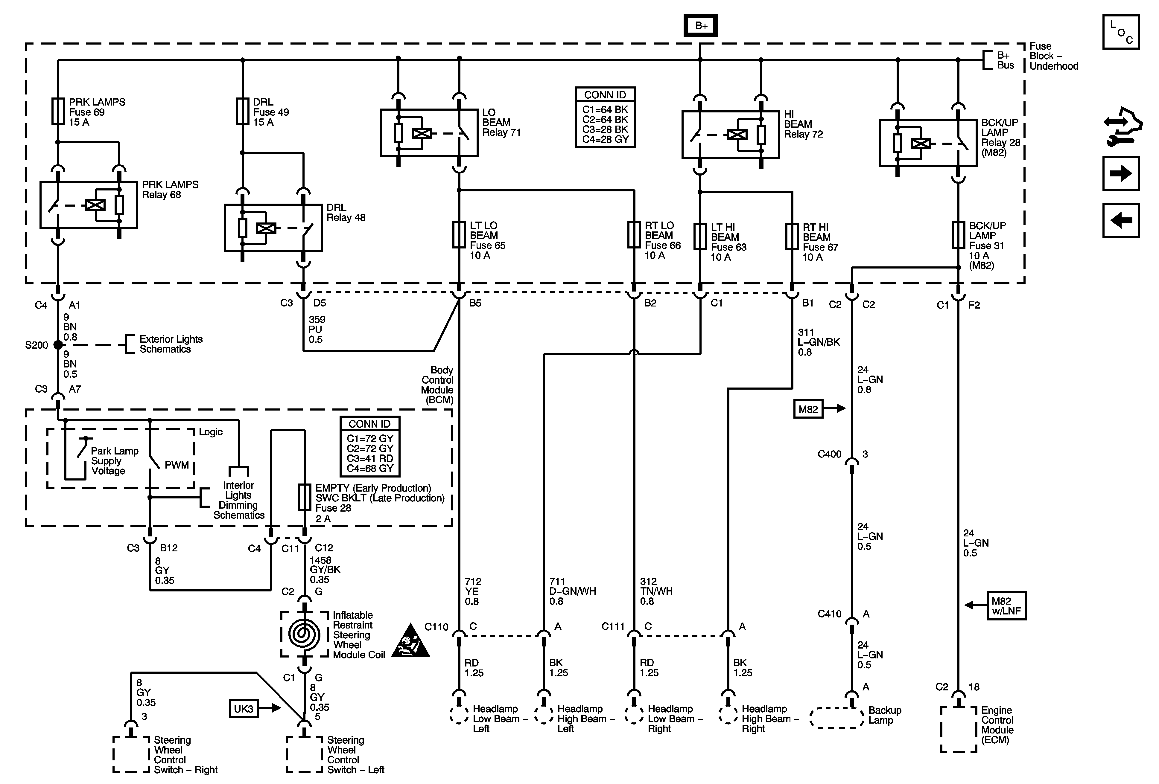
🢒 Fuse Block-Underhood DRL, LT HI BEAM, LT LO BEAM, RT HI BEAM, RT LO BEAM Fuses, and DRL, HI BEAM, LO BEAM Relays
Fuse Block-Underhood DRL, LT HI BEAM, LT LO BEAM, RT HI BEAM, RT LO BEAM Fuses, and DRL, HI BEAM, LO BEAM Relays
Fuse Block - Underhood DRL, LT HI BEAM, LT LO BEAM, RT HI BEAM, RT LO BEAM Fuses and DRL, HI BEAM, LO BEAM Relays
Master Electrical Component List
Control Module References
Fuse Block-Underhood ABS, BCK/UP LAMP, CAN VENT, ECM/TRANS, I/P IGN, OUTLET Fuses, RUN/CRNK Relay, and BCM Fuses: AIRBAG, EPS/STR WHL CNTRL, HVAC/IP IGN, WPR
B+ Bus - 2 of 2
B+ Bus - 1 of 2
Hazard and Park Lamps
Dimming Controls
Power and Grounding Schematic Icons