GM Service Manual Online
For 1990-2009 cars only
Makes
🢒
Pontiac
🢒
2007
🢒
Solstice
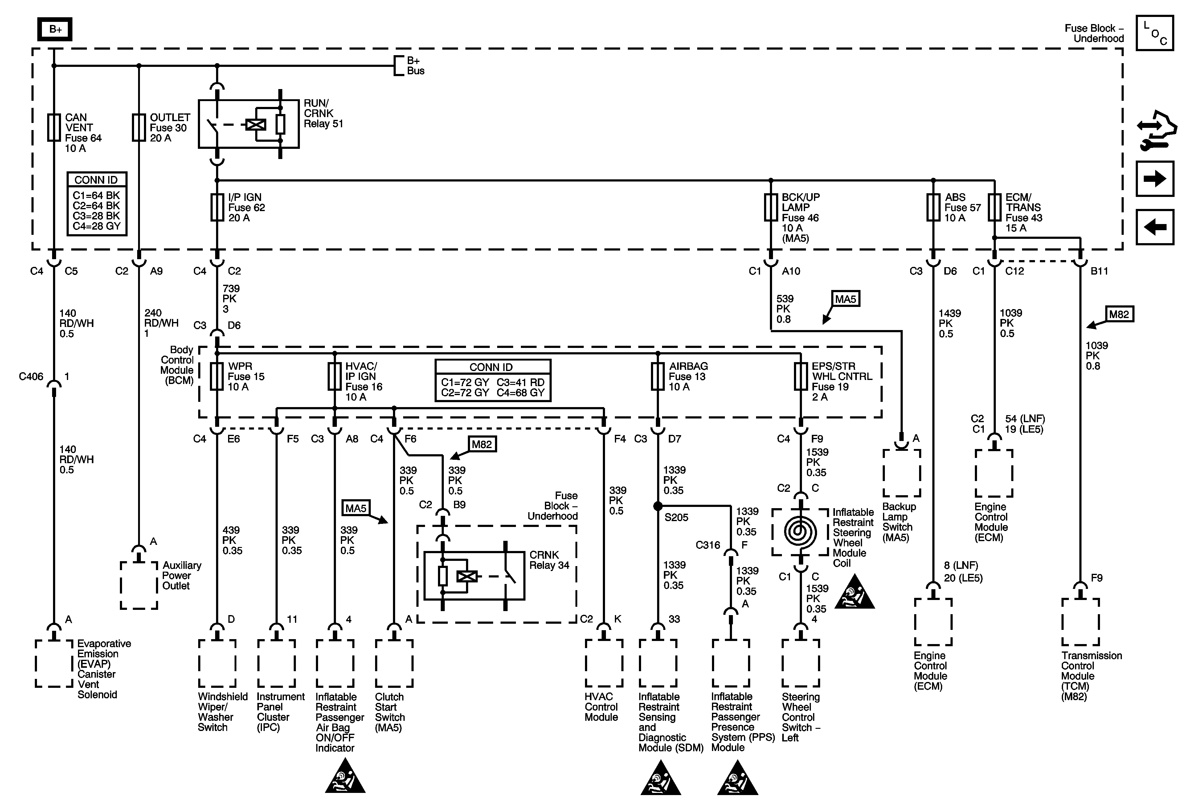
🢒 Fuse Block-Underhood ABS, BCK/UP LAMP, CAN VENT, ECM/TRANS, I/P IGN, OUTLET Fuses, RUN/CRNK Relay, and BCM Fuses: AIRBAG, EPS/STR WHL CNTRL, HVAC/IP IGN, WPR
Fuse Block-Underhood ABS, BCK/UP LAMP, CAN VENT, ECM/TRANS, I/P IGN, OUTLET Fuses, RUN/CRNK Relay, and BCM Fuses: AIRBAG, EPS/STR WHL CNTRL, HVAC/IP IGN, WPR
Fuse Block - Underhood ABS, BCK/UP LAMP, CAN VENT, ECM/TRANS, I/P IGN, OUTLET Fuses, RUN/CRNK Relay and BCM Fuses: AIRBAG, EPS/STR WHL CNTRL, HVAC/IP IGN, WPR
Master Electrical Component List
Control Module References
Fuse Block-Underhood DLC, ECM, EXH, INJ IGN MDL, and TURBO Fuses, and PWR/TRN Relay
Fuse Block-Underhood DRL, LT HI BEAM, LT LO BEAM, RT HI BEAM, RT LO BEAM Fuses, and DRL, HI BEAM, LO BEAM Relays
B+ Bus - 1 of 2
Power and Grounding Schematic Icons
Power and Grounding Schematic Icons
Power and Grounding Schematic Icons
Power and Grounding Schematic Icons