GM Service Manual Online
For 1990-2009 cars only
Makes
🢒
Pontiac
🢒
2007
🢒
Solstice
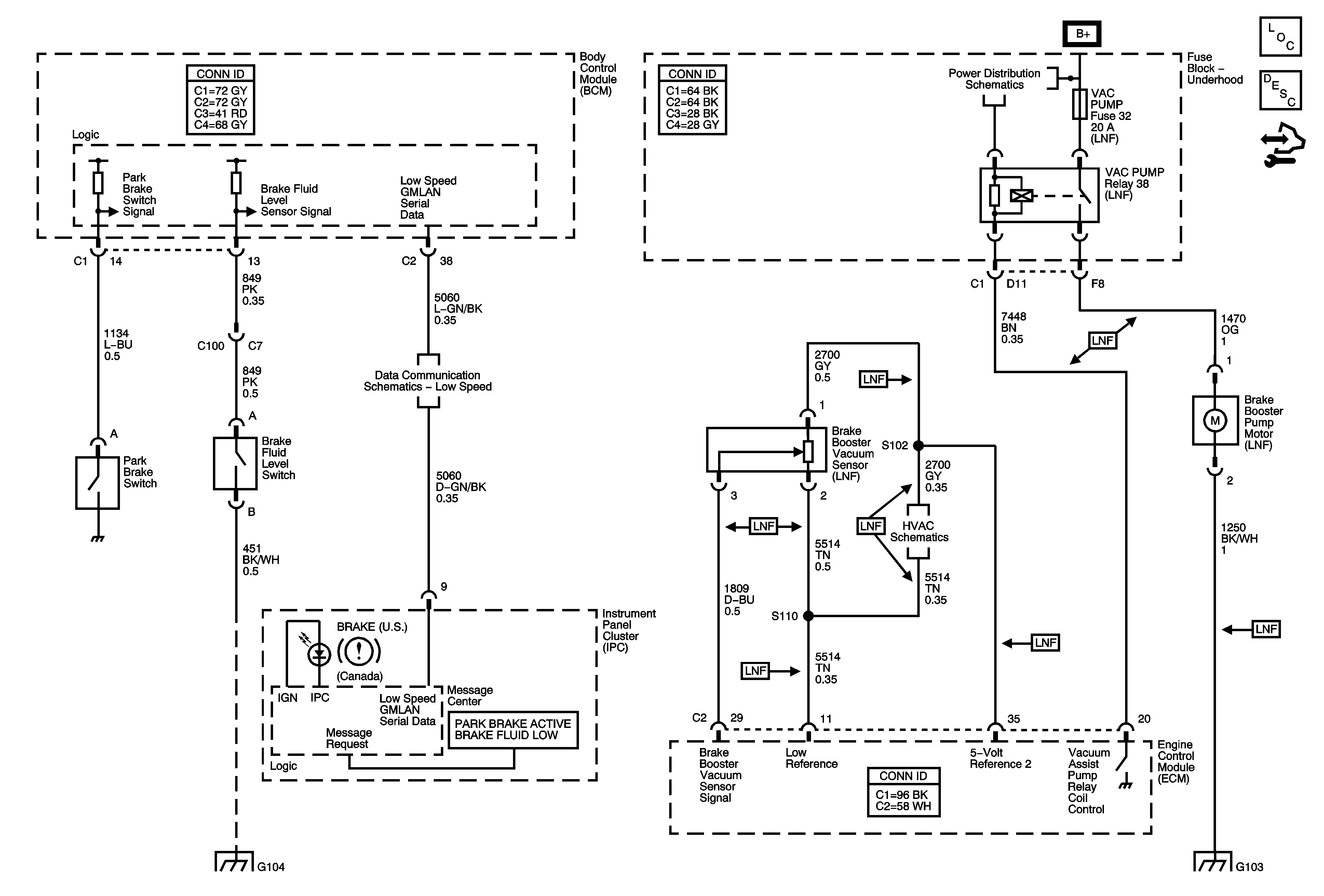
🢒 Hydraulic Brake System Schematics
Hydraulic Brake System Schematics
Master Electrical Component List
Brake Warning System Description and Operation
Control Module References
B+ Bus - 2 of 2
Low Speed LAN
G103, G104, G105, G106 and G304
G103, G104, G105, G106 and G304