GM Service Manual Online
For 1990-2009 cars only
Makes
🢒
Pontiac
🢒
2007
🢒
Solstice
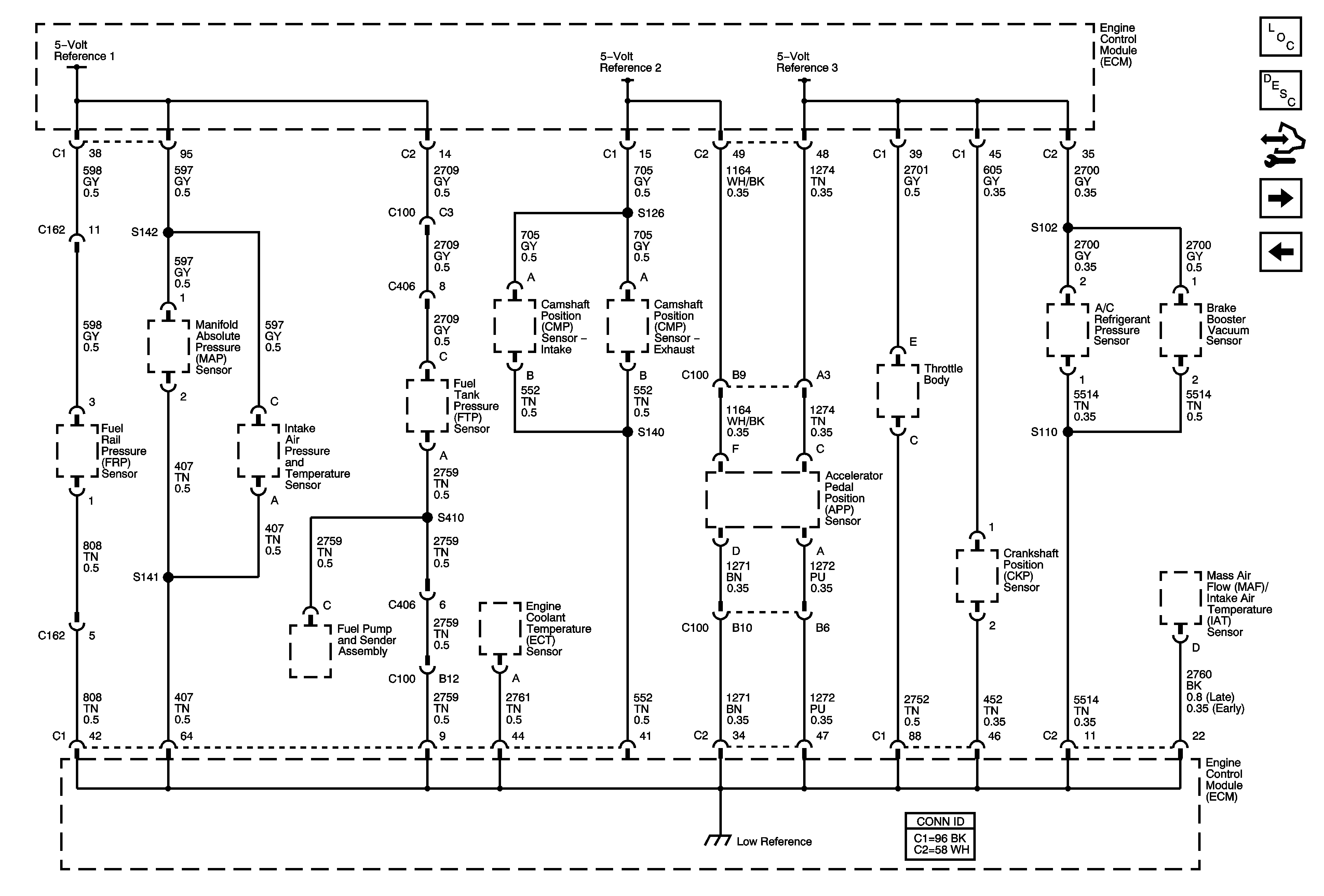
🢒 5-Volt and Low Reference
5-Volt and Low Reference
5-Volt and Low Reference
Master Electrical Component List
Engine Control Module Description
Control Module References
Engine Data Sensors - Pressure and Temperature
Data Link, Ground, MIL, and Power