GM Service Manual Online
For 1990-2009 cars only
Makes
🢒
Pontiac
🢒
2007
🢒
Solstice
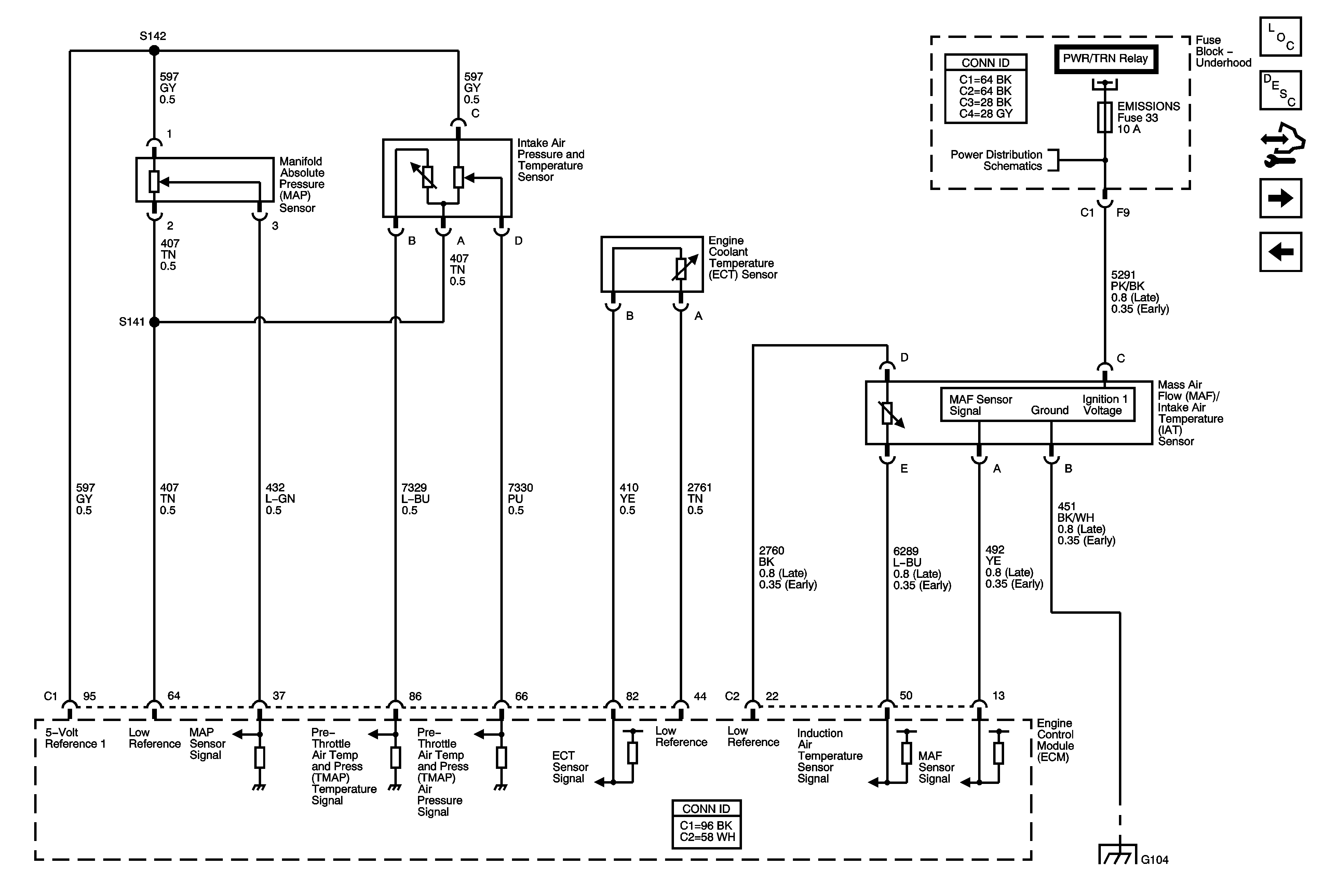
🢒 Engine Data Sensors - Pressure and Temperature
Engine Data Sensors - Pressure and Temperature
Engine Data Sensors - Pressure and Temperature
Master Electrical Component List
Air Intake System Description
Control Module References
Engine Data Sensors - Oxygen Sensors
5-Volt and Low Reference
B+ Bus - 1 of 2
Fuse Block-Underhood DLC, ECM, EXH, INJ IGN MDL, and TURBO Fuses, and PWR/TRN Relay
G103, G104, G105, G106 and G304