GM Service Manual Online
For 1990-2009 cars only
Makes
🢒
Pontiac
🢒
2007
🢒
Solstice
🢒 Fuel Controls - Fuel Pump Controls and Fuel Injectors
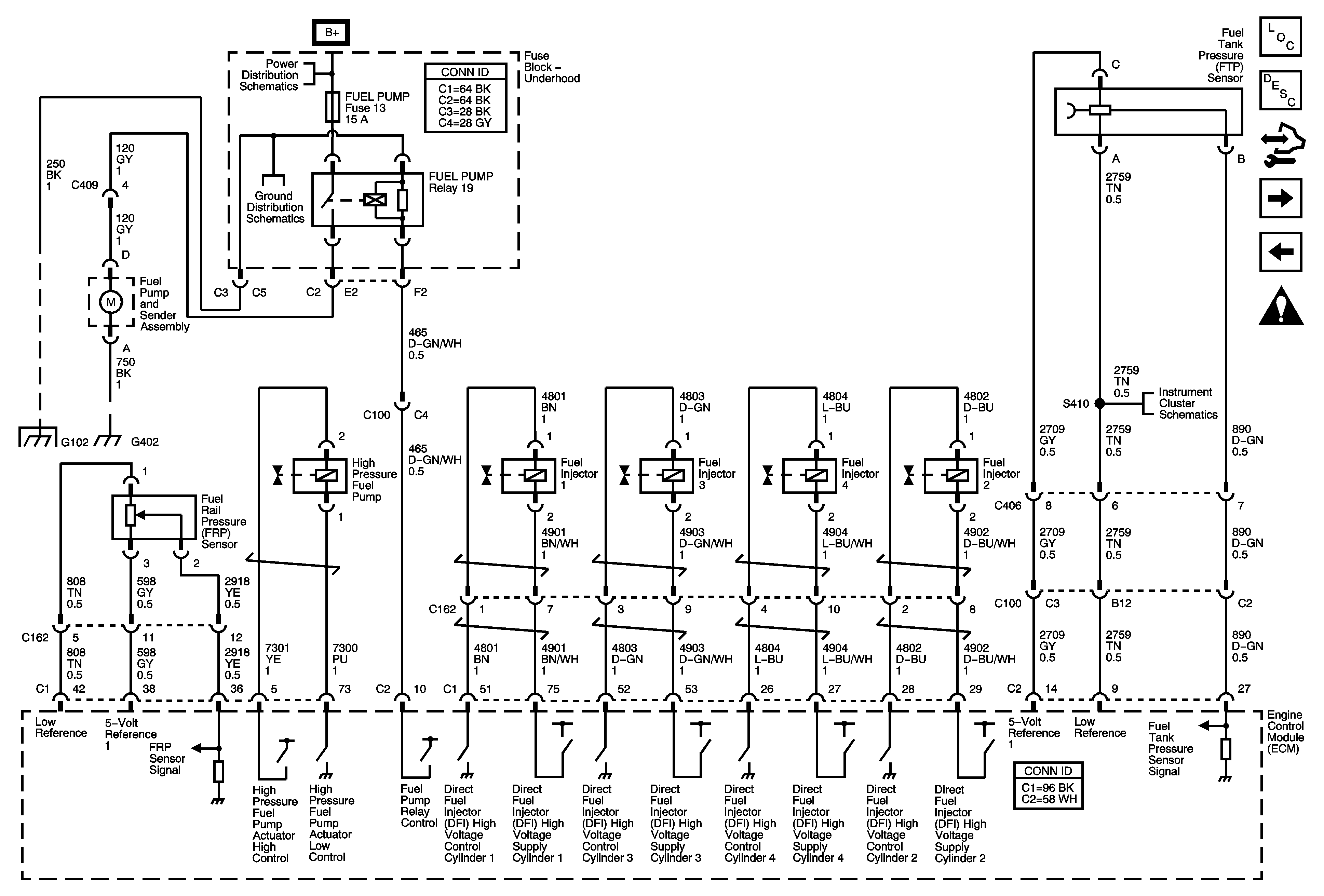
Fuel Controls - Fuel Pump Controls and Fuel Injectors
Fuel Controls - Fuel Pump Controls and Fuel Injectors
Master Electrical Component List
Fuel System Description
Control Module References
Fuel Controls - EVAP
Ignition Controls - Sensors and Solenoids
Engine Controls Schematic Icons
B+ Bus - 1 of 2
G101 and G102
G101 and G102
G301, G302, G303, G400 and G402
Instrument Cluster Schematics