GM Service Manual Online
For 1990-2009 cars only
Makes
🢒
Pontiac
🢒
2007
🢒
Solstice
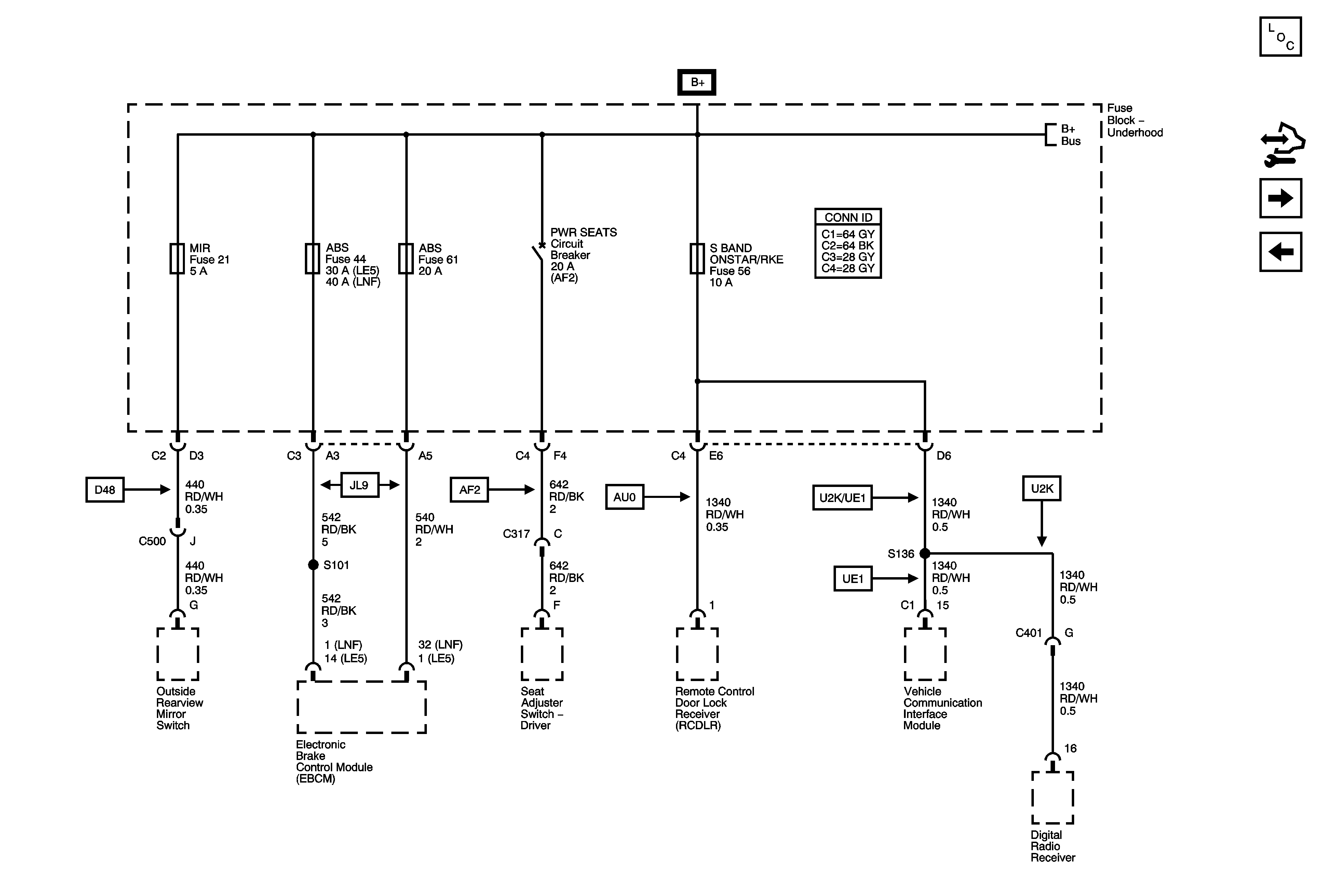
🢒 ABS, MIR, and S BAND ONSTAR/RKE Fuses and PWR SEATS Circuit Breaker (Underhood Fuse Block)
ABS, MIR, and S BAND ONSTAR/RKE Fuses and PWR SEATS Circuit Breaker (Underhood Fuse Block)
ABS, MIR, and S BAND ONSTAR/RKE Fuses
Master Electrical Component List
Control Module References
BCM Fuse (Underhood Fuse Block), DR LCK, ECM/TCM, INT LIGHT, PWR WNDW, RDO, and SDM Fuses, DOOR LOCK PCB , DOOR UNLOCK PCB, DR DOOR UNLOCK PCB, INADVERTENT LOAD CONTROL PCB, and RAP Relays (BCM)
DLC, ECM, EMISSIONS, INJ IGN MDL, and TURBO Fuses, PWR/TRN Relay
B+ Bus Bar - 2 of 2