GM Service Manual Online
For 1990-2009 cars only

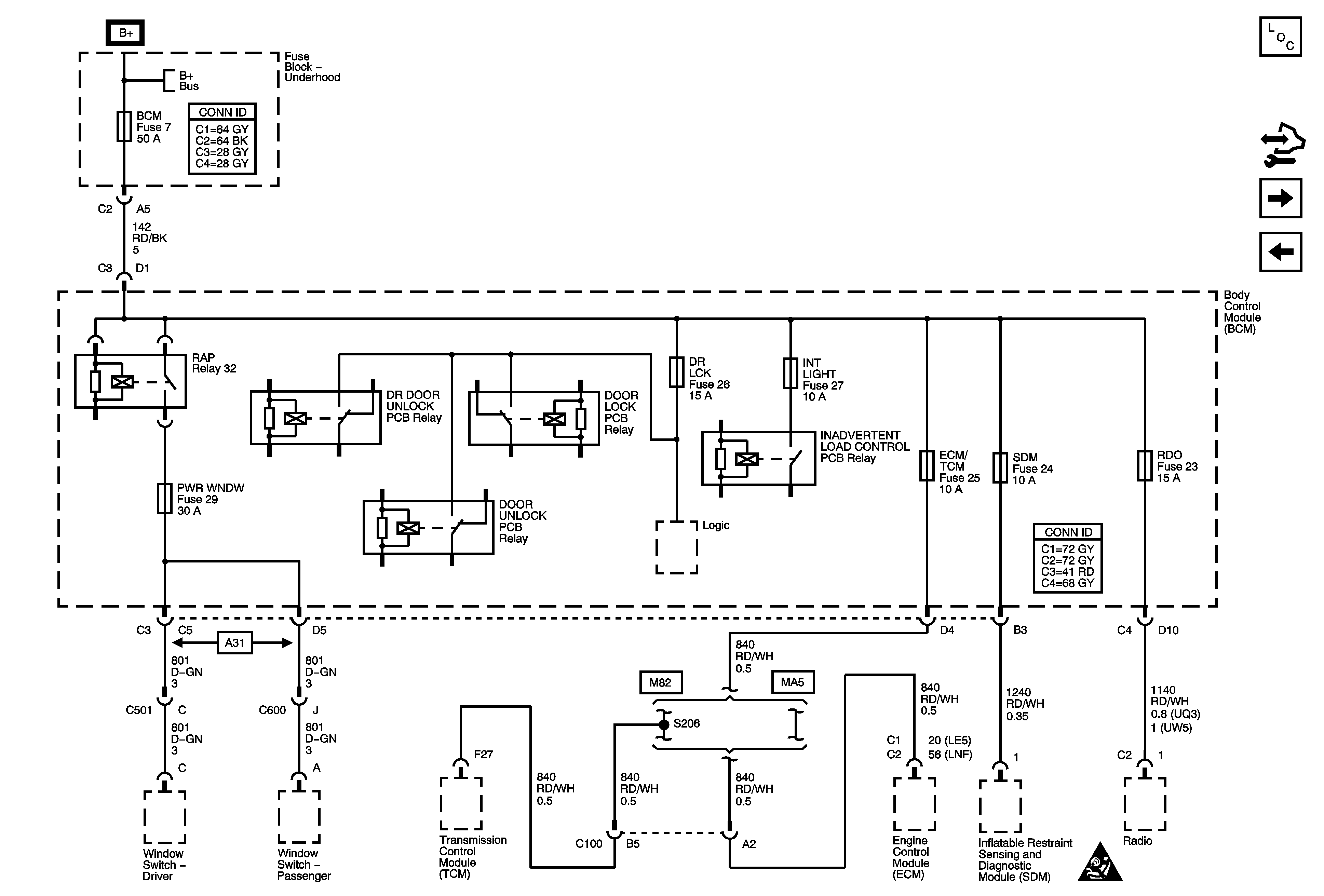
BCM Fuse (Underhood Fuse Block), DR LCK, ECM/TCM, INT LIGHT, PWR WNDW, RDO, and SDM Fuses, DOOR LOCK PCB , DOOR UNLOCK PCB, DR DOOR UNLOCK PCB, INADVERTENT LOAD CONTROL PCB, and RAP Relays (BCM)

BCM Fuse (Underhood Fuse Block), DR LCK, ECM/TCM, INT LIGHT, PWR WNDW, RDO, and SDM Fuses, DOOR LOCK PCB , DOOR UNLOCK PCB, DR DOOR UNLOCK PCB, INADVERTENT LOAD CONTROL PCB , AND RAP Relays (Body Control Module (BCM))


Object Number: 1829938  Size: FS
Master Electrical Component List
Control Module References
BCM 2 and BCM 3 Fuses (Underhood Fuse Block), AMP, CLSTR, HVAC/PK3+, and IGN SW/PK3+ Fuses, HVAC Relay (Body Control Module (BCM))
ABS, MIR, and S BAND ONSTAR/RKE Fuses and PWR SEATS Circuit Breaker (Underhood Fuse Block)
B+ Bus Bar - 2 of 2
Power and Grounding Schematic Icons