GM Service Manual Online
For 1990-2009 cars only
Makes
🢒
Pontiac
🢒
2007
🢒
Solstice
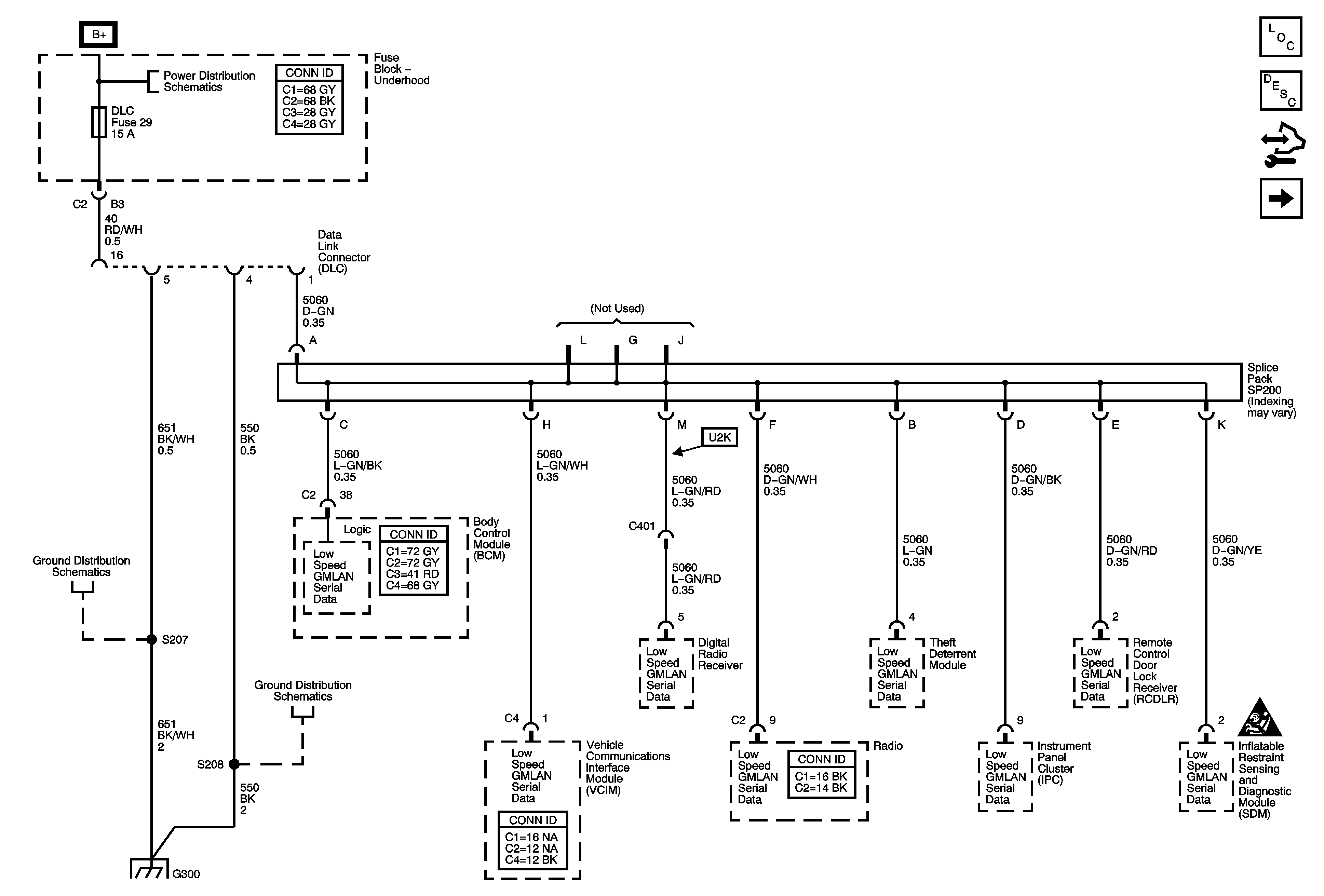
🢒 Low Speed LAN
Low Speed LAN
Low Speed LAN
Master Electrical Component List
Data Link Communications Description and Operation
Control Module References
High Speed LAN
B+ Bus Bar - 2 of 2
G300 - 1 of 2
G300 - 2 of 2
G300 - 1 of 2