GM Service Manual Online
For 1990-2009 cars only
Makes
🢒
Pontiac
🢒
2007
🢒
Solstice
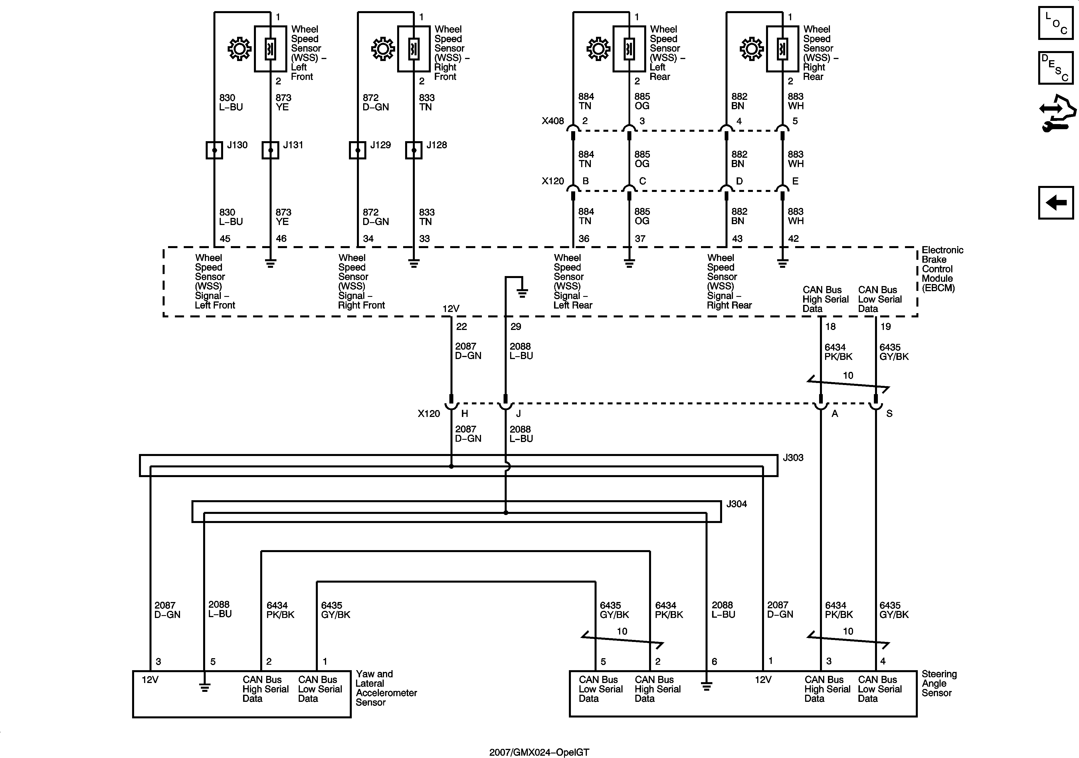
🢒 Stability Control Sensors - JL4
Stability Control Sensors - JL4
Stability Control Sensors (JL4)
Master Electrical Component List
ABS Description and Operation
Control Module References
Power, Ground, and Wheel Speed Sensors