GM Service Manual Online
For 1990-2009 cars only
Makes
🢒
Pontiac
🢒
2007
🢒
Solstice
🢒 Power, Ground, and Wheel Speed Sensors
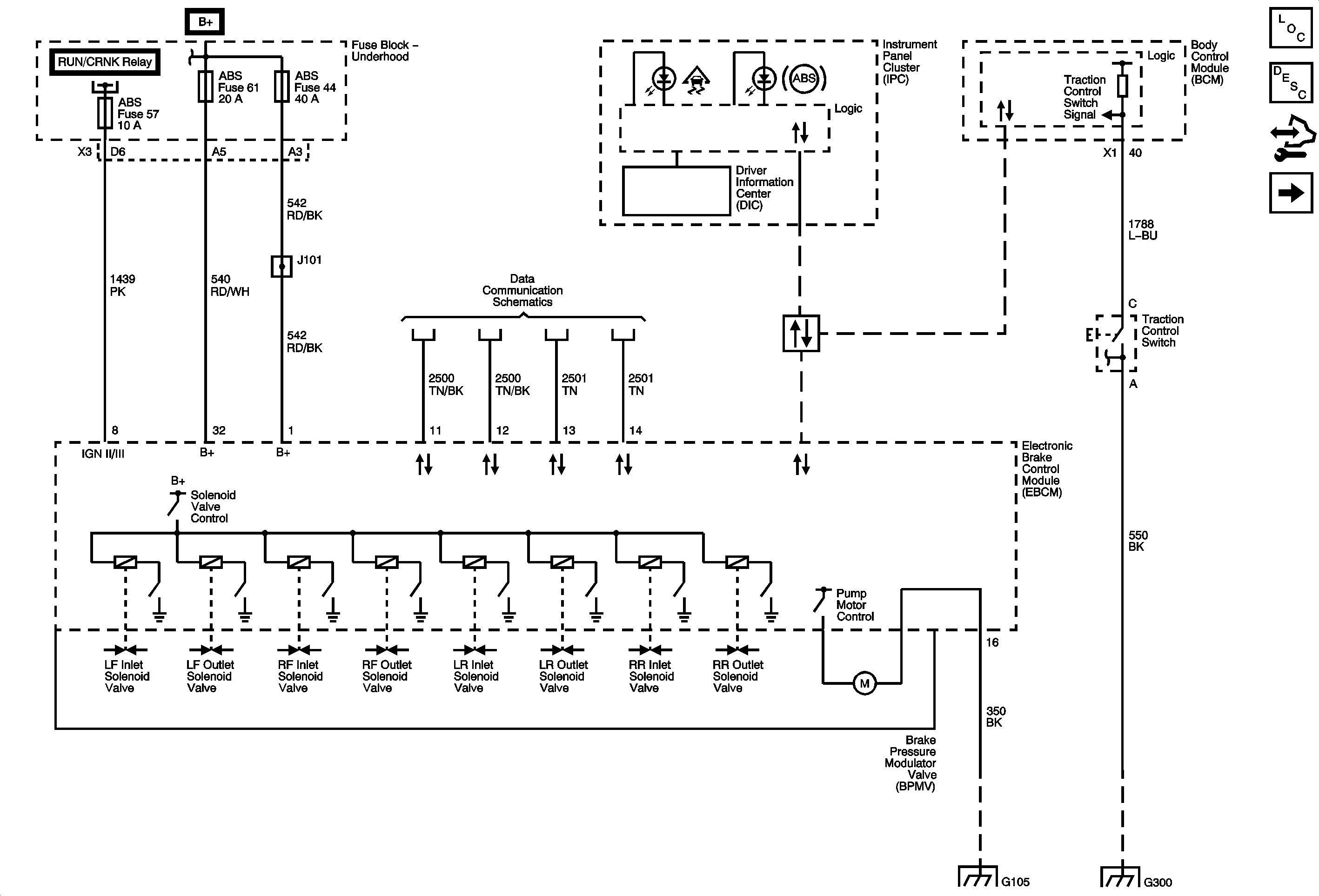
Power, Ground, and Wheel Speed Sensors
Power, Ground and Wheel Speed Sensors
Master Electrical Component List
ABS Description and Operation
Control Module References
Stability Control Sensors - JL4
B+ Bus Bar - 2 of 2
High Speed LAN
Data Communication Schematics
G103, G304, G105, G104, and G106
G300 - 1 of 2