GM Service Manual Online
For 1990-2009 cars only
Makes
🢒
Pontiac
🢒
2007
🢒
Solstice
🢒 Ignition Controls - Ignition System
Ignition Controls - Ignition System
Ignition Controls - Ignition System
Master Electrical Component List
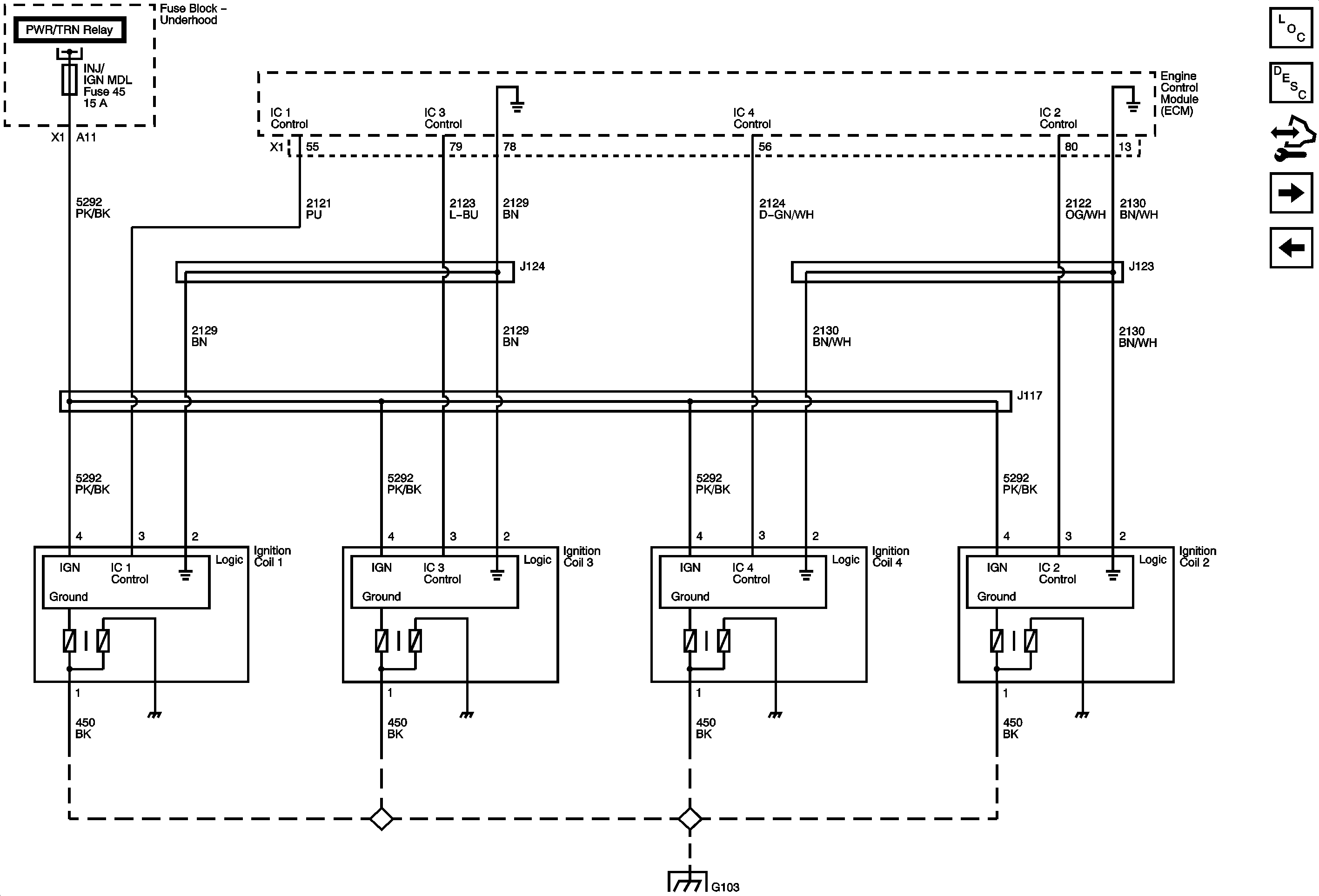
Electronic Ignition (EI) System Description
Control Module References
Fuel Controls - EVAP Controls
EMISSIONS, ECM, and LIGHTER Fuses
G103, G304, G105, G104, and G106