GM Service Manual Online
For 1990-2009 cars only
Makes
🢒
Pontiac
🢒
2007
🢒
Solstice
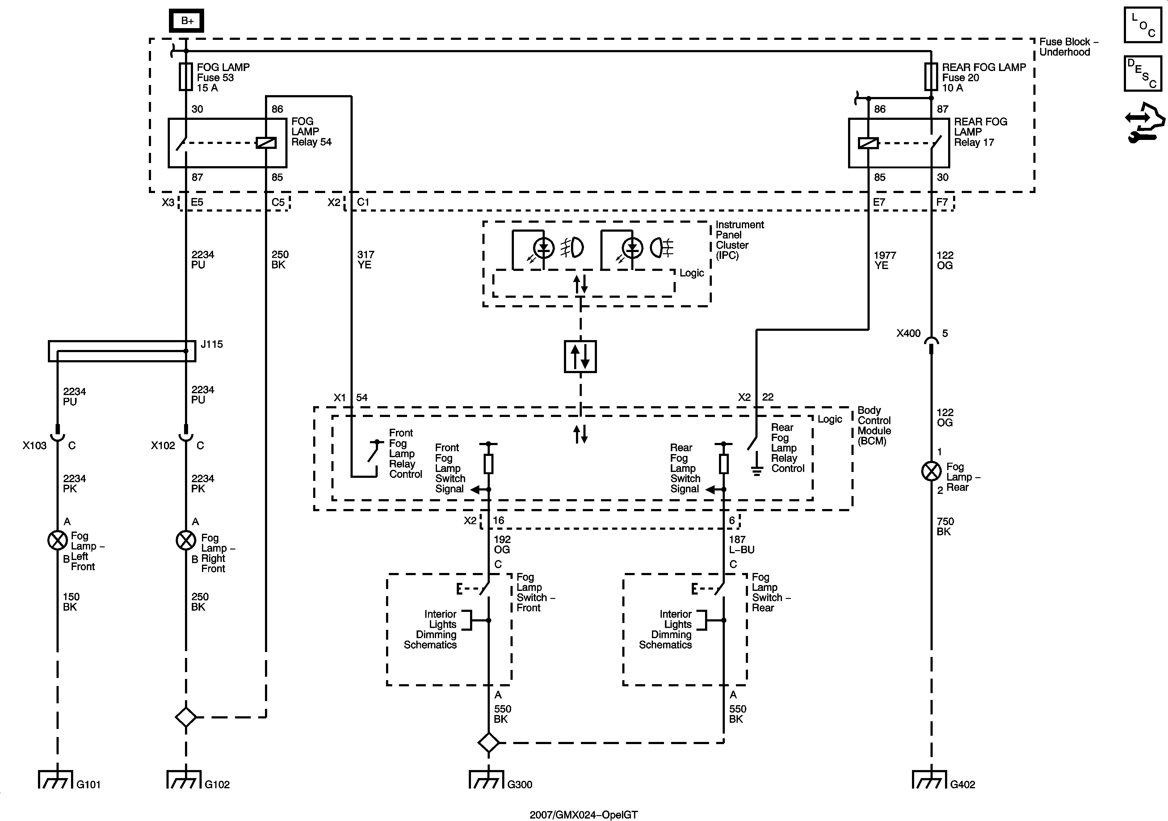
🢒 Fog Lights Schematics
Fog Lights Schematics
Master Electrical Component List
Exterior Lighting Systems Description and Operation
Control Module References
B+ Bus Bar - 2 of 2
B+ Bus Bar - 2 of 2
Data Communication Schematics
I/P Dimmer Switch
I/P Dimmer Switch
G101 and G102
G101 and G102
G300 - 1 of 2
G301, G102, G303, and G402