GM Service Manual Online
For 1990-2009 cars only
Makes
🢒
Pontiac
🢒
2007
🢒
Solstice
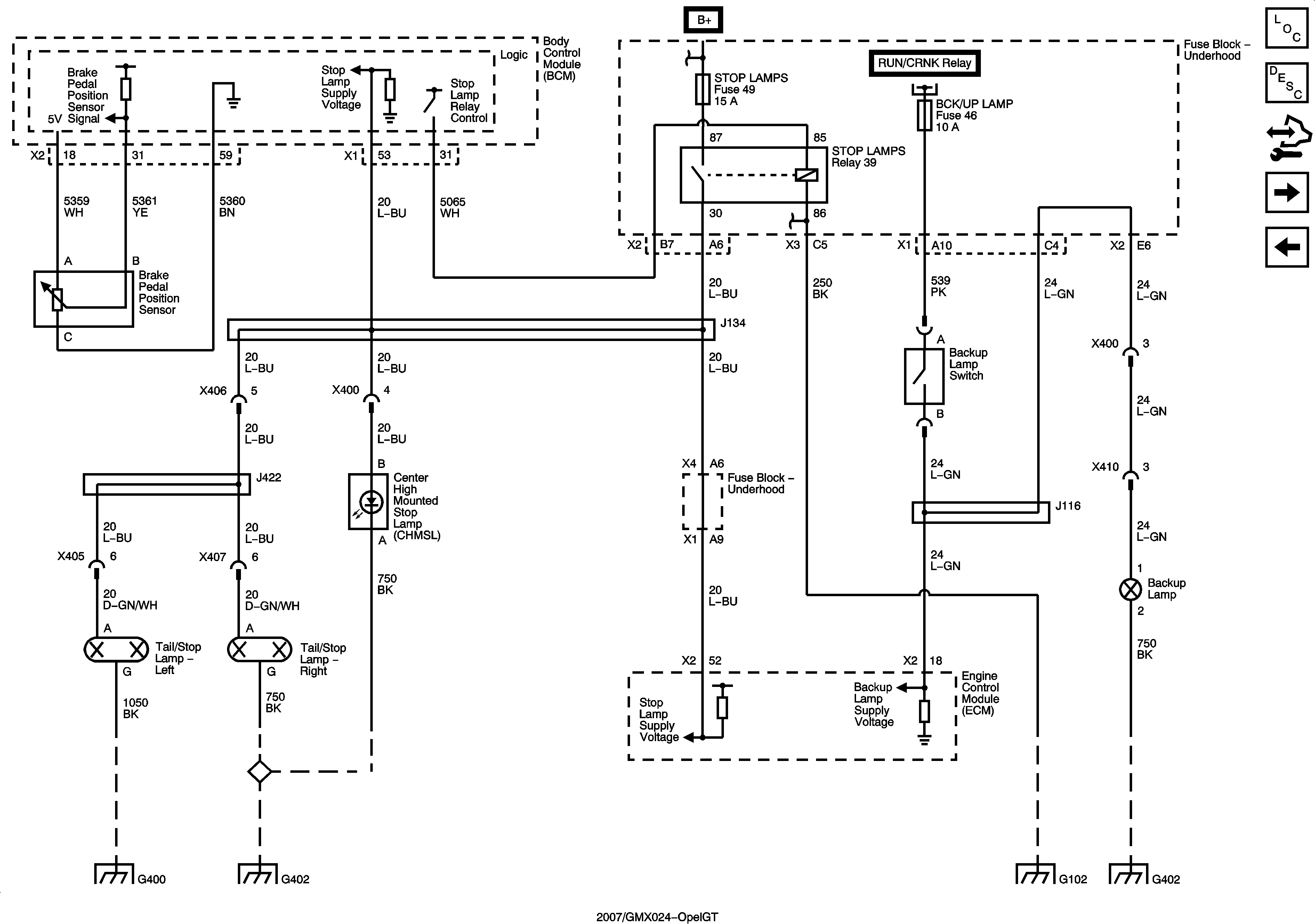
🢒 Backup Lamps
Backup Lamps
Backup Lamps
Master Electrical Component List
Interior Lighting Systems Description and Operation
Control Module References
Stop and Turn Signal Lamps
Hazard and Park Lamps
G301, G102, G303, and G402
G301, G102, G303, and G402
G101 and G102
G301, G102, G303, and G402