GM Service Manual Online
For 1990-2009 cars only
Makes
🢒
Pontiac
🢒
2007
🢒
Solstice
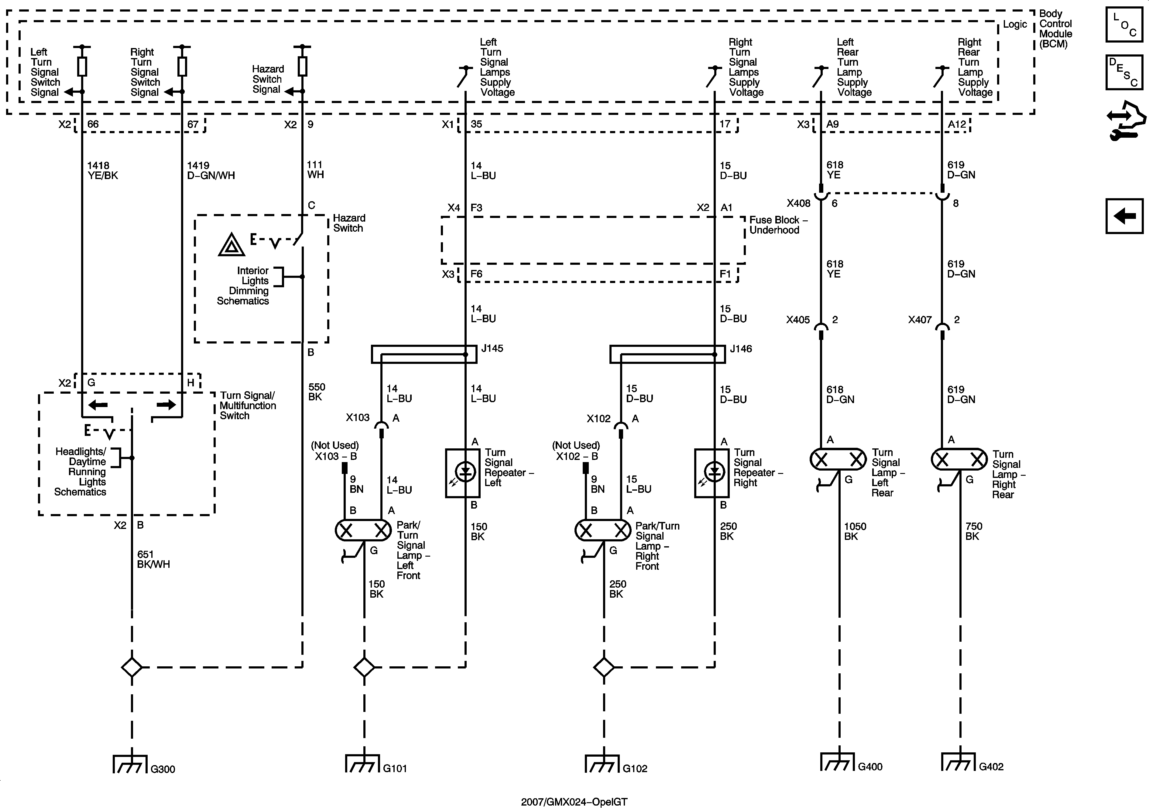
🢒 Stop and Turn Signal Lamps
Stop and Turn Signal Lamps
Stop and Turn Signal Lamps
Master Electrical Component List
Exterior Lighting Systems Description and Operation
Control Module References
Backup Lamps
I/P Dimmer Switch
Headlights/DRL Schematics
G300 - 1 of 2
G101 and G102
G101 and G102
G301, G102, G303, and G402
G301, G102, G303, and G402