GM Service Manual Online
For 1990-2009 cars only
Makes
🢒
Pontiac
🢒
2007
🢒
Solstice
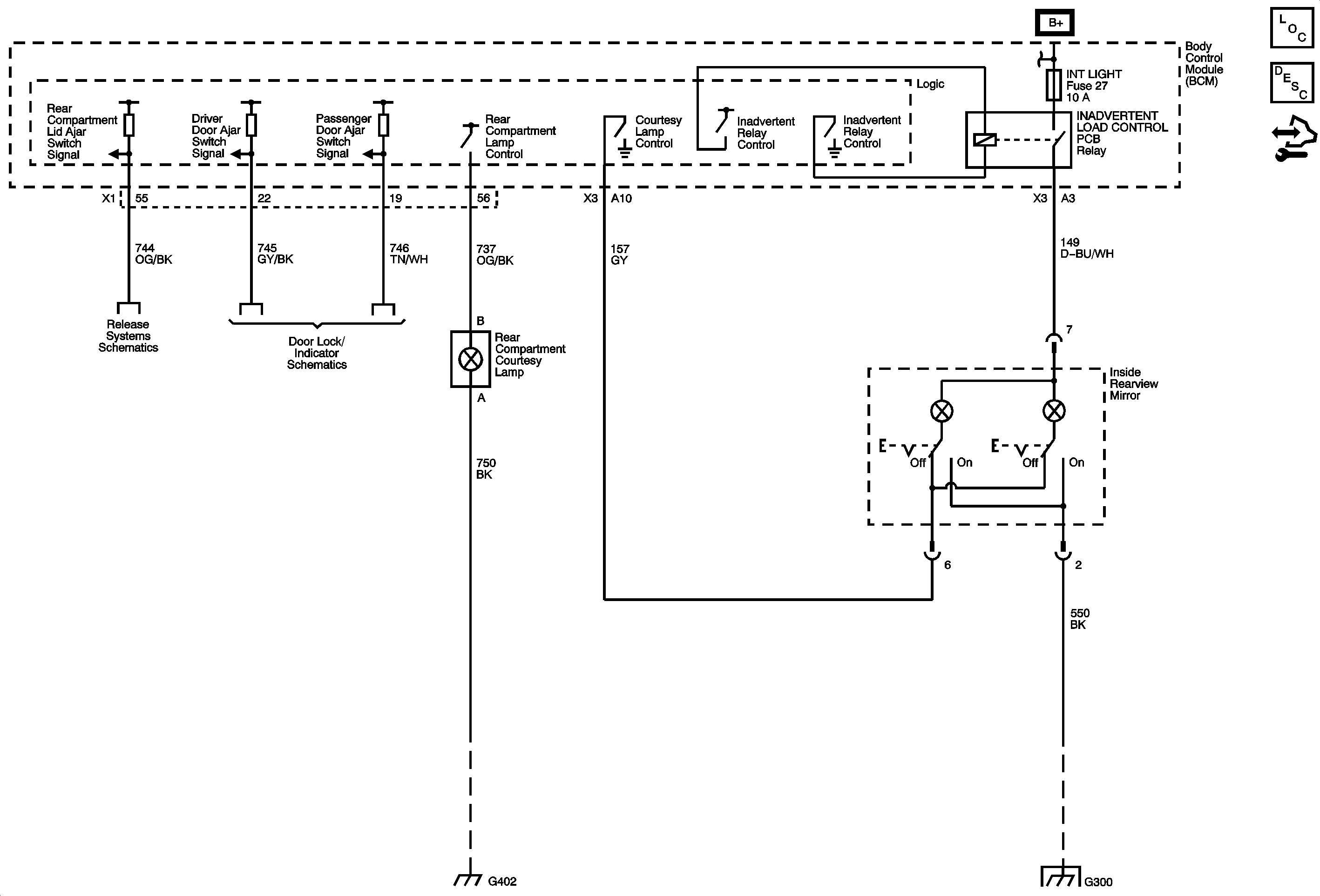
🢒 Interior Lights Schematics
Interior Lights Schematics
Master Electrical Component List
Interior Lighting Systems Description and Operation
Control Module References
Release System Schematics
Door Lock Schematics
G301, G102, G303, and G402
G300 - 2 of 2