GM Service Manual Online
For 1990-2009 cars only
Makes
🢒
Pontiac
🢒
2007
🢒
Solstice
🢒 Release System Schematics
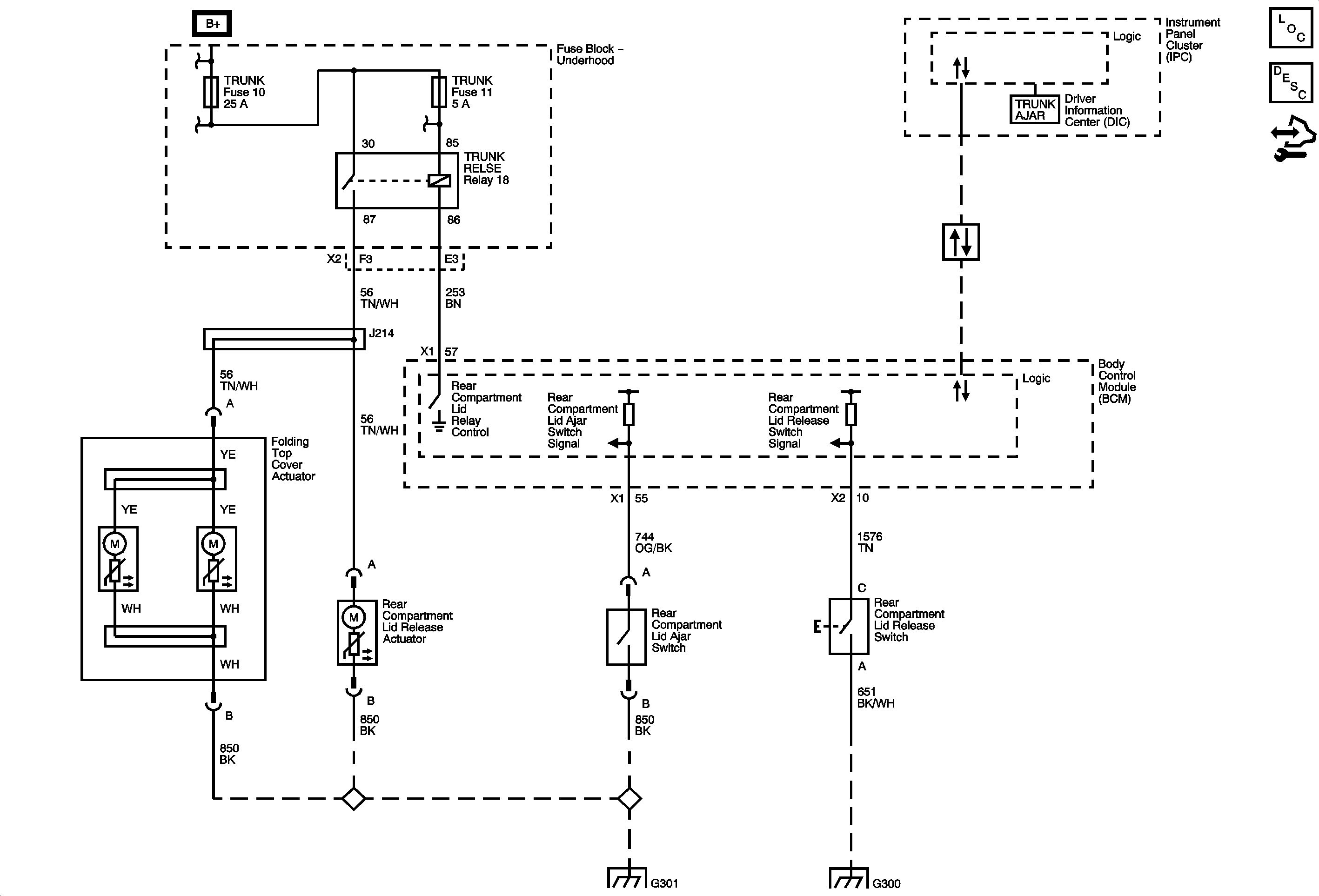
Release System Schematics
Master Electrical Component List
Luggage Compartment Description and Operation
Control Module References
B+ Bus Bar - 1 of 2
B+ Bus Bar - 1 of 2
Engine Harness Routing - MT34
Data Communication Schematics
G301, G102, G303, and G402
G300 - 1 of 2