GM Service Manual Online
For 1990-2009 cars only
Makes
🢒
Pontiac
🢒
2007
🢒
Solstice
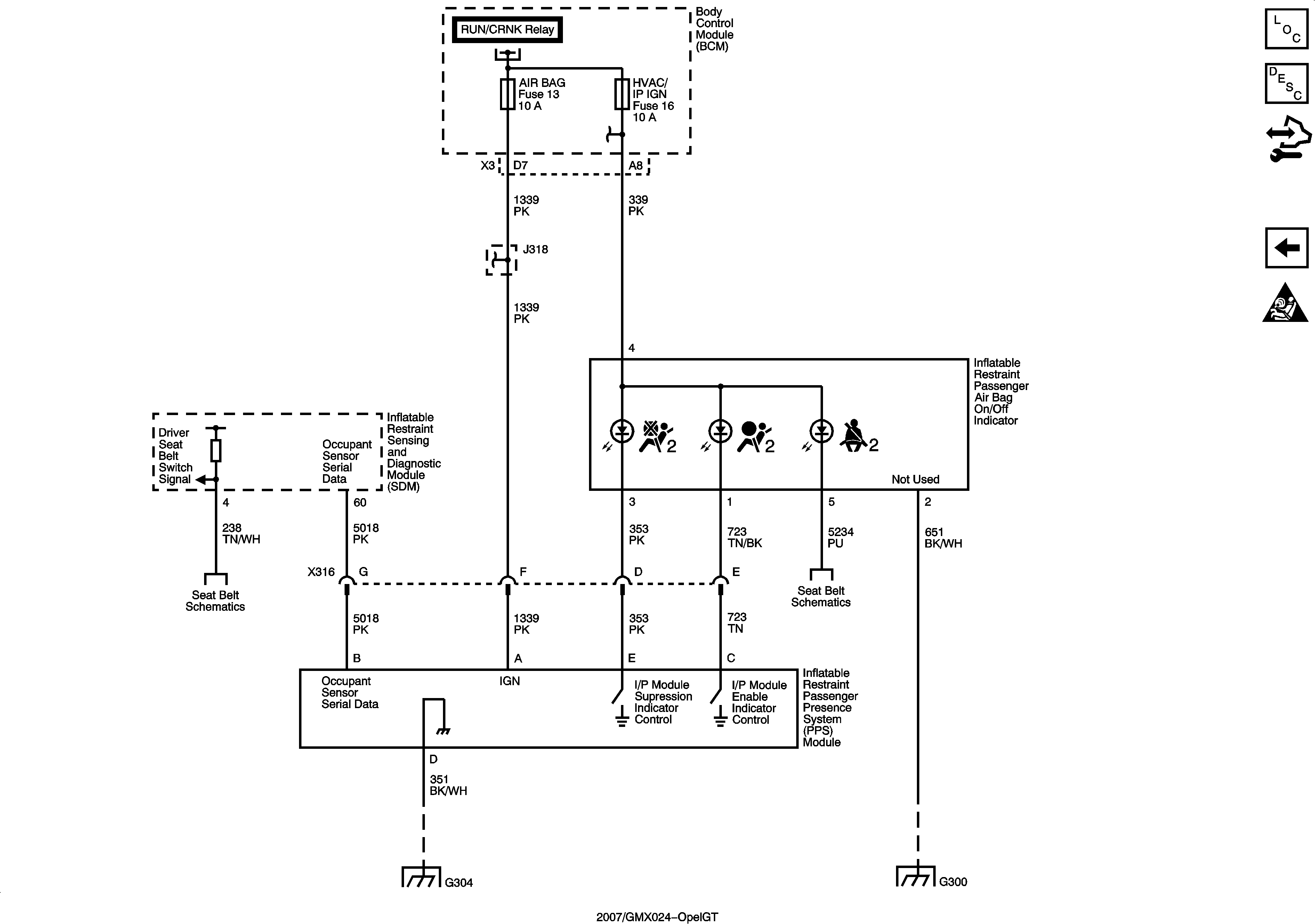
🢒 Passenger Presence System (PPS)
Passenger Presence System (PPS)
Passenger Presence System (PPS)
Master Electrical Component List
SIR System Description and Operation
Control Module References
Deployment Loops
SIR Schematic Icons
TANK VENT, OUTLET, IP IGN, BACKUP, ABS, and ECM TRANS Fuses
TANK VENT, OUTLET, IP IGN, BACKUP, ABS, and ECM TRANS Fuses
Seat Belts Schematics
Seat Belts Schematics
G103, G304, G105, G104, and G106
G300 - 1 of 2