GM Service Manual Online
For 1990-2009 cars only
Makes
🢒
Pontiac
🢒
2007
🢒
Solstice
🢒 Data Link, Ground, and Power
Data Link, Ground, and Power
Data Link, Ground, and Power
Master Electrical Component List
Body Control System Description and Operation
Control Module References
Brakes, Cooling System, Cruise, and Door Lock References
B+ Bus Bar - 2 of 2
WINDOWS, DOOR LKS, INT LPS, ECM/TCM, RADIO, and SDM Fuses
HVAC/PK3, AUDIO AMPLIFIER, WIPERS, HVAC/IP IGN, RESRAINTS, and EPS/SWC Fuses
WINDOWS, DOOR LKS, INT LPS, ECM/TCM, RADIO, and SDM Fuses
Data Link, Ground, MIL, and Power
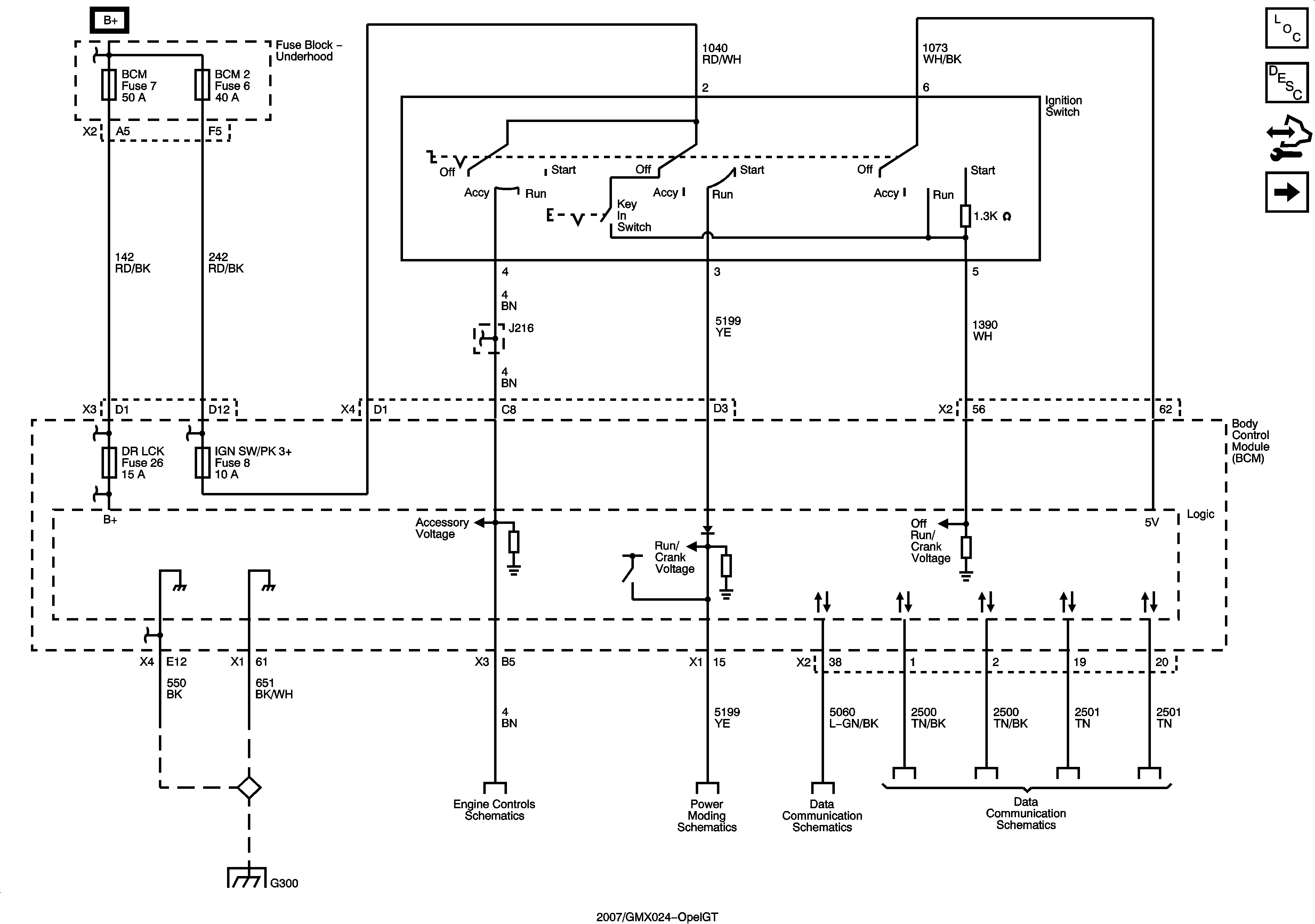
Power Moding Schematics
Low Speed LAN
High Speed LAN
G300 - 1 of 2