GM Service Manual Online
For 1990-2009 cars only
Makes
🢒
Pontiac
🢒
2007
🢒
Solstice
🢒 Sensors and Switches
Sensors and Switches
Switches and Sensors
Master Electrical Component List
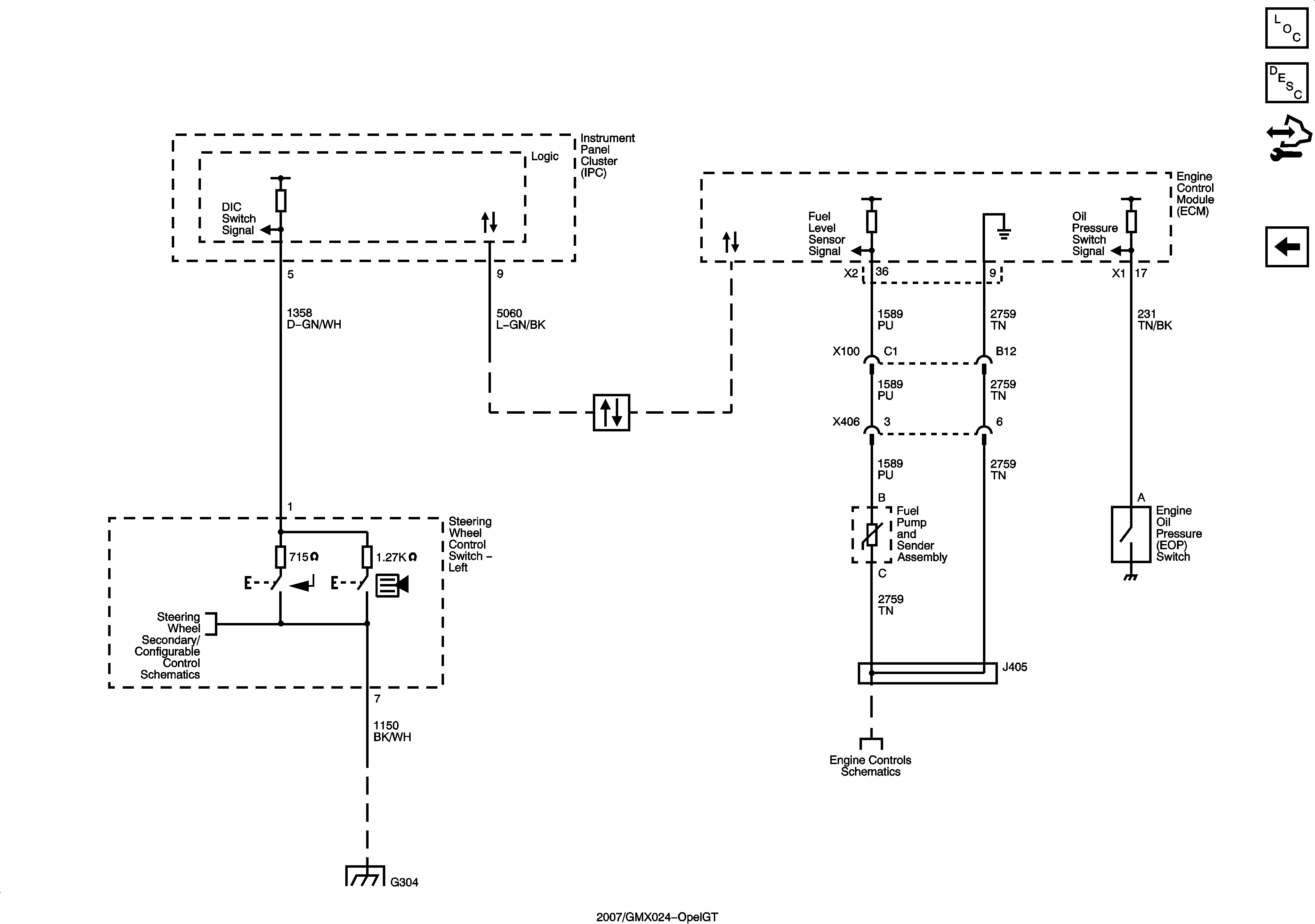
Instrument Cluster Description and Operation
Control Module References
Instrument Cluster
Data Communication Schematics
G103, G304, G105, G104, and G106