GM Service Manual Online
For 1990-2009 cars only
Makes
🢒
Pontiac
🢒
1996
🢒
Sunfire
🢒 Fuel Controls
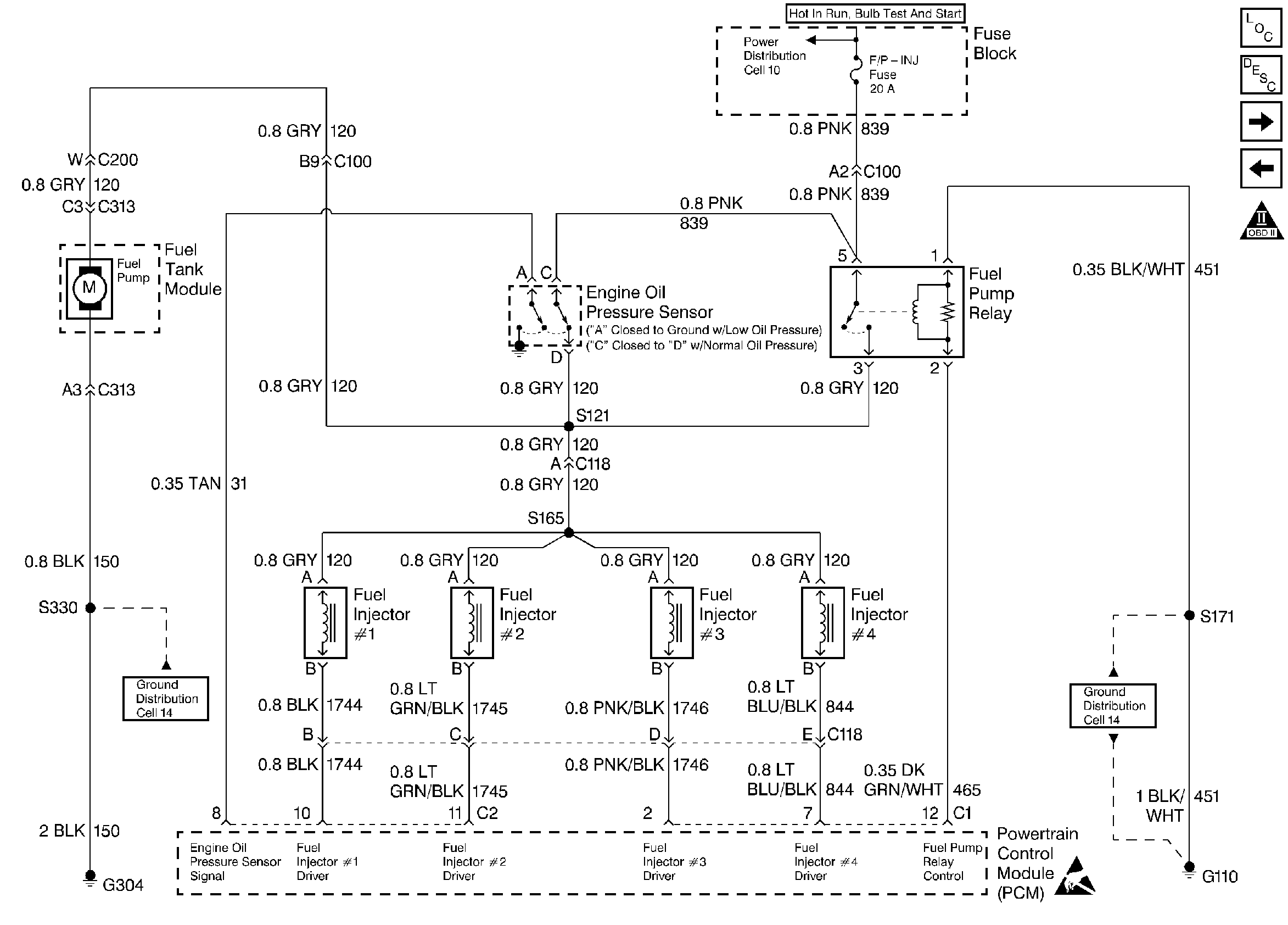
Fuel Controls
Fuel Controls
Engine Controls Components
Powertrain Control Module (PCM) General Description PCM
Engine Data Sensors
Ignition Controls
OBD II Symbol Description Notice
Handling ESD Sensitive Parts Notice