GM Service Manual Online
For 1990-2009 cars only
Makes
🢒
Pontiac
🢒
1996
🢒
Sunfire
🢒 Engine Data Sensors
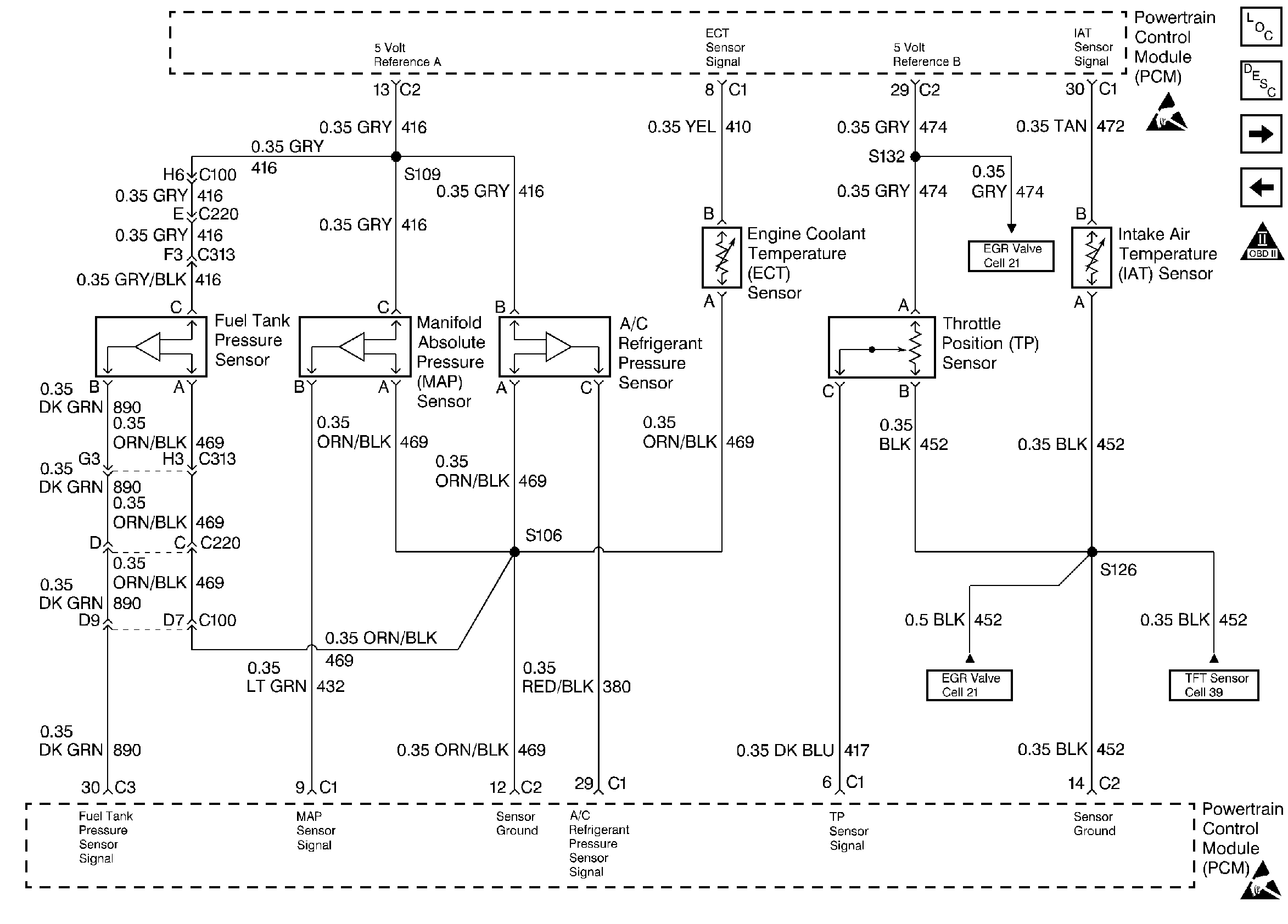
Engine Data Sensors
Engine Data Sensors
Engine Controls Components
Powertrain Control Module (PCM) General Description PCM
EVAP and EGR Controls
Fuel Controls
OBD II Symbol Description Notice
Handling ESD Sensitive Parts Notice
Handling ESD Sensitive Parts Notice